Comment installer des yeux angéliques sur un VAZ 2110
Taka est nommé yeux angéliques Parfois, ils peuvent voir des voitures étrangères, mais le constructeur local ne les installe pratiquement pas sur leurs propres voitures. Pour l'instant, nous allons indépendamment diriger et installer des yeux angéliques sur le VAZ 2110. Ils ajouteront de l'originalité au kolata, souligneront l'image de l'eau.
Confinement : 1. Préparez les options pour les yeux angéliques sur le VAZ 2110 2. Nie règle les yeux angéliques ss propre si rytse 3. montage phare 4. Schéma de câblage Svurzvane kjm pour une voiture 5. Légalité de l'installation 6. Vidéo
Avant et installez des yeux angéliques, tryabva et gi l'amèneront n'importe où. Il y a deux possibilités : oui, l'acheter, le cuisiner ou l'envoyer soi-même. Option Prviyat, triez-le, e-forest, surtout si vous voulez changer le désir et corriger l'artisanat, nous en sauverons donc quelque chose.
Préparez les options pour les yeux angéliques sur le VAZ 2110
L'industrie Dnes offre trois possibilités pour les yeux angéliques. Vychki ces imamat sont un et entier, mais ils diffèrent d'une manière ou d'une autre par leur conception et, en principe, par la source de lumière.
Décharge de gaz
Ils l'appellent également CCFL (Cold Cathode Fluorescent Lamp) - une lampe fluorescente à cathode froide. Structurellement, un tel œil est dirigé sous le format pour le besoin de deux électrodes, avec un gaz inerte. Tazi a besoin de se naviva dans le prusten avec différents diamètres. Le principe de l'action de e est le cathotosi sur une lampe fluorescente conventionnelle: dans le cas d'une décharge lumineuse apparaît, et le phosphore est émis de la lumière. Caractéristiques sa manger:
- faible résistance aux chocs (tuyaux empilables) ;
- izskvat utilisé pour le ballast, qui est presque du vin est inclus dans le kit.

Ensemble d'yeux angéliques sur la base de la lampe à décharge
DIRIGÉ
Tezi Angelic Eyes est utilisé par des LED SMD et une source de lumière catho, située en haut du mur avec différentes tailles. Bande LED tout-en-un avec protection de tension 12 V, enroulée autour du mur. Caractéristiques de l'écran LED takiva
- haute résistance aux chocs;
- le temple est léger en efficience et en efficacité ;
- L'engin est utilisé pour un stabilisateur de 12 volts, ce qui n'est pas nécessaire.

Yeux angéliques sur la base des LED SMD
Grappe
La possibilité d'ajouter des lumières LED, en utilisant toute la matrice LED au lieu de LED discrètes. Provient d'une microdiode, placée sous une couche commune de phosphorène (technologie COB). Habituellement, il s'agit d'un tuyau solide, mais dans certains cas, il s'agit d'une simple matrice OWL. Les yeux Takiva sont différents des LED avec un éclat uniforme sur le bandeau, mais laissent les caractéristiques sa manger.

Grappes d'yeux angéliques retour kjm sdzharzhanieto ↑
Nie règle les yeux angéliques ss propre si rytse
Si vous offensez et le prenez, vous pouvez diriger vous-même vos yeux angéliques. Premièrement, camarade, il y aura beaucoup d'Euthino de l'achat de nourriture, et deuxièmement, profitez du travail accompli. Ici, je propose deux options de conception, vous pouvez choisir ce que vous voulez en fonction de vos capacités et de vos préférences.
Pardonnez les yeux angéliques LED
Le design Tozi est à faible luminosité, mais pas exceptionnellement économique et serait une bonne décoration pour votre voiture. Pour oui, envoyez, sche vie tryabva :
- 2 fils arrondis en plexiglas transparent d'un diamètre de 8-10 mm et d'une longueur de 250-300 mm (avec une marge);
- 4 LED blanches super brillantes de 5 mm avec conducteurs radiaux ;
- 2 résistances avec résistance 2 kOhm ;
- stabilisateur de tension pour 12 V à faible puissance (1-2 W), prêt ou fait maison ;
- voiture scellant;
- scie à métaux pour le métal;
- deux tiques;
- dornik rond d'un diamètre de 70 mm;
- eau de carburant ou techniquement seshoar ;
- percer avec un foret de 5,5 mm.
Vous pouvez utiliser n'importe quel type de kutia de mise en conserve (biren) avec un diamètre approprié, et la puce KR142EN8B (un analogue est introduit sur l'ESG7812P) est un peu trop grosse (un analogue est introduit sur l'ESG7812P) dans le cas idéal d'un stabilisateur cathodique . Arbre - faites glisser sur le shori de rotation (platna).

Tova e vsichko, de quelque chose dont vous avez besoin, car oui dirigez ces yeux angéliques.
Ako tout est prêt, vous pouvez le sauvegarder et le sauvegarder. En premier lieu, trebva et feu droit dans le prusten. Pour oui, envoyez le tov, chauffez-le avec de l'eau bouillante ou techniquement un seshoar.Une fois que le plexiglas deviendra élastique, saisissez-le par les bords avec deux pinces et faites le tour de la pré-préparation du dornik.

Svivane na shinata vrhu dornik
Dokato zagryavat prachkata ss seshoar, suivez la température. Si vous chauffez le plexiglas, la mehurcheta y apparaîtra, qu'ils mettront plus de preminavaneto sur le svetlinat.
Sortez, refroidissez un peu, puis je vais me débarrasser du dorn et couper les bords en excès avec une scie à métaux, de sorte que dans le mur et laisser la praznina de 10-15 mm.

Prêt à aller aux yeux angéliques
Poinçonnez les creux dans les bords des trous avec un trou de 6-7 mm. Vous dirigerez une deuxième fois en mangeant les prémices. Il est temps de se rappeler et d'installer la LED. S'il vous plaît, faites attention, quel est le seul terminal e-dalg pour tyah - camarade e anodt. Mettez un peu de vernis nitro dans chacun d'eux, ouvrez-le sur le côté droit et mettez la LED dedans, positionnez-le donc sur l'anode et la cathode et laissez-le aller. Kogato nitro lakt se vtvardi, chanter conducteur sur la diode : anode à l'anode, cathode à la cathode. Otkhapete conducteurs superflus et soudez les conducteurs de différentes couleurs à la diode - camarade, aidez-moi et tournez les yeux de l'ange dans la bonne polarité.Soudez une résistance de 2 kOhm dans le prekvaneto du conducteur (tout).
Pour oui, svetlinat karaté et sortez de notre guide de lumière improvisé, dirigez les petites coupures vers le mur. Augmentez-en progressivement la longueur jusqu'au centre, puis partez de 0,2 mm jusqu'au bord et terminez par 0,5 mm jusqu'au centre. Choisissez vous-même la distance entre les emballages : "ruban" dans angelskite dépend de l'honnêteté pure.

Syzdavane sur la coupe sur le mur
Isolez les fils LED et les résistances avec un joint ou un pistolet pour un rendu lamentablement moulé. La deuxième option consiste à réduire le temps nécessaire à l'izchakvane pour s'isoler et sécher. Si le mastic est sec ou chaud, il a refroidi, vous pouvez vérifier comment il a été dirigé. Câblez la batterie "Krona" en tant que conducteur, tel un plus et ici, fournissant l'anodite, et moins la cathode.

Test des yeux d'ange prêt
Tova e est fondamentalement tova. Préparez vos yeux angéliques. D'une certaine manière, le Kazakh en deuil, pas très brillant, mais à des fins décoratives avec peur.
Yeux angéliques sur bande LED
Le design Tosi brille beaucoup plus qu'avant et est parfait pour voir doris par une belle journée ensoleillée. Si vous l'envoyez à l'avance, vous avez également besoin d'une page Bande de LED de 12 V. Ceci est différent du poste habituel, donc c'est ogva (ou, si vous le cherchez, brillez) un peu loin.

Ruban de lueur de page
Pour oui, dirigez vos yeux angéliques, et secouez 2 rubans à parquet, chacun d'une longueur de 220 mm. Couper le ruban LED (SL) éclat de la page, qui est généralement, mais est possible sur un endroit strictement défini, blanchissant le haut de la bande de samata. Si vous n'entrez pas dans la longueur la plus courte (et très probablement), coupez les objectifs les plus proches - fermez l'autre avec une couverture.
Broyez le parceto sur le mur, tel qu'un diamètre de 70-75 mm, et coupez les bords du ruban avec de la graisse à l'aide d'un pistolet thermique ou d'un scellant. Il est commode d'effectuer l'opération et toutes les perversions sur le dornik avec un diamètre approprié: conserves, butylka, etc. La piste du cato sealer est sèche, vous chanterez deux conducteurs à l'unité du bord sur le SL. Pour oui, envoyez tov, au ruban et à l'ima d'un site Web spécial, en marquant avec "+" et "-". Sur la photo, en bas du rouge, la flèche marque l'emplacement de la possibilité d'emballage, et avec la flèche verte - la zone de stockage.

Coupez les points et enregistrez les encarts sur un ruban de page brillant
L'oeil d'ange est assez fort, mais il a une importance particulière, car il est toujours collé au phare. Ako tosi krekhk n'adapte pas le dori au stade de l'installation, le togawa lentata peut être collé avec une taille appropriée, par exemple, un ballon est réalisé à partir de plastiques.
Beaucoup plus commodément, oui, travaillez avec SL scellé avec éclat de page, contrairement à che on-skyp.

Une page est scellée, un ruban lumineux et un œil d'ange d'elle
Restez et testez, cousez des yeux angéliques, que nous apporterons de la batterie à Krona. Gardez la polarité, elle est attachée au ruban. Dans ce cas, il n'est pas nécessaire d'installer une résistance de 2 kΩ.
montage phare
Ako veche envoyé ou acheté prépare des yeux angéliques, togava e time et gi installirate. Svalete farovete, kato se appel pour répondre à la littérature. Maintenant, essayez et atteignez la doublure décorative, pokrivashcha farovete. Pour oui, envoyez le camarade, plus secouant et balançant le verre, planté sur le dessus du scellant.
Vorzhet se avec un petit réservoir un tournevis et je mettrai entre le phare et le verre. Corrigez-le soigneusement, au contraire, le cas de beaucoup de choses est différent.Mettez un couteau de bureau dans les vacances reçues, conservez-le et coupez le scellant, qui remplace progressivement le tournevis sur tout le périmètre du verre.
Razryazvane sur le sceau, quelqu'un tient le verre sur le phare du VAZ 2110
Maintenant, prenez un tournevis et répétez la procédure. Répétez les étapes un peu, coupez le scellant à un trou complet et éloignez-vous de lui-même.

La trace est arrachée sur le scellant à verre, il peut être forestier et l'enlever
Développez maintenant 3 vis dans la partie arrière du phare et rabattez la garniture chromée décorative.

Premahvane sur gaine chromiranate
Dans la vallée, souvent à l'ouverture, derrière le phare, pour une longue ligne lumineuse, dirigez une petite fente - guide, protégez les yeux angéliques, qui le prédominent.

Razryazvane sur un zhleb pour les conducteurs
Ako imate tournez les yeux angéliques, glissez-vous simplement du haut de l'ouverture vers le phare, ce qui sauvera le conducteur en direction du zhleb. Ako sa "gwkawi", attachez le togawa gi à la viande et gi hvanete avec un pistolet thermique, kato se expérience et soutient le cercle autant que possible. Obtenez la forêt et dirigez les marchandises de l'œil, dirigées à partir de la bande LED conventionnelle avec éclairage de page.
Laisser une trace et lubrifier la centrifugeuse entre l'oeil d'ange et la doublure avec le joint. Dirigez soigneusement votre ami du pays vtreshnat et vnshnat vers la droite, afin que vous puissiez en mettre une trace, mettez un verre et un phare sur la viande, c'est dommage.

Yeux d'ange tryabva oui bdat sceller soigneusement et raisonnablement la couverture de kum avec un sceau
Protégez le conducteur, mettez-le dans un zhleb, cassez le phare prez et léchez le prez kapak au sol, léchez en quelque sorte le vitchki, les conducteurs se sont arrêtés.
Prokarvane pour câble de protection vv phare
Sortez et posez le verre sur la viande. Pour oui, envoyez un camarade, nettoyez l'ancien scellant et appliquez-en de nouveaux.Mettez un nouveau verre et appuyez dessus sensiblement, jusqu'à ce que les joints soient complètement secs. Laissez et installez le phare au sol et vous pourrez le sauver et faire les yeux angéliques du mrezha bordeaux.
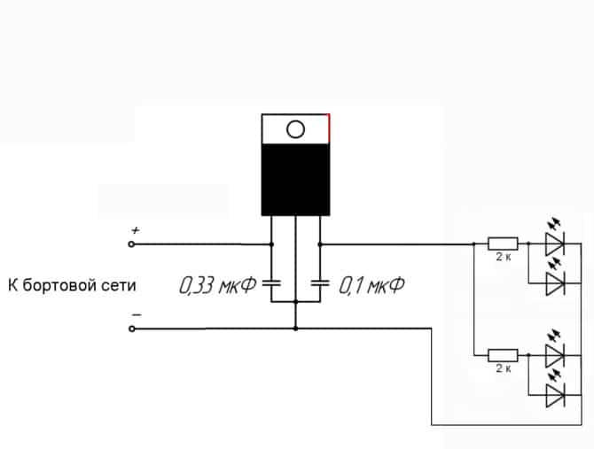
Schéma de câblage Svurzvane kjm pour une voiture
Vous pouvez sauver les yeux angéliques d'une manière ou d'une autre du lampat pour la ligne lumineuse (de manière optimale) et du mrezha bordeaux via une clé supplémentaire et prépositionnelle. Mais sur la lampe et dans la ligne bordeaux avec le moteur en marche, la tension a atteint 14,5 V, et vous avez besoin de 12 V. Envoyons un microcircuit - le stabilisateur KR142EN8B - à l'intégriran. Le schéma de connexion à un produit domestique avec un tuyau et deux LED est le suivant :

Schéma sur un fil pour pardonner les yeux angéliques sur deux LED
Si vous avez besoin de dégager la direction vers le haut de la bande de LED ou le mur, vous avez acheté des LED prêtes ou des grappes de tiges, alors le schéma sur le lien ressemble à ceci :

Schéma sur la led derrière la LED ou yeux angéliques sur le cluster retour kjm sdzharzhanieto ↑
Légalité de l'installation
Jetons un coup d'œil à l'installation légale et indépendante pointue sur les yeux angéliques. C'est la recherche principale, qui est tryabva et être effectuée :
- DRL treabva oui sa blanc à n'importe quelle température de couleur.
- Les feux de jour s'allument tous avec ou à la place des phares pour le cas de la ligne lumineuse et s'éteignent tous lorsque vous allumez la ligne lumineuse.
- Tous ne sont pas gouvernés par le changement de voiture.
- Tous ne changent pas dans les dispositifs d'éclairage standard.
Parve les deux conditions de l'appel à exécution, mais les deux dernières posent problème. Ako garde les yeux angéliques dans les phares, togava règle un audit indépendant sur les phares et brise le quatrième point.Ako manque le farove, dans lequel il est prévu de l'installer sur des yeux angéliques, togawa viole le troisième paragraphe.Dans les bords sur les bords, vous pouvez changer vous-même le farovete en extraterrestres avec des voitures d'un meilleur modèle din, à condition que le modèle est caché de la production. Et VAZ - ovete nyamat loin des yeux.
Ici, nous pouvons nous joindre. Vous savez maintenant comment installer et tourner les yeux angéliques sur le VAZ 2110 et tout ce que vous voulez, vous pouvez l'envoyer vous-même.
Vidéo
PrécédentÉclairage décoratif et réglage Comment et comment installer indépendamment le réflecteur sur le phareSuivantÉclairage décoratif et personnalisation


