Comment pouvons-nous choisir des lampes xénon h11 - 4300K, 5000K, 6000K
Yarkata est uniformément brillant sur le phare de la voiture, garant de la sécurité pour les déplacements dans l'obscurité, mais c'est tellement un signe de la situation sur la voiture. Installez des lampes au xénon dans des optiques modernes. Ce sont izlchvat pour -une lumière vive, kato consumirate pour -peu d'énergie. De plus, les lampes au xénon H11 ont une large plage de température dans la lumière : de 3000 K à 8000 K. Le spectre de la chofiorite est sélectionné individuellement.
Confinement : 1. Différences entre les lampes au xénon H11 et les autres types 2. Crédit de sélection 3. Frais d'installation 4. Quand l'installation du xénon est-elle légale ?
Différences entre les lampes au xénon et H11 et les autres types
Crush, quel que soit le type de technologie, tous montés dans des selles standard en optique. Connecté, comme un nid, il sera produit en trois séries : H, D, HB. Dans le marquage sur la lampe, le chiffre sa a raccourci la trace de la lettre. Ceux montrant la vue de la source à la lumière, ne mesurent pas la connexion et la destination. En règle générale, les optiques pour les voitures domestiques et européennes sont équipées de lampes à culot H11.
Divers raccords sont nécessaires, mais il n'est pas possible d'installer un autre type de lampe dans une base standard. La situation est similaire, parfois shofiorite, dokato colata si, mauvaise substitution pervertie sur les appareils, conduit à des réticences par la suite. L'optique principale ou farovete pour l'obscurité est un dispositif complexe, dont certains sont des réflecteurs et des déflecteurs. Ces nasochvat svetlinata du lampat kum pitya.Ako dirige le promyana dans la conception, assombrit brillamment le yama et cette forme traverse correctement et même aveuglément l'eau. De plus, la puissance de la lampe a été augmentée au point où les éléments chauffants ont grillé ou brûlé dans le câble.

Farove avec une faible lumière au xénon retour kjm sdzharzhanieto ↑
Crédit de sélection
La lampe au xénon a un capuchon en verre scellé avec un gaz inerte et une électrode. Base en métal Montira se vurhu. Chaque fois qu'un courant électrique était appliqué, la tension était élevée avec une haute tension, entre les tyahs un arc électrique montait, une sorte de gaz et de brillance. Impulsion derrière le sol sur le processus de génération dans le bloc derrière le fusible. Le dernier installé dans la chaîne ouverte est stocké et pour chaque lampe séparément. Pour oui, choisissez des lampes au xénon, essayez et déterminez :
- Type d'équipement… Ako kasite et dalgit svetlina ce se combinent, pour tyah ce installé biksenon. Dans ce cas, les optiques peuvent être d'un type différent et un capot est commun. Togava, plus souvent, tryabva et enlève la ligne lumineuse pendant longtemps.
- socle... Caractéristiques sur la selle un boîtier en plastique haut sur le phare ou vous pouvez même le démonter, découper le museau standard et regarder les marquages.
- Pouvoir… Lampite se produit en billets de 25, 35 et 50 vata.
- Température de luminescence... Le bloom sur la lumière vive dépend du paramètre tosi. Pour les appareils au xénon, je l'ai utilisé: avec une nuance - pour 4300 K, avec un bleu - pour 8000 K.

Compatible avec les lampes halogènes et xénon
Classement des meilleurs kits xénon
Une liste de modèles populaires aidera le chauffeur et choisira l'équipement pour installer le xénon dans un phare standard. L'évaluation est basée sur les préférences du client, les commentaires et les résultats des tests.Liste sur les kits nay-dobrite :
- Philips… Un d'une société de technologie d'éclairage ny golem. L'industrie automobile ne fait pas exception. L'entreprise propose une large gamme de produits pour l'installation dans les phares antibrouillard, phares et autres dispositifs. La couverture des lampes au xénon est limitée. Ceux-ci sont installés exclusivement dans la fabrication des kato obiknoveni. Vous pouvez compléter l'environnement et choisir un monobloc - les lampes de l'allumeur de l'appareil, les diriger dans un seul boîtier et séparer la conception. Obtenez un haut niveau d'espoir pour le bien d'un lip-sat sur un conducteur haute tension, prenez soin de l'installateur et de l'assistance.
- MTF (4300K, 5000K)... Fabricant russe d'équipements au xénon (malgré le fait que la société soit enregistrée en Corée). Les caractéristiques du kit vous permettent d'avoir vos propres connecteurs haute tension et vivants. Si vous brûlez l'ampoule, achetez un fil auprès du fabricant ou équipez-le d'un adaptateur supplémentaire.
- Xénite H11... Matériel d'éclairage d'un fabricant sud-coréen, quelque peu dissuadé par les normes internationales. Le xénon brûle uniformément, sans tremblement ni pulsation. L'équipement est adapté au travail dans des conditions climatiques en Russie et la ressource pour un travail imprévisible est de 5 000 à 5 500 heures.
- Sho mi H11… Représentant d'un fabricant sud-coréen. Des bases sensiblement différentes vous permettent d'installer le kit sur presque toutes les optiques et d'allumer les modules de la 4ème génération, ils l'ont prouvé en russe.

Kit xénon MTF retour kjm sdzharzhanieto ↑
Frais d'installation
Il est possible de s'équiper d'une optique pour un phare avec une lampe au xénon (makar et non souhaitable).Allez-y et allez au magasin et achetez un kit, vérifiez-le et déterminez le type de phares. Ako e est réflexif, la marchandise est clairement retirée pour l'utilisation du xénon. Les appareils Takiva ne peuvent pas former correctement un flux lumineux, ils vous aveugleront également au carrefour du chauffeur.
Ils sont marqués sur l'optique (généralement sur le verre). La désignation sur le phare est "H" ou "D". Prviyat montrant l'utilisation de phares halogènes, ce qui signifie qu'il est impossible d'installer du xénon dans le phare. Jouez scho si aveugle et sauvez le shofyori. La lettre "D" signifie que l'optique est prévue pour un montage sur xénon H11 ou avec un autre type d'embase.
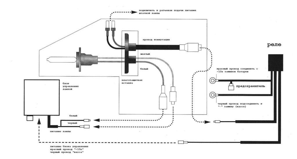
Schéma sur le fil
Vous pouvez installer des équipements supplémentaires, sans pré-accoupler le phare, mais c'est beaucoup plus pratique et travailler avec le démontage de l'optique. Dans le bon sens, oui, laissez le farovete pour la brume être avec l'armure - plus tryabva et fixez le bloc pour le piège de la pierre. Séquence sur l'installateur :
- Retirez la sortie positive ou négative de la batterie.
- Débarrassez-vous du capuchon de protection sur le phare, pressez le ressort, qui est fixe.
- Débarrassez-vous de la lampe, balancez le conducteur.
- Au centre sur la puce, à droite une ouverture d'un diamètre de 25 mm.
- Installez la lampe au xénon dans le connecteur. Câble se vkarvat prez schepsela.
- La lampe est fixée avec des supports standard, un capuchon de protection et montée sur la viande.
- Un allumeur était placé à proximité immédiate du phare. Vous pouvez le fixer à un ruban adhésif double face, mais il est préférable de le fixer avec des attaches métalliques.
- Installez l'optique au sol, câblez le conducteur. D'une longue distance à un câble, qui se usukva in prusten et se zavarzva kam part, fixant kam tyaloto.
- Retirez la batterie, vérifiez le travail sur l'équipement.
- Réglez le phare.

Schéma sur le fil retour kjm sdzharzhanieto ↑
Quand l'installation du xénon est-elle légale ?
Servir dans les forces de l'ordre et surveiller de près la loi. Surveillance de l'état technique de la nma oui il y a une exception. L'inspecteur au CAT peut vérifier la conformité sur la roue, montage dans le phare, avec paramètres, déclaration du constructeur. En cas d'infraction (installation de xénon dans l'optique réflexe), il est plus probable de détruire le certificat de contrôle conformément à la partie 3 du membre 12.5 du Code administratif de la Fédération Ruskata. La contre-dépouille sur l'équipement standard n'est pas autorisée, parfois:
- Montage sur lampes xénon dans un phare spécial.
- Renforcé sur un câble ou utilisé sur un relais inter-retard.
- Equipement supplémentaire pour l'optique avec un correcteur de circonférence sur le phare.
Le xénon est une bonne alternative aux bouchons halogènes et se bloque avec un hot bug. Toy e est irritable et izlchva mek, mais la lumière de la lumière est forte. Vous pouvez équiper la colata avec le nouvel équipement en service ou par vous-même. N'essayez pas de toute façon, rampez là-bas, c'est inacceptable. Il est important que vous respectiez la loi et que vous payiez pour la sécurité routière.
PrécédentXénonSuivantXénonCaractéristiques et particularités du xénon D2S



