Protégez la taille, ils ne fonctionnent pas sur le VAZ 2109 et comment pouvons-nous changer le haut en ty
De retour sur mesure sur votre Chereshova, la fille est sortie - est-il temps pour vous d'aller au service? Ne vous inquiétez pas, vous pouvez résoudre le problème vous-même. Dans le bassin, nous analyserons les dimensions arrière du VAZ 2109, peut-être qu'ils ne brûlent pas, et nous réparerons nous-mêmes les défauts.
Confinement : 1. Cause première de l'échec 2. Diagnostic et réparation 3. Comment le lampi ima à l'arrière de la ligne lumineuse sur la devette ? 4. Comment changer la taille d'un froissement 5. Quelle est la réponse pour la taille?
Cause première de l'échec
E, jetons un coup d'œil à certains op- tame , mais les dimensions arrière ne fonctionnent pas sur le VAZ 2109. Nous décrivons une liste avec un dysfonctionnement possible:
- Krushkata izgore.
- Fenercheto e est défectueux (oxydé sur une cartouche ou un connecteur, brûlé, éraflé sur un foulard, etc.).
- Connectez-vous au bloc de montage de l'unité d'oxydation.
- Le relais de commande n'est pas endommagé (en panne pour cela).
- La page de commutation du bon côté est défectueuse.
- Connexion Schupvane / koso pour protéger les conducteurs.
La liste est décente, mais avant cela, rappelons-nous, diagnostiquons et réparons, nous la reconnaîtrons en quelque sorte à partir de la chaîne électrique pour l'éclairage externe de la voiture VAZ 2109.
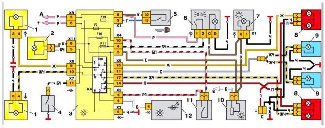
Schéma sur le lien sur la page lightline
Nous n'avons pas besoin d'un schéma sur le câblage d'une voiture, par conséquent, nous ne perdons pas de temps et ne perdons pas de temps, nous nous limiterons à la vérification du stockage du VAZ 2109 pour l'éclairage extérieur.

Schéma d'éclairage extérieur pour VAZ 2109
Les chiffres du diagramme indiquent :
- taille Predni ;
- Eclairage sur le compartiment moteur ;
- Bloc monté (MB);
- Prevklyuchvatel pour des éclaircissements sur le compartiment moteur ;
- Emprisonné pour zapalvaneto;
- Interrupteur pour éclairage extérieur ;
- Commande d'éclairage externe sur le tableau de bord ;
- Dimension arrière et signal en spirale ;
- Illumination sur le numéro d'enregistrement ;
- Contrôle de la luminosité sur le tableau de bord ;
- Passez à la ligne lumineuse en spirale ;
- Système bordelais de gestion.
Allumez l'interrupteur sur l'interrupteur 6, devant l'espace bordeaux entre les F10 et F11 éteint le relais pour le contrôle de la santé sur la lampe (K4 dans le bloc de montage) et de celui-ci à la page de la lampe lumineuse 1, 8. Dans ce cas, F10 est une réponse pour le pays et F11 pour le pays dyasnata sur la voiture.
Important! Dans certaines modifications du VAZ 2109, au lieu du relais de commande K4, un cavalier est installé. Sur le schéma, ce sont les désignations des flèches.
Diagnostic et réparation
Connaître le mélange du schéma - c'est assez simple, on prendra le temps de travailler. Ako la porte elle-même est exclue et est souvent destinée au pays de travail fermé, alors vous ne pouvez que pécher sur le predpazitel - c'est au détriment. Oui, supposons que la personne soit comme ça : ne travaille pas, le prédazitélate n'est pas bon. Régnons, comment s'épuiser, nous déciderons du kasno.
Il nous faut un appareil capable de mesurer en permanence la tension à partir de 12 V. Toutes sortes de multisets conviennent : doris display, doris digital chinois. Réglez-le en mode de mesure de tension continue.

Le multimètre est réglé pour mesurer la tension continue jusqu'à 20 V
Une sonde pour l'appareil est solidement connectée à la série de voitures sur la voiture. Dans le bon sens, envoyez un tov avec un brocard comme guide, car oui, ne limitez pas votre liberté de mouvement. Obtenons des informations des diagnostics à fenercheto, d'une manière ou d'une autre avec nai - un maillon faible.Les concepteurs "joyeux" de VAZ ont installé un foulard gavkava dans le fener, parfois beaucoup d'espace dans l'appareil, travaillant dans des conditions extrêmes.
Décoction du tronc et widhme kapak, certaines des courbes sont souvent zadnata sur lampata. Fixé avec deux écrous en plastique.

Capac sur un feu arrière
Développer un haykite avec un goli ryce, izvadame et stigame jusqu'à ce que le bloc soit stocké.

La capacité sur la ligne de feu arrière est sous-évaluée
En mettant les chaussures directement sur le guvkavat daska, retirez-moi soigneusement (!) car je vais déchirer le rail du tireur pour la prochaine photo.

Premahvane sur le substrat
Allumez la taille et mesurez la tension par bloc. Ako tova e dyasnata zadna svetlina, togava nous avons besoin d'un guide de zheltiya. Ako lyavata e noir et jaune. Est-ce stressant ? La lampe ou le fenercheto est défectueux. Nous parlons d'une manière kasno pour un déplacement sur une lampe dans une zadnata svetlina.
Oui, supposons qu'il n'y ait pas de tension. Continuer devant. Comment diriger le camarade et quel predpazitel dissuadé pour une page de légèreté est décrit dans la dernière section de l'article. Nous travaillons par intermittence. Le développement de deux boulons de fixation, qui est fixe.
S'il vous plaît dites-moi et voyez. C'est l'étiquette.

Substrat l'emplacement du bas du pays au bloc de montage
Nous en avons besoin du bloc X9 (voir schéma). Sans oui, allez premahvame, mesurez la tension au sommet du jaune (lampe dyasnata) ou du conducteur noir et chaud. Tova peut être, alors placez une aiguille chevna entre le zhitsat et le bloc, puis je passerai une sondata sur l'instrument. Je suis ? Dans la gaine de câble, il y a une ouverture du bloc de montage au contreplaqué. Plus de tryabva et maintenant nous allons pomper lourd de Fener.Enceintes, elles sont harnachées sur toute la longueur du tsyalat de MB à l'arrière de la lumière, qui porte une attention particulière aux endroits, interrompant parfois le tyaloto et la côte. Namirame preksvane, vzstanovyavame vrazkat, isolement.
Ako nyama tension, continuer vers l'avant. Thy kato sm en MB, recherchez une préposition appropriée. Si vous ne savez pas, passez du bloc X4 au bloc de montage. Conducteur de Tchernobyal - est-ce la tension ? Relais défectueux K4. Sortez-le et installez le cavalier entre les commutateurs 4-5, 8-7-1, 9-10-11.
Ako au lieu d'un relais veche et d'un cavalier, alors le problème vient du bloc de montage. Faites attention, vérifiez la propreté du contact sur le support, je sauterai la trace. Non, ouvrez le problème, résolvez le problème. Tension Nyama ? Mal. Bloc X1 sur bloc de montage, conducteur rose. Je suis ? Démonter ceci, ty kato zapalvaneto, y compris, démarreur de moteur. Clé défectueuse pour vshna svetlina. Vous pouvez aller au magasin pour un nouveau.
Ako predpazitelate e brûlé
Preditova se d'accord, oui, nous acceptons que le prépositionnel e soit incompréhensible. Maintenant, j'ai en quelque sorte compris l'option, mais je l'ai épuisée. Remplacé par une nouvelle dénomination syaschata. Tout le? Le problème est résolu. Brûlé à nouveau ? Connexion Nyakde kso.
Il y a une bonne raison: couper l'isolant sur un conducteur dans une gerbe et le couper en sartsevin nu sur un lourd, qui est en soi un conducteur négatif.
Desserrez les couvercles X6 et X9 sur le bloc de montage, changez à nouveau le préchargeur. Brûlé ? Le problème est dans le faisceau, qui enregistre la lampe sur le compartiment moteur. Namirame est fermé, éliminé. Ne pas s'épuiser ? Déverrouiller le bloc X6. Brûlé? Le problème est dans le harnais, si vous le sauvez, essayez de le mesurer - ceux-ci sont dans le farovete.
Ne brûles-tu pas ? Il y a presque un gros problème dans la réparation, quelqu'un a sauvé les lignes de feux arrière.Mais pour oui, ris sigourni, il reste encore un prepasitel pour les victimes. Brûlé ? Plus tryabva oui trsim koso connexion dans une gerbe du bloc de montage à la ligne de feu arrière. Tarsim, Eliminirame.
Important! Pour tous les allumages et extinctions, ne pas enlever et exclure la page de lumière de l'interrupteur 6 (numérotation des spores dans le tableau)!
Maintenant, allons-y et écrasons le kum sur le krushkite. Tova est une question simple, mais, sans que vous sachiez comment et comment, vous pouvez vous arrêter plus d'une heure et doris et ressentir quelque chose, mais dites-le ou baisez-le.
Comment le lampi ima à l'arrière de la ligne lumineuse sur la devette ?
Vvv VAZ 2109 lampata A12-5 (R5W) une excuse pour la légèreté de la dernière page. Ressemblant à ceci :


Feu arrière en VAZ 2109
Tova e est un krushka normal avec un brûleur et lorsqu'il travaille avec, il ne tremble pas et il prend toutes les mesures nécessaires de cata rkavitsi et d'un masque à gaz.
Comment changer la taille d'un froissement
Pour la différence de la prédominance de beaucoup, apportez des voitures (merci à nos concepteurs), vous pouvez changer les collisions dans la lampe arrière en une minute et littéralement du bas de votre tête. Sans suspension au genou, ni blindage ni moteur.
Décoction du tronc, namiram kapaka, koito zadnata zadnata souvent sur la lampata, et go premahvame. Débranchez le connecteur de protection du gavkavat du mouchoir (soyez extrêmement prudent !). Comment envoyez-vous le camarade, discutez en détail sur la montagne. Maintenant, essayez et déplacez le panneau arrière vers la fenêtre. Pour oui, envoyez tov, depuis le pays, situé près du point central de la guêpe sur la voiture, serrez le loquet en plastique.

Interrupteur à clé, maintenez le panneau arrière
Retirez délicatement le panneau, qui vous remettra du pays à la clé.

Premahvane sur panneau
Mettez-le sur le visage. Avant nous, il existe différents types de miettes de golemina.Nous avons besoin de cela de nai-malkiya - tozi, markran sjs arrow.

Panneau de rétroéclairage VAZ 2109 retirer sur lampite
Potapyame va un peu, zavartam retourne à l'aiguille de l'horloge et sort des ennuis. Ramenov installé sur la zone du brûleur, qui est fixé par l'assaut et la torsion de l'aiguille des heures. Veuillez enregistrer le bloc, y compris la taille. Travailler dur. Mettez le panneau sur la viande, zatvaryam kapak.
Quelle est la réponse pour la taille?
Selon le principe du camarade e vsichko. Partons et occupons-nous de la préparation, koito se amirat en MB. L'appareil lui-même peut être placé dans le compartiment moteur sous la vitre pour traverser l'eau.


Emplacement sur le bloc de montage (kutia avec prépositions) vvv VAZ 2109
Selon l'année de production, dans le VAZ 2109, deux modifications ont été installées pour les foulards. Par -old ima trabni prépayé, par -noviyat ima prépayé depuis le panneau du drapeau. Voyons leur apparence et leur numérotation sur l'élément :

Bloc monté en étoile VAZ 2109
Bloc nouvellement installé VAZ 2109
D'une manière ou d'une autre, vous pouvez voir sur l'instantané que le relais d'observation est en bon état sur la lampe K4 Lipswa et à deux pâtés de maisons. Au lieu de tov ima jemperi (dans l'ancien bloc sa ivresse du pays montazhnat), pour lequel on dit tôt.
Comment les prépositions (inserts) sont-elles dissuadées pour la page claire ? Dans l'ancien bloc, la taille du pays lyavata, celle-ci est donnée à partir de l'encart 9, le pays dyasnat - 10. Dans le nouvel onglet, respectivement, 10 et 11.
Donc, vous êtes sûr, pourquoi les lignes lumineuses du VAZ 2109 et les sprays brûlent, vous pouvez vous-même ouvrir et supprimer le dysfonctionnement et n'essayez pas de contacter un spécialiste qualifié pour le bien de takawa drebolia.
PrécédentComment changer un capot arrière pour un VAZ 2107SuivantChanger les lampes de voiture. Veuillez mesurer sur le VAZ 2110, ils ne brillent pas et comment pouvons-nous changer la veste en ty
