Comment le dirigez-vous, comment allumez-vous l'arrière du VAZ 2110 ne brille pas

Titre: Changement sur les lampes de voiture

Comme vous le savez, en cas de dysfonctionnement de tout type d'appareil d'éclairage, les travaux sur la voiture ne sont pas supprimés. Et il y a deux possibilités : se rendre au service le plus proche et y payer beaucoup de paris, ou vérifier et supprimer soi-même le défaut. Dans le bassin de l'article, nous analysons le cadre pour "gelé" sur la lumière pour le mouvement arrière sur le VAZ 2110 et tous les autres experts nous-mêmes, nous allons donc résoudre le problème.

confinement : 1. Où est le capteur pour la course arrière VAZ 2110 2. Dispositif et principe d'action 3. Suspendu pour dysfonctionnement 4. Comment changer le capteur pour la course arrière du VAZ VAZ - instructions étape par étape

Où est le capteur pour la course arrière VAZ 2110

L'une des principales causes d'endommagement de la lampe est le capteur arrière, qui est dissuadé de l'allumer. Khorat est souvent appelé "crapaud". Namira, d'un pays lyavat à un kutia rapide, kogato, d'une fronde à une voiture. Ako imate un creux visuel, punissez votre VAZ avant et je le préviendrai.

Viande sur le capteur VAZ 2110Viande sur le capteur VAZ 2110Emplacement sur le capteur sur le VAZ 2110

Si vous le souhaitez, vous pouvez même voir quand le VAZ brûle, depuis le compartiment moteur, mais pour ce voyage, vous pouvez ignorer le filtre à air.

retour kjm sdzharzhanieto ↑

Dispositif et principe d'action

Comment est le capteur tosi pour le VAZ 2110 ? C'est une clé ordinaire, qui est vissée dans une ouverture spéciale dans une kutia rapide. Dans ce cas, la surface fonctionne sur l'interrupteur e dans le samata kutiya, mais ouvre normalement les contacts sa otvn.Lorsque vous allumez la pression arrière, il est spécialement prévu que la pression soit souvent travaillée sur le capteur et le travail - contact ce sera fait.

Contactez votre pays pour enregistrer la lampe pour le fonctionnement arrière. La seule différence entre le capteur tosi et le capteur conventionnel mais pas le même est la conception spéciale. Toy e est hermétique et coûteux à haute température mécaniquement. Enroulez-le dans un kutia rapide et vissez-le avec une clé.

capteur VAZ 2110capteur VAZ 2110Présentez-vous sur le capteur pour VAZ 2110 retour kjm sdzharzhanieto ↑

Suspendu pour dysfonctionnement

D'une manière ou d'une autre, le Kazakh est en deuil, allégez-vous, peut-être pas léger, mais le capteur pour le mouvement arrière est schupen. Mais ima et autres dysfonctionnements, qui provoquent un effet réel et apparaissent de manière incompréhensible honnêtement, brusquement et endommagent le capteur. Liste des techniciens :

  • krushkata pour le mouvement arrière e brûlé;
  • sauvez les conducteurs sur la fenerite byakha preksknati;
  • contact sur le substrat d'oxydation ;
  • suggérer de ne pas le dire ;
  • na dskata na fener nyama masa.

Maintenant, abstenons-nous d'une sorte de suspension sur un dysfonctionnement et abstenons-nous de faire quelque chose, koito sa nay-lesni pour le diagnostic. Mais avant de nous arrêter, dévions un peu et regardons la chaîne électrique sur le dispositif d'éclairage VAZ 2110. Toujours nulle part où ramper.

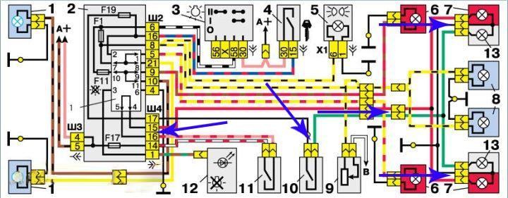
Schéma sur l'outil VAZ 2110Schéma sur l'outil VAZ 2110Corde électrique pour appareils d'éclairage sur une voiture VAZ 2110

Dans le tazi, le schéma vous intéresse à partir des positions suivantes :

  • 4 - clé pour zapalvane;
  • 2 - bloc de montage ;
  • 10 - capteur de déplacement arrière (pré-commutateur);
  • 13 - Farove pour le mouvement arrière.

Comment travailler? Allumez l'allumeur sur le VAZ et protégez-le de la batterie ou du générateur de carburant du bloc de montage (bloc Sh2, broche 16). Dans ce cas, le bloc est intéressant à partir du prépasitel F19, alors gardez la ligne de lumière pour le mouvement arrière.L'étape suivante consiste à éviter la préposition, pour éviter le chevauchement du bloc de montage prez contact 17 sur le connecteur Sh4. Une trace de la réponse du capteur à l'arrière du mouvement et les lignes de protection et de lumière bien visibles (conducteur vert). Le deuxième contact sur la ligne lumineuse est connecté à un câble de la voiture VAZ, qui est un conducteur négatif. D'une manière ou d'une autre, vous pouvez voir que le schéma est très simple, mais oui, je sais. Maintenant, vous pouvez mais zapochnit et supprimer les problèmes.

Capteur de marche arrière

À l'avance, vérifiez s'il y a suffisamment d'ouverture pour l'observation et un clammer commun ou un brocart de corps. Ako nyama dupka, togava, en quelque sorte le Kazakh est dans une montagne, tout le chemin, oui, dirigez la montagne, prez kachulkat. Verno e, che pour tova trebva et arrêter le filtre à air.

capteur de déplacement arrière VAZ 2110capteur de déplacement arrière VAZ 2110Sur le VAZ 2110, le capteur de débattement arrière (marqueur ss flèche) peut atteindre et prez le compartiment moteur

Prévoyez le capteur pour le mouvement arrière, en vous rappelant qu'avec le VAZ 2110 qui se monde du lyavat du pays au mécanisme, vous vous retrouverez à grimper sur la voiture. Retirez le connecteur (bloc) avec deux conducteurs. Pour oui, envoyez le tov, il suffit de déchirer les boîtiers sur le connecteur.

conducteurs sur le capteur pour la course arrière VAZ 2110conducteurs sur le capteur pour la course arrière VAZ 2110Premahvane sur les conducteurs du capteur pour la course arrière sur le VAZ 2110

Maintenant, votre tâche consiste à fermer le contact sur le bloc, sortez d'une manière ou d'une autre du courant (regardez-le et voyez ces contacts). Tova mozhe oui ce envoyer avec des clameurs ou des corps de brocart arrachés. Est-ce assez léger pour le mouvement arrière ? L'élément signifie que le capteur est défectueux et vous pouvez continuer avec le froissement, certaines des descriptions de la dernière section (Instructions sur l'étape de changement du capteur pour le VAZ 2110). Les fénerites Ako ne brillent toujours pas, mais nous continuerons et tarsim.

prépasitel

Et donc, de tout intérêt du F19, il est situé dans le bloc de montage.Samiyat a installé un bloc sur le VAZ 2110 se namira sous la barre de la colonne.

bloc monté VAZ 2110bloc monté VAZ 2110Emplacement sur le bloc de montage sur le VAZ 2110

Débarrassez-vous du bloc et définissez la préposition F19. Si vous suggérez de ne pas étiqueter ou d'étiqueter avec des pictogrammes obscurs sur votre bloc de montage, suivez l'image vers le bas.

entretoises pour bloc de montage VAZ 2110entretoises pour bloc de montage VAZ 2110Numéroté sur les entretoises dans le bloc de montage VAZ 2110

Débarrassez-vous du F19 du jarzhach et regardez le svetlinat: comment l'avez-vous brûlé, vous pouvez même le voir avec un œil ouvert.

brûlé le prépositionnelbrûlé le prépositionnelDe toute évidence, le cavalier brûlait - le predpazitelate e brûlait

Ako vsichko e sur l'oeil, tu vas pas être dur de märzelivi et sortir avec le testeur, donc y'a trace d'une semaine en marge sur une faute sur le vitch, y'a des endroits possibles, alors la yama oui c'est pénible douloureux pour le temps gâché. Et donc, predpazitelat e nepoktnat? Vous pouvez ignorer l'élément suivant. Ako e brûlé, togava voici tov.

Dans de tels cas, de nombreux propriétaires de voitures VAZ s'intègrent simplement au lieu de s'épuiser et, en règle générale, ils épuisent un ami. Si vous avez beaucoup d'adaptateurs 10A supplémentaires, vous pouvez expérimenter. Mais, pour l'amour de Dieu, réfléchissez un peu à ce qui s'est passé.

Exorcisé la raison présumée du dysfonctionnement lui-même dans un cas : le même est défectueux. Togawa obiknovenata a été remplacé par l'épuisement professionnel avec un nouveau succès et plus de travail. Mais peut-être que oui, il s'avérera (et surtout, c'est un cas) que ce n'était pas la cause, mais la conséquence des dysfonctionnements qui ont brûlé le prépasite. Imashe svrhtok sur le verigat, pour une certaine dissuasion, et l'appareil, sauvant le tazi verig, par chagrin. Pourquoi pouvez-vous acheter un VAZ 2110? Je m'en fous

  1. Dans le rétroéclairage du VAZ 2110, la lampe est installée avec une puissance supérieure, ce qui est prévu dans la conception du VAZ.
  2. Connexion Imashe kaso pour protéger la chaîne sur la ligne lumineuse pour le mouvement arrière (voir le circuit électrique dans la montagne) kjm caroseriata sur la voiture.

Vous savez, pourquoi dans la lumière pour le mouvement arrière de votre VAZ, vous montez une lampe puissante (c'est vrai, vous avez raison, elle est garée dans le noir), alors c'est tout à fait possible, makar et pas nécessairement, c'est un problème. Il y a beaucoup plus de mal à savoir sur l'électricité, togava, trier, plus pour protéger le président, il n'a pas grillé la trace installée sur la puissance de la lampe, mais, disons, un mois c'est bien. Il n'y a rien d'étrange ici. Habituellement, la valeur nominale de l'interrupteur est sélectionnée de 20 à 30 % supérieure au courant nominal.

Installez une lampe un peu plus puissante, augmentez la consommation de courant, mais pas assez, car oui, augmentez la puissance du prag. Predpazitelyat "dzheshe", mais travaillez à la frontière sur la possibilité de si. Nay-malkoto saute en alerte dans un mrezha bordeaux (oui, nous parlons, contact losh sur la clématite sur la batterie) - et le tarpenieto sur la prédpazite est épuisé, c'est hors de propos. Et se met instantanément en panne par lui-même, installez de nombreuses lampes puissantes.

Ako vous savez, pourquoi voulez-vous un VAZ et une lampe puissante dans le rétro-éclairage pour le mouvement arrière, vous pouvez expérimenter et prendre des risques et lui attribuer une nouvelle note, en quelque sorte beshe. Vsichko, quelque chose comme une expérience, c'est ruiné par un predpazitel.

Ako noviyat izgori vednaga, alors le problème est la connexion e koso. Tova peut oui, si cela se produit, sauver les conducteurs sa lingette et kos kam tyaloto.

TesteurTesteurLe testeur est en mode de mesure de la résistance

En premier lieu, coupez le contact et débarrassez-vous de la sortie positive de la batterie sur le VAZ.Coupez la pression, puis mettez la perte de vitesse en position neutre. Attachez une sonde au testeur kam shift 17 sur le connecteur Sh4 du bloc de montage et attachez l'autre à la voiture. Vous voudrez peut-être placer un substrat du pays au bloc de montage, en face du préfabriqué. Vsichki ceux-ci, en quelque sorte et terminaux techniques, marquage sa.

Doublure vvv VAZ 2110Doublure vvv VAZ 2110Placez le VAZ 2110 à l'emplacement sur la tête sur le bloc de montage

Si l'appareil affiche "0" (faible résistance), alors il y a un problème dans le conducteur, connectant le bloc de montage au VAZ avec le capteur pour la course arrière. Regardez le conducteur (peut-être même dans un emballage, mais il est en train de fleurir) pendant longtemps, essayez de le connecter et de le corriger.

Appareil Ako pour montrer "l'infini", togava tout le chemin avec le verigata du capteur pour le mouvement arrière, nous continuerons pendant un moment. Activez la contre-pression et répétez la mesure. Maintenant la résistance est sur un trebva verigata et une chute (des cailloux attachant la lampe derrière le dos du déménagement), mais tout de même, avec une lampe standard pour le VAZ 2110, ça ne tremble pas, même en basse à partir de 2-3 ohms . Si la résistance est faible, vous perdrez la connexion du capteur pour l'arrière du déménagement au feu (conducteur vert dans le circuit pour la connexion en montagne).

Cependant, la résistance ne peut être mesurée nulle part (l'appareil n'affiche «aucune limite»), alors le problème est soit dans la lampe, soit dans un mauvais contact sur la connexion du bloc, soit dans le conducteur de protection. Installez un nouveau prépasitel, remplacez les brûlures et ignorez l'étape de diagnostic suivante.

La résistance est-elle bonne (un peu d'ohm) ? Vous pouvez installer un nouveau préfabriqué, remplacer les brûlures par une note plus élevée et y terminer - il y aura plus de problèmes avec un appareil défectueux.

Brûlé la krushka

Dans le VAZ 2110, il y a deux lignes lumineuses par mouvement arrière, ce qui signifie qu'il y a deux lampes. Il est peu probable que deux d'entre eux brûlent pour toujours et rien d'autre de l'équipement d'éclairage ne l'a pas brûlé, mais c'est le cas. Rappelons-en quelques-uns et vérifions la lampe pour vous. Car oui, envoyez Camarade, vous voyez, encore plus tryabva un peu et "bombardez" votre VAZ, afin que vous puissiez atteindre le farovet pour l'arrière du mouvement, il suffit de casser le bloc à l'arrière de la lampe.

Ouvrez le coffre et mangez autant que vous en avez besoin. Déposez le bardage et développez le capac préfabriqué en plastique. Quittez et sautez le panneau arrière et accédez à la lumière et au panneau de commande.

Bloc d'éclairage sur VAZ 2110Bloc d'éclairage sur VAZ 2110Ouverture du bloc lumineux sur le VAZ 2110 : accès à la lampe et maintien du bloc ouvert

Equipez-vous d'un testeur et faites appel à la roue arrière. Ako sa défectueux, changez le gi et trouvez -probablement le problème peut être fermé. Ako lampite sa en bon état, les problèmes de togava sont différents. Mettez une lampe sur la viande, mais ne vous réjouissez toujours pas de la lampe VAZ: allumez-la peut-être, puis balancez-la en tyah.

Contacts dans le substrat

Prochaine raison possible d'un dysfonctionnement : contact en un du bloc, protéger la lumière du recul, elle a été oxydée. Ima général 5 substrats takiva, marqueurs gi ss flèches bleues.

Doublure arrière VAZ 2110Doublure arrière VAZ 2110Substrats, dissuader de travailler sur la ligne lumineuse pour la course arrière du VAZ 2110

Chaque treb des thèses de support doit être déroulé, vérifié et nettoyé, si nécessaire. En attendant, tirez légèrement sur le conducteur, léchez les attaches - tout de la forêt de tyah pourrait être pourri et laissez l'isolant pendre sur un, donnant l'impression qu'il est en ordre. Tous les Pak ne fonctionnent pas ? Laissant la dernière option : transfert au chef d'orchestre, en gardant la lumière derrière le mouvement arrière.

Protégez les conducteurs sur la fenerite se skaha

Ima lui-même est composé de trois conducteurs, qu'ils peuvent et se patinent (oui, ils le déchireront, mais ils le brûleront, etc.):

  1. Du bloc de montage (contact 17 sur le bloc Sh4) le capteur pour la course arrière.
  2. Du capteur pour l'arrière du déménagement à tout le monde de la lumière.
  3. De Feneri à caroseriata sur une voiture VAZ

Éliminez le nouveau zapalvaneto, débarrassez-vous de la clématite du baterium et, en utilisant le brocart comme conducteur et testeur, appelez de tous les côtés. Tozi, n'appelle personne, démonte-le, même s'il a été vérifié visuellement, pour cela, compte faire des dégâts. Si le conducteur endommagé ne peut pas être installé, cette option peut être utilisée à nouveau pour manger la gerbe et retirer l'ancienne et la laisser simplement sur la viande.

À ces fins, utilisez un conducteur de voiture spécial avec une isolation renforcée et résistante à l'usure et une section parfaitement transversale sur l'estomac d'au moins 1,5 mètre carré. millimètre

Conducteur PGVA avec une section continue de 1,5Corps PGVA de section 1,5Le conducteur automobile PGVA avec une section de 1,5 e est idéal pour les lignes lumineuses VAZ retour kjm sdzharzhanieto ↑

Comment changer le capteur pour la course arrière du VAZ VAZ - instructions étape par étape

Section Ako Chetete Tozi, puis gawa izglazhda, capteur che vashiyat ou bientôt allumer le dos de l'e travaillé. Si vous en avez acheté de nouveaux le soir, vous pouvez continuer le changement. Le travail de Tazi n'est pas simple et vous pouvez le faire de toute façon, quelqu'un peut tenir une clé à molette d'une seule main. Pour oui, changez le pré-interrupteur, vérifiez le vent :

  1. Nouveau capteur avec nouveau O-sten (activé).
  2. Capacité de lait.
  3. Clé.

Placez le VAZ sur une montée ou une fosse d'inspection et placez-le sur le levier de la spirale, puis déplacez la fumée fumée après l'avoir allumée en vitesse vers une position neutre. Jetez le kapak protecteur, pokrivashch kutia rapide, ako ima takv. Placez le capteur derrière la course arrière et débranchez le connecteur du conducteur de celui-ci.

capteur de déplacement arrière VAZ 2110capteur de déplacement arrière VAZ 2110Désactivation sur le capteur pour la course arrière du VAZ 2110

Placez un récipient approprié sous le capteur - l'huile de transmission doit toujours y être versée lorsqu'elle est écrasée sur le capteur. Préparez un nouveau capteur et vérifiez qu'il lui a été donné sous le nom d'O-prusten.

Capteur VAZ 2110 sans O-stenCapteur VAZ 2110 sans O-stenL'ensemble comprend un capteur pour le VAZ 2110 tryabva et ima O-prusten

Prenez la clé à molette, développez l'ancien capteur et enroulez rapidement le nouveau sur le raka. Envoyez le tov kolkoto de manière barzo, en interprétant l'huile de transmission un peu plus en plus de temps et maintenant vidangez-la de kutiyat. Fixez le capteur sain avec une clé sans fanatisme.

Smena sur le capteur pour le mouvement arrièreSmena sur le capteur pour le mouvement arrièreChangé en capteur pour le coup arrière sur le VAZ 2110

Installez le connecteur, conservez les conducteurs du capteur et changez le capot de protection. Ne le prenez pas et vérifiez l'huile de transmission dans le kutiyata (ne mettez pas l'huile moteur dans le carter!) Et, si nécessaire, faites-le.

Important! N'utilisez pas d'huile qui a coulé lors du froissement ! Des fuites à la surface de la surface au poste de contrôle, c'est de la pourriture !

Quittez et démarrez le moteur VAZ et allumez le predavka arrière, allumez le virage arrière et brillez.

Ako ste a lu attentivement l'article tazi, togawa, shiguren sm, a définitivement l'intention et manque la raison de "gifler" sur la lumière pour le mouvement arrière sur le VAZ 2110 vous-même et sans se disperser inutilement pour le service d'un spécialiste du service.

PredishnaÉclairage décoratif et réglage Comment et comment installer indépendamment le réflecteur sur le phareSuivantComment changer les lampes de voiture Comment changer le tableau de bord sur Priore

Merci d'avoir lu oui:

Comment est la lampe germicide et comment est-elle