Spécifications des LED de puissance 5730 et application
Titre: LED 
La LED de la série smd 5730 est l'une des meilleures sources de lumière dans sa propre catégorie. Ce produit doit être la combinaison optimale des principales caractéristiques techniques : taille, flux lumineux et puissance électrique.
Confinement : 1. Dimensions et paramètres 2. Demi à Wat 3. Quelqu'un rampe 4. Bande LED 5730
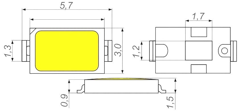
Dimensions et paramètres
LED SMD 5730 e-bright, ce qui explique en quelque sorte la popularité des autres sources LED dans la lumière.
Les principales caractéristiques techniques de la led SMD 5730 sont présentées dans le tableau suivant :
№
p.p.
Spécifications techniquesunité de mesureStabilité mesurée1Flux lumineuxLm45-50/110+2Énergie électriqueW0,5/13Température de fonctionnementС– 40 – + 654Température de stockageС– 55 – + 1005Température de stockageС3006Courant nominalmA1507Tension de fonctionnementV3,1–3,38Dimensions géométriques (L×l)mm5,7×3,09L sur 12010 Indice de transmission lumineuse Ra60-8011 Température de couleur OUI CE3000-7500
Pour votre information! La température sur e de couleur claire est donnée dans toute la gamme d'éclat de type blanc : chaud (3000–4000K), neutre (4300–4800K), blanc pur (5000–5800K) et glacial (6000–7500K).

Cote cms 5730 retour kjm sdzharzhanieto ↑
Demi à Wat
Bientôt, sur le marché des produits d'éclairage, de nouvelles modifications sont apparues sur les LED de la série en question.
Distinguez-les des modèles kato standard sativa avec une puissance de sortie élevée et un rendement lumineux accru.
Important! Modèle d'une puissance de 1.0 W ca marquage kato 5730-1 et ca équipement à deux cristaux. Le débit de Svetlinniyat dans un tel appareil peut être de 158 lumens.

Utilisé sur smd 5730 en production sur les lampes de voiture retour kjm sdzharzhanieto ↑
Quelqu'un rampe
En raison de ses caractéristiques techniques, qui permettent d'obtenir une luminosité élevée à faible puissance électrique, la led SMD 5730 est largement utilisée dans la production de divers dispositifs d'éclairage, à savoir :
- sources d'éclairage (lampi), pour l'éclairage artificiel de pièces à usages divers;
- Lampes automobiles pour divers types d'utilisation (éclairage extérieur, signalisation lumineuse, rétro-éclairage);
- Illuminateurs externes du corps;
- Bandes LED utilisées pour l'éclairage artificiel, l'éclairage et la décoration à l'intérieur comme à l'extérieur.

Ampoule à culot E27, avec smd 5730 
Spot LED, modèle "11000LM" avec détecteur de mouvement 
Bande LED 5730 utilisée pour l'éclairage artificiel et l'éclairage lors de la décoration des pièces retour kjm sdzharzhanieto ↑
Bande LED 5730
Merci pour le rayonnement lumineux, présent sur SMD 5730, ruban LED, dans le sens de la légèreté, il a été utilisé avec succès comme source cathodique pour l'éclairage artificiel dans divers types de locaux (administratifs, publics, logements).
La puissance sur le ruban LED smd 5730 dépend de la couleur de la LED, réglée à un mètre du produit. Tova se izrazyava en stonostite, le témoignage dans le tableau suivant :
Type de DELPuissance électrique par CMS unique,
O
Lancer des LED par mètre du produit,
neshcha
Puissance électrique totale par mètre DIRIGÉ pandelki,
O
CMS 5730-050,5157,530156030CMS 5730-11,0151530306060
Ils jettent sur la LED, mettent le ruban LED sur un mètre, c'est indiqué sur l'étiquette.
En règle générale, les bandes LED sont réalisées dans la longueur mesurée, qui est de 5 mètres.

Vue visuelle du ruban avec des segments et une ligne au-delà de Riazan
Selon le type de couverture, les bandes LED sont proposées dans différents degrés de protection (code IP), qui est réglementé par GOST 14254-2015 (IEC 60529 : 2013) "Degrés de protection contre les obstacles (code IP)".
Produit du plus haut degré de protection IP65 - IP68 peut être utilisé dans les pièces humides et humides, ainsi que directement dans l'eau pour l'éclairage des aquariums et des piscines.
Il existe deux types de tension de fonctionnement pour la source d'éclairage artificiel : 12 et 24 volts continus. Pour contrôler le travail de tyahnata, tous utilisent un dispositif spécial pour réguler le silat sur le flux de lumière - dimère.

Bande LED au travail
En raison de la puissance de sortie relativement élevée, la série SMD 5730 génère une quantité importante de carburant au fil du temps. Veuillez l'installer sur un tel produit et l'essayer à l'aide d'un profilé en aluminium, vous permettant en quelque sorte de l'étaler sur le dessus et de le démarrer et de mettre votre estomac sur la LED.
Des modules de différentes formes et tailles sont produits sur la base du ruban LED de la série SMD 5730, qui est utilisé dans la production de lampes de différentes tailles et configurations.
Le ruban LED de la série SMD 5730 est un style individuel pour l'aménagement intérieur des maisons et des indicateurs de qualité pour l'éclairage artificiel.
PrécédentLED de la série Smd 5630 - spécifications et utilisationSuivantCaractéristiques des LED sur les LED SMD 2835 par rapport aux principales différences