Koga lampata pour l'évacuation tryabva oui allumez-le automatiquement
Lorsqu'il est développé sur des projets de systèmes d'éclairage dans le golem de l'industrie, dans l'organisation et sur le terrain, cela peut être fait en même temps par les lumières du chœur, il est important que tout l'éclairage de secours soit configuré correctement. Camarade, aidez-moi et évitez de vous blesser ou de mourir en cas de précipitation et d'autres situations inhabituelles.
Tâche sur le système d'éclairage de secours et créer les conditions d'une évacuation en toute sécurité vers Horat. Pour tov seosiguryava, il a été normalisé pour l'éclairement pour la visibilité sur les objets le long de la route sur le ruisseau depuis le chœur à temps pour l'évacuation. Clarificationà trebva et travail doris avec des lèvres sur le stockage pendant la période nécessaire de temps en temps.
Confinement : 1. Comment les documents contiennent-ils des normes et des recherches 2. Classification et définitions de NTD 3. Recherche basique 4. Dispositif d'éclairage de secours 5. Sélection pour l'éclairage du corps 6. Un exemple de calcul et de conception pour l'éclairage de secours 7. Conclusion
Comment les documents contiennent-ils des normes et des recherches
Demande d'éclairage de secours sur le jardin clôturé donnée dans la norme nationale de la fédération Ruskata GOST R 55842-2013 et dans l'ensemble de la règle SP 52.13330.2016, SP 439.1325800.2018, SP 52.13330.2011.
GOST R 55843-2013 pour la réglementation des conditions d'organisation de l'éclairage de secours pour les spots de tunnel. La recherche de systèmes d'éclairage de secours pour l'utilisation des fonds contiendra d'autres documents réglementaires et techniques.
Classification et définitions de NTD
Clarification d'urgence trebva et travail, lorsqu'il est stocké, il est exclu.C'est aussi la garantie d'un déplacement sécuritaire du chœur en cas de raccordement à une installation électrique, d'incendie, d'accident ou autre situation similaire.
Selon les besoins en éclairage de secours, celui-ci est divisé en types suivants :
- éclairage d'évacuation;
- éclairage de secours.
Pensez au premier terme. Les thèses du système sont utilisées pour éclairer les rues, l'isolement de l'espace, les cimetières et les marches, et pour organiser la sortie vers le chœur à l'air libre. Le but principal d'eux est oui, ils ne pardonneront pas, c'est sûr et la sortie est sûre.
Les appareils d'éclairage doivent être allumés et allumés et pouvoir s'allumer sur place pendant un certain temps, il est nécessaire pour l'évacuation en cas d'incendie, de catastrophes naturelles et d'autres processus dangereux, dori et yama protègent de la source principale.
La clarification d'évacuation est divisée en:
- éclairage pour lieux d'évacuation;
- éclairage de protection;
- éclairage anti-panique.
Illuminé sur le site d'évacuation, tremblant et permettant une identification rapide. J'ai rampé vers osiguryavane pour être en sécurité à temps pour me déplacer sur le ruisseau depuis le chœur tout au long du parcours.

Figure 1. Clarification de l'évacuation.
Vraisemblablement, cette clarification est répartie sur la zone, ce qui présente un risque élevé pour les personnes impliquées dans le processus de production. Vous êtes autorisé à terminer le travail sans entrave.

Figure 2. Clarification protectrice.
La clarification anti-panique arrive dans les pièces de plus de 60 mètres carrés. Toy oshiguryava rouge, supériorité dokato aux golems du chœur broy jusqu'au bout. Le type d'éclairage Tozi n'est pas nécessaire pour les golems de la pièce, dori ako ima une lumière assez naturelle.

Figure 3. Clarification anti-panique.
Les différences entre la clarification de réserve et d'évacuation sont incluses dans les conditions de travail ininterrompu sur l'équipement et la poursuite du processus de production, mais la clarification principale est exclue.
Une clarification de secours est utilisée, il y a parfois une odeur de plaies, de vapeurs toxiques ou autres pour l'estomac et c'est sain pour le personnel en cas d'embarras prolongé dans le processus technologique. Par exemple, il y a parfois une odeur d'incendie, d'explosion et d'épuisement par des substances radioactives ou toxiques, ce qui est nécessaire au fonctionnement normal du système d'approvisionnement en électricité et en eau, de chauffage, de climatisation et d'assainissement.
Généralement système de clarification d'urgence de la conception sans possibilité de l'utiliser pour la clarification d'évacuation. Mais si une combinaison est nécessaire, réglez le système d'éclairage de secours et essayez de vous dissuader de rechercher le système d'éclairage à temps pour l'évacuation.
Recherche basique
La source principale d'éclairage de secours est une source stockée, indépendante du système de stockage principal. Vérifiez la lumière dans le système et essayez oui ils peuvent identifier correctement la couleur et oui imat l'indice sur le rendu des couleurs, égal ou sur les objectifs de 40.
Illuminez le corps pour que l'éclairage de secours puisse être allumé en permanence. Tolérance de tous les montiraneto devant le travail de l'illuminateur du corps. Ceux-ci peuvent oui être activés automatiquement en cas de préexistence sur zahranvaneto. Encore une fois, illuminez les carrosseries pour le travail et les systèmes d'éclairage de secours à partir d'un seul type, désignez un système d'éclairage de secours, qui est désigné par la lettre «A» du rouge.
Allumez le système pour les lieux d'évacuation et fournissez les conditions nécessaires pour un mouvement sans entrave vers le chœur dans la clôture ou lors du déplacement de la présidence vers un endroit sûr. En temps voulu, toutes les conditions pour déterminer avec précision l'équipement de sécurité ou d'extinction d'incendie sont réglées.
Au boulot, l'heure c'est trebva, oui, c'est juste une petite heure et oui, osiguryava :
- trace 5 secondes - 50% de l'éclaircissement normalisé ;
- trace 10 secondes - 100% d'éclairage.
Système Takiva prévoyant le mouvement sur le stream tchèque :
- dans l'industrie, clôtures et locaux sans lumière naturelle ;
- dans les allées ou les couloirs, dans les zones du tyahnoto presichane ;
- aux endroits avec des différences de nivoto sur le foyer ;
- aux places, au mouvement, au refrain, on peut changer de pôle ;
- sur la table, quelle clarification était nécessaire pour tout le monde;
- avant le point d'assistance médicale et de sortie pour évacuation ;
- dans la zone située sur le dispositif d'avertissement, les moyens d'évacuation et d'extinction d'incendie prévus.
Le système de clarification d'évacuation est automatiquement activé lorsque le système est stocké pour une clarification de travail ou que le système fonctionne à temps pour tout un mouvement dans le chœur. Iziskvaneto se fait référence à des locaux avec une présence permanente dans le chœur ou une destination pour une présence permanente.
L'éclairage est sûr et l'éclairement osiguryava est aussi faible que 2 lux dans l'industrie comme clôture et aussi faible que 1 lux dans les zones ouvertes. La quantité de clarification peut être plus élevée et peut atteindre jusqu'à 5% de la clarification nominale pour le système de clarification de travail.
Suivant preksvane sur le système zahranvaneto pour la clarification de sauvegarde tryabva et l'éclairement osigure au moins 50% de la norme 15 prochaines secondes, et la prochaine 1 minute - 100%, après toutes les autres enquêtes n'ont pas d'importance.
Le temps minimum de maintien en fonctionnement du système d'éclairage est de 15 minutes. Dépend de la longueur de la route et de l'armure sur le horat. Elle est généralement de 1 heure, mais dans tous les cas il faut que les lampes fonctionnent pendant 3 heures.
L'examen de résistance au feu à l'OKL a été introduit en 2012 avec des modifications de la loi fédérale 123-FZ "Règlement technique pour l'étude de la sécurité incendie".
OKL - ensemble d'équipements, prêt à être installé. Y compris les câbles de la grille derrière l'okachvane, le tavy, les canaux de câbles ou les tuyaux ondulés, les boîtes de distribution, les coupes, etc.

Figure 4. Éléments d'une ligne de câble résistant au feu (OKL). retour kjm sdzharzhanieto ↑
Dispositif d'éclairage de secours
Schéma d'éclairage de secours, comprenant certains des principaux éléments :
- Protégé.
- Grumeleux.
- Changer d'appareil.
Schéma d'éclairage de secours à partir de différentes sources d'éclairage

Schéma d'éclairage de secours à partir de différentes sources d'éclairage.
La batterie (AB) est issue de la source cathodique sur le stockage dans le bassin. Chargez le convertisseur de courant B1. Sources d'éclairage - lampe L1 (pour un système d'éclairage de travail) et lampe L2 (pour un système d'éclairage de secours).
La puissance de la lampe L2 est inférieure du bassin à L1, c'est pourquoi la tâche principale est de fournir un éclairage de secours et d'osiguri l'éclairage minimum nécessaire. Le type de source lumineuse utilisée pour cette lampe est de différents types : incandescent, LED ou fluorescent.
Lorsque la protection principale est désactivée, le relais allume automatiquement la lampe L2, protégeant dans certains cas la batterie de la batterie.
Ako c'est une étude dans un champ d'éclairage élevé, correspondant au travail, c'est un schéma avec une seule source de lumière.
Schéma d'éclairage de secours avec une seule source lumineuse

Schéma d'éclairage de secours à partir d'une seule source d'éclairage.
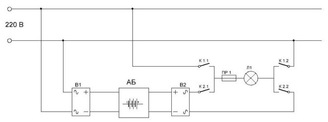
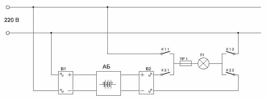
Au verso se trouve un schéma du stockage d'urgence de la batterie AB, préempté du convertisseur de courant (chargeur) B1. Redresseur de courant, de votre propre pays, protégé de la ligne AC principale. En cas de coupure de tension du circuit principal, les contacts de relais K 1.1, K 2.1, K 1.1, K 1.2, K 2.2 seront protégés sur la lampe L1 de la batterie AB.
Redresseur de courant et chaîne d'onduleurs

Éclairage de secours avec convertisseur de courant et onduleur.
Le schéma Tazi est e-complété à partir du predishnat, dans le but d'ajouter à l'onduleur B2. Pour enregistrer la lampe L1 avec un courant changeant. Le schéma Tazi peut être utilisé de toutes les sources à Svetlina.
Les corps d'éclairage sont largement utilisés depuis la barrière de stockage de secours et depuis la batterie. Ceux-ci sont en forêt pour l'installation et le support. Mais il y a une pénurie de piles dans le système. Une réinstallation à basse température peut endommager le pare-étincelles. Zatova utilise l'appareil, qui le protège de la batterie d'accumulateurs, installé dans un endroit sûr.
Pour les tests de performance, illuminez le corps de votre équipement avec un système individuel de test. Tout contrôler avec un bourgeon. Un test général est possible avec une connexion spéciale, qui est connectée au système pour un test à distance.

Figure 8. Schéma d'éclairage de secours avec une fonction de télécommande. retour kjm sdzharzhanieto ↑
Sélection de tige d'éclairage
Iziskvaniyata kjm illumine le corps pour la clarification d'urgence et d'évacuation est différente. Évacuez la ligne lumineuse de ramper derrière la désignation en sortant.Tova sa dispositifs avec des indicateurs sous le format sur les pictogrammes et les inscriptions. L'éclairage corporel d'urgence peut être stocké indépendamment ou de manière centralisée à partir d'un système spécial.
Illuminez les corps qui se distinguent en utilisant les sources lumineuses :
- avec une lampe avec un bac à litière;
- avec des lampes fluorescentes économes en énergie ;
- avec source LED pour l'éclairage.
Modèle sur les lampes LED pour des raisons de popularité :
- haute efficacité;
- sécurité environnementale;
- bon rendu des couleurs;
- Lipsa sur le treptène ;
- le temple est un ruisseau de lumière ;
- long estomac exploiteur.
Dans l'ordre, ils croisent les illuminateurs du corps avec des lampes fluorescentes. Technite predimstva sa à haute efficacité de la lampe avec un zhichka allumé. Inconvénients - tenue élevée sur le pari treptène et zhivachny. Utilisez la lampe comme un type de chute dangereuse et de tremblement et tout le convoyeur et ils le corrigeront correctement.
Illuminez les corps avec une lampe à partir d'un bac à litière éclairé et une consommation d'énergie plus élevée par rapport aux deux types, vomissant une montagne, un ventre d'exploitation court, un champ élevé pour le chauffage.
Eclairez les corps pour les séparer avant de commencer à monter ou montez sur les éléments suivants :
- brûlé ou vdlbnato à stenata;
- tavan.
Il est important qu'il ne soit pas conforme à GOST 60598-2-22-2012 et qu'il soit guidé par la compatibilité électromagnétique. Si les conditions de compatibilité ne sont pas les mêmes, la gêne n'apparaît pas dans un spectre différent d'honnêteté. Tova se reflétant négativement sur le travail sur l'équipement. C'est pourquoi, lorsqu'ils choisissent des corps d'éclairage, ils vérifient la présence d'un certificat approprié.
Merci de populariser les modèles d'éclairage corporel pour les systèmes d'éclairage de secours.
ALB 3923
Description:
La torche d'éclairage est destinée à l'éclairage temporaire des lieux d'évacuation, des zones de travail dans l'industrie ou des locaux d'habitation lors du passage au stockage. Peut-être qu'on le sort de nulle part. La source lumineuse est constituée de deux lampes fluorescentes T5 à culot G5.
La puissance d'éclairage est allumée pour sélectionner le mode de fonctionnement avec une ou deux lampes. Ima et bourgeon pour vérifier le travail mu Flux lumineux 600 lm, température de couleur 6500 K. Puissance par lampe 8 watts. La tension de fonctionnement est de 220 V. Le ventre sur la batterie est d'au moins 180 minutes avec deux lampes et d'au moins 360 minutes avec une.
Le pare-éclairage est équipé d'un ballast électronique (EKG). Tova oshiguryava n'est pas un démarrage amusant, un fonctionnement silencieux, aucune pulsation, qui affecte négativement le corps sur la vision, et aucun effet stroboscopique. Les ballasts électroniques peignent la consommation d'électricité de 25% et augmentent le ventre des lampes de 20%.
Flux lumineux : 600 lm 10 Ventre par batterie : 6 heures 10 Rapport qualité-prix 7 Quantité totale 9 Tova osiguryava est très résistant aux influences mécaniques et chimiques faibles. Le degré de protection est IP20. Dimensions : longueur - 405 mm, longueur - 75 mm, hauteur - 84 mm. Teglo - 1,4 kg. Certificat Ima TS.Avantages et inconvénientsVeau sainLong temps de travailPas de pulsation et pas d'effet stroboscopique
À DOMICILE SBA 1096-30DC


Description:
L'éclairage à LED a été utilisé dans le système d'éclairage de secours de bitovy, bitovy et locaux publics. Zahranvane - Batterie au lithium graduée de 600 mAh. Ventre sur batterie pendant 3 heures.Vous pouvez l'augmenter à 5 heures en éliminant certaines des LED avec une clé spéciale. Ima fonction pour testvane.
Prix moyen : 299 roubles.
Flux Svetlinen : 120 lm 2 Ventre pour piles : 5 heures 8 Rapport qualité-prix. Flux Svetlinen - 120 lm, ygl en diffusion sur un flux lumineux - 180 °. Déclarer la période d'exploitation est de 30 heures hiladi. Corps en ABS, diffuseur en polycarbonate. Le degré de protection est IP20. Version climatique sur source lumineuse UHL 4. Efficace dans la plage de 1 à 40°С. Dimensions : 160x65x42 mm. Teglo - 0,11 kg Avantages et inconvénients
Féron EL121


Description:
Lampe à batterie de 60 Type de LED SMD 2835... Dès le crawl de ce cato, l'affaire est pressée. Puissance - 6 W, flux lumineux - 200 lm. Fonctionne à partir de 220 V AC. Lorsqu'il est éteint sur le mrezhat, il s'allume automatiquement. Imarchen le commutateur pour le mode de fonctionnement et le bourgeon pour la girouette pour la fonctionnalité.
Flux lumineux : 200 lm 3 Ventre par batterie : 6 heures 10 Rapport qualité-prix. Tension de la batterie - 3,7 V, capacité - 2000 mAh. Animaux sur la batterie pendant 3 à 6 heures. Le matériau du corps est en plastique. Degré de protection - IP 20. Dimensions : 335x80x38 mm. Teglo - 0,33 kg. retour kjm sdzharzhanieto ↑
Un exemple de calcul et de conception pour l'éclairage de secours
Norme pour la conception de la clarification d'évacuation, si nécessaire, conformément aux exigences de l'actuel GOST R 55842-2013.
Pensez à un exemple pour le calcul de l'éclairage de secours pour les coûts de production.
Définir le flux lumineux :


- E - le flux est lumineux, mais on accepte qu'il soit égal à 20 lm ;
- Kz - facteur de sécurité, 1,5 ;
- S - surface par troupeau, 60 m2;
- Z - coefficient d'éclaircissement irrégulier, 1,1 ;
- Coefficient η e sur l'utilisation d'un flux lumineux, 0,65.
Pour l'utilisation d'une source cato-secours sur une lumière vive issue de l'utilisation d'un illuminateur à LED avec un flux lumineux de 200 lm.


Ф = 3046,2 lm
Broy sur une lampe est déterminé par la formule :
K = F / Fs
L'acceptation du flux lumineux par lampe est égale à 200 lm.
K \u003d 3046,2 / 200 \u003d 15,2 br.
Choisissez une broya sur un lampite - 16 br.
Conclusion
Lors de la conception du système d'éclairage de secours, prêter attention à l'objectif de la zone sgradata et neinata. Une fois développé pour un objet de petite surface, par exemple pour un magasin, un système à partir d'une seule lampe avec une batterie chargée n'est pas optimal. Lors de la conception sur un système en dehors du golem et de la zone commerciale, ils sélectionnent des options plus compliquées avec une batterie à distance, un système de test à distance, qui leur permet de combiner tous les systèmes avec un système de prévention des incendies et d'automatisation.
PrécédentÉclairageDans quelles unités sont mesurées l'éclairement et la luminosité sur la luminosité - comment un appartement représente-t-ilSuivantLa foudre Comme vous pouvez le voir avec la foudre artificielle
