Comment envoyer de l'éclairage au balcon
Lipsata sur le toit d'un balcon ou d'une loggia, parfois cousue par des designers et des architectes, c'est un phénomène normal. Quel que soit le produit, le produit est peu pratique, surtout en prévision de cela, qui transforme presque chaque jour un balcon en une routine quotidienne supplémentaire. Mais les problèmes de tozi peuvent être résolus par eux-mêmes. Dans l'article, nous parlons de comment organiser et organiser l'éclairage sur le balcon de manière indépendante.
Comment diriger l'éclairage
Contrairement au fait que la tâche n'est pas particulièrement difficile, lorsqu'elle est escortée à Svetlina sur le balcon, de nombreuses nuances sont prévues - à la fois générales et correctes pour caractériser les troupeaux. Base sa :
- Myasto sur svurzvane à kabelevane sur les appartements.
- Emplacement sur lampe et clé.
- Tapez l'illuminateur.
- Coupe droite sur le câble.
- Méthode du câble.
- Mesures de protection contre les courants de choc.
1. Sélection pour une section droite sur un conducteur
Ici yama demander. Pour l'éclairage de l'appartement, utilisez un câble d'une section de 1,5 mm². Sur les balcons, nous allumons les lampes de la puissance inférieure, un seul carré et demi de plus ne suffira pas.
2. Début et fin du montage
Ako notre troupeau improvisé est enduit ou cousu avec, disons, des cloisons sèches, togawa ima smisyl et envoyons un skrito griffonné. Ako non, togava ne tremble pas et ne déchire pas les murs - c'est dangereux. Vous pouvez ouvrir le câble. Inesthétique ? La question est discutable. La position coquette de la chaîne câblée est décente.

Montez coquettement les chaînes câblées, yama et ruinez l'esthétique
3. Myasto sur svarzvane
Ima deux vozmozhnosti - oui vyrzhete avec le contact le plus étroit avec les troupeaux, ou oui, gardez une ligne séparée du tableau de distribution. Quelques dégâts sur la loggia ne méritent pas d'être séparés du câble pour tout l'appartement. Beaucoup plus pratique, oui, vous pouvez établir un contact étroit dans un troupeau, vous asseoir sur un balcon, mais la plupart des contacts sont mis à la terre et connectés via un RCD (regardez en bas pour plus de sécurité).

Svurzvane sur kabelevaneto sur le balcon contact kjm en troupeaux
Plus de détails pour la méthode sur la cabale et le svarzvane, vous ne pouvez qu'en avoir l'intention dans le statut "Dirigez-vous vers le câble sur le balcon».
Analysez toujours le cadre, arrêtez les points en détail.
Balcon vitré ou loggia
Nous mettrons un peu de lumière sur le balcon vitré ou la loggia. Où mettez-vous les lumières et les clés ? Tout dépend de la qualité du verre et de la protection des locaux vis-à-vis du milieu environnant. Ako imam a des cadres jumeaux, ne coule nulle part, togava peut allumer et le mettre de tous les côtés - pomper de tavan ou de montirani sur le stenat.

Le balcon Ako est pratiquement froid, la lampite togava peut être posée sur un tavana.
Struva si da da da de préférence sur les murs lampi kato applici et oui ils mettront sur le sténat à proximité du troupeau, surtout si le verre n'est pas double. Je suis une petite cause pour Tova :
- En forêt, par exemple, la fixation du dessus du lampat est pourrie, le mur est ébréché en haut du foyer (loggia).
- Tavant sur le balcon est une maison en construction, certaines peuvent fuir et encore plus lampata. De plus, la même chose peut être dirigée à partir du matériau en combustion.
- Nyama a besoin et kabelivate tavana - c'est difficile et inesthétique.
- Le corps d'éclairage est toujours protégé de la pryska, nous allons donc retirer et fermer le voyant à temps pour une journée, pour une raison quelconque, c'est vrai (le balcon n'est pas un appartement, ouvrez le voyant et laissez-le partir).
Prevklyuchatelyat tous les preporchva et tous mis en troupeaux, kato se tova argumentatif avec condenz, muzhitsi, qui est sebirat sur le balcon. Mais beaucoup de marchandises ont été chauffées - vous pouvez installer des contacts dans la banyata, mais le passage au balcon n'est pas le cas. Pleine bouche sur le bon sens. Placez le pré-interrupteur sur le balcon, mais sur place, à l'abri de l'humidité. Vous pouvez également voir la clé et l'éclairage du corps par rapport à la fin sur l'environnement du rond-point, car l'élément est séparé.
Le balcon Ako n'est pas vitré
Il est difficile d'organiser l'éclairage sur le balcon, mais ce n'est pas assez réaliste. Le balcon non vitré est sur la rue.Mettez les corps au mur à proximité immédiate de l'appartement, à proximité du centre, et il vaut mieux ne pas s'épuiser, mais avoir un mur ou une sorte d'applique. Tova, pour une raison quelconque, au début, predpas de mauvais moments et un mur humide.

Option ouverte pour l'éclairage sur le balcon
L'interrupteur est sur une localité, sur une localité, qui est quelque peu malléable au pryski, mais le tremblement doit être suffisamment protégé du milieu environnant. Pour voir l'illumination du corps et la clé pour un usage externe, nous parlons de manière décontractée.
Important! Un balcon non vitré n'est pas le cas, lorsqu'il est logique de placer l'interrupteur dans le troupeau adjacent et la «charrue» elle-même sur le câble, auquel la tige d'éclairage est connectée, et le tout conduit au balcon.
Schéma de câblage et autres nuances d'installation
Nyakolko pense pour un schéma sur svarzvane. Tova e est exceptionnellement simple. Par exemple, un ou deux illuminateurs du corps et un interrupteur, un kutia de liaison, peuvent être refusés. Chez Tosi, l'affaire est un maillon faible avec une intrusion inutile, pour un bien quelconque, oui, tu refuses. Pensez à une option nai-désolé - un interrupteur et une lampe.

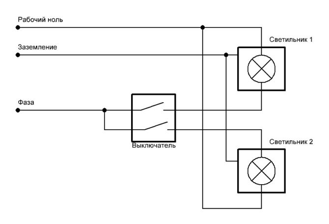
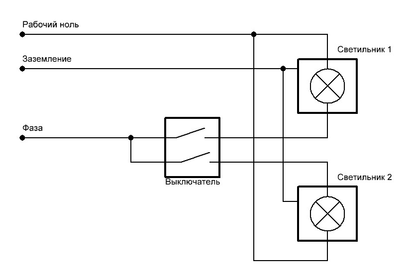
Un schéma simple pour l'éclairage sur le balcon
Ako balcons ou est venu et organise une sorte de clarification, par exemple, une clarification de base et locale ou décorative pour la détente, alors le schéma de la douve n'est pas compliqué, mais ne devient pas prédominant. Ajoutez simplement une autre lampe et remplacez l'interrupteur simple par des jumeaux.

Schéma avec deux illuminateurs corporels
Tryabva oui aux installateurs RCD
D'une certaine manière, sans aucun doute dans la montagne, le régulateur des documents et les balcons et loggias obicoliha par rapport à la sécurité électrique. Le câblage électrique peut ne pas être présent dans l'un ou l'autre type de pièce. Une telle chose est une sorte d'esprit sain. Dory sur un balcon vitré ou une loggia avec possibilité d'humidité élevée et de condensat, ty kato, parvo, la qualité de celui-ci est vitrée et les murs de la maison sont incomparables avec la capitale. Deuxièmement, ces locaux, à de rares exceptions près, ne chauffent pas.
Zatova, assimilons le vitrage d'un balcon à une sorzheniya à haut risque. Tova signifie, che tryabva et ima protection, je traverserai le courant différentiel. Tova ne signifie pas ce qui est nécessaire. Poliley n'est pas un nid, en quelque sorte se kachvam avec un ryatse, mais contrairement à tov. Qu'est-ce que le balcon ou la loggia pour les non-vitrages, ils peuvent être assimilés à une rue. RCD ici (VDT) est sans ambiguïté. Lors du choix d'un dispositif de protection, il est également nécessaire de porter une attention particulière à la valeur du courant de fonctionnement différentiel. Si vous avez besoin d'une protection contre les coupures de courant, choisissez RCD avec un courant de travail ne dépassant pas 30 mA.

Précommutateur 30 mA pour courant résiduel
Si cela est lié à la mise à la terre, alors c'est une exigence dans tous les cas, quels que soient l'éblouissement, l'humidité et les caprices de couture. Et ne l'aboie pas à la terre ss à la terre!

Ancrez votre corps dans tous les cas
Et une cachette de plus.Certains assureurs préviennent et installent des lampes 12 volts sur les balcons et protègent contre un transformateur abaisseur. Tova e est redondant. La sécurité est la sécurité, mais vvsichko, quelque chose tremble et vous savez quand oui sprete.
Comment choisissons-nous les lampes
Il y a une petite forêt. Ako loggiata ou balcon sa "zazidani" avec diligence, togawa vous pouvez installer une lampe, par exemple, dans un troupeau. Il n'y a qu'une seule chose, du trebva et du stee sigourni, si vous prévoyez l'ouverture, alors il n'y a pas d'inondations dues à la pluie - le troupeau est encore petit. Ako yama takawa confiance, togava e dans le bon sens et installez un éclairage corporel avec protection contre les embruns. Il en va de même pour la protection environnementale IP44 (protection contre les particules solides supérieures à 1 mm et tranchantes).
Dory a un balcon entièrement vitré, et il est préférable d'installer des lampes et de se protéger de l'humidité, ce qui ne peut être évité dans un troupeau non chauffé.
Pour un balcon ou une loggia non vitré, il est déterminé à élire des lampadaires, qui peuvent et fonctionnent ouvertement.
Degré ss de poussée éclairant extérieurement pour la protection IP55 adapté aux balcons ouverts
Réglons cela avec la pré-inclusion. Le balcon Ako est entièrement vitré, togawa a mis en place des habitudes. Ako n'est généralement pas vitré, rue togawa.

Clé Vntshen ss degré de protection IP54 (protégé de la poussière et de la poussière de toute sève)
Et un dernier rush. Presque tous les lampadaires ne sont pas fermés, c'est-à-dire que le krushkat n'y est pas «plat». Les corps éclairants Takiva ne conviennent pas très bien aux lampes avec une lampe allumée. Chaque fois que vous choisissez un lampadaire, vous serez préparé au fait qu'il s'agit d'une lampe et d'une lampe, et il sera remplacé par un plus froid - LED ou fluorescent.
Idées de design pour l'éclairage du balcon
Et enfin, quelques idées pour organiser l'éclairage sur le balcon.

Une lampe qui résiste aux fissures - la nuance sur le verre vert en métal scara n'est pas trop redoutable 
Hubavi, mais les lampes suspendues bas, les lampes tombent juste, alors nous allons le prendre et le fermer 
Corps d'éclairage de ligne pour tavan sa merveilleuse option pour la conception d'échantillons flock ss 
Spotlight not sa nai - ils choisiront l'option pour une clarification générale, mais ont l'air bien 
Mettez des guirlandes pour le koledni de l'elkhi, et le décor sera magnifique. 
Et laissez-les décider d'éclairer le balcon à l'aide d'une bande LED.
Une telle chose est un peu plus lumineuse sur le balcon. Tova est une question simple, vous pouvez tout faire. Car oui, envoie Camarade, imite le besoin lui-même à partir du désir et d'une connaissance minimale de l'électrotechnique.
PrécédentÉclairageComment diriger l'éclairage moderne de la chambreSuivantClarification
