Comment da si dirigera les guirlandes rétro du broyeur et de la LED

Électriquement, la couronne est un attribut inchangé pour les vacances du Nouvel An dans chaque maison. J'ai beaucoup de variétés de tyah, mais rétro, redite, globe de la même lampe avec un poussin chaud, c'est particulièrement charmant. Aw, c'est dur à manger, et même si vous avez l'intention d'aller au magasin à un prix abordable, une telle guirlande du bol "Envoyez-la vous-même" n'est pas pour les jours rouges.

confinement : 1. Comment représentent les guirlandes rétro 2. Idées de slobyavane sur une guirlande "Directez-vous". 3. Pour usage externe 4. Comment réparer la guirlande et laisser le béguin s'éteindre

Comment représentent les guirlandes rétro

Contrairement à la couronne électrique, le réveillon du Nouvel An est assumé et l'essentiel est que l'elkha koledna soit décorée (ce n'est pas en vain que la senaricha est toujours l'elkha koledna ou le réveillon du Nouvel An), mais maintenant, en quelque sorte à l'avance, vous pouvez guirlande partout et à tout moment de l'année. Tova juste l'appareil a été utilisé pour décorer et décorer des vitrines et des façades sur la clôture, peut-être même un élément de l'intérieur.

À cet égard, les produits rétro présentent un intérêt particulier, alors modernisez les appareils avec des LED microscopiques et qui clignotent et clignotent constamment, mais ils commencent à devenir ennuyeux. Comment distinguer les guirlandes rétro des modernes ? En premier lieu, dimensionnez sur la source de lumière. La version moderne n'est pas câblée, sur certaines lampes elle est presque invisible, jusqu'à ce que vous allumiez les guirlandes elles-mêmes.

Guirlandes classiquesGuirlandes classiquesGuirlandes classiques modernes

Version rétro de e predi all golems. Ordinairement, les golems et les forêts voient dori kogato sa exclusion. La cartouche est ouverte et redoutable, donnant un charme particulier à un tel produit.

guirlande rétroGuirlandes rétroRétro dès l'ouverture du mug

Dori ako écrase vos petits, en haut ils mettront toutes sortes de difusori et capacci avec assez de golems.

tasses avec capaccitasses avec capacciRétro avec des casquettes

Osvent tova, une guirlande rétro non aveuglante d'un vitch de fleur à un dgata, force les yeux et rampe d'orbitite si. Honneur devant le lampite, en général, pas byaha boyadisani, mais comme byaha boyadisani, puis dans quelques meks, non-habitants des fleurs. Thanksgiving sur Comrade Garland, ne frappez pas vos yeux, comme la modernité et le collègue, mais meko est une atmosphère festive lumineuse et heureuse (juste calme). Et maintenant, un petit exemple pour utiliser des guirlandes rétro comme décoration.

Guirlandes rétro à l'intérieurGuirlandes rétro à l'intérieur

Guirlandes rétro à l'intérieur

guirlandes en aménagement paysagerguirlandes en aménagement paysagerDispositifs rétro en aménagement paysager et décoration kato sur façades retour kjm sdzharzhanieto ↑

Idées de slobyavane sur une guirlande "Directez-vous".

Et maintenant, nous allons découvrir comment envoyer des guirlandes rétro du bac à litière électrique à votre propre droit. Au bord de la marchandise, c'est économique et c'est important - c'est intéressant de l'achat au magasin. Je propose quelques options.

De la lampe 220 volts

Pour oui, envoyons une guirlande rétro avec une lampe d'un zhichka allumé, nous avons besoin de:

  • prises pour 220 V avec puissance 10-40 W ;
  • nids pour est basé sur choisir krushki ;
  • zhizata ;
  • ébrécher;
  • tube thermoscellable ou Moment sculpté ou similaire;
  • outils - couteau, tournevis.

Les flacons électriques peuvent et peuvent être ramassés et culot standard E27, et avec miniature E14.

E27 (à gauche) et E14E27 (à gauche) et E14Mug avec culot E27 (haut) et E14

Jeter sur l'appareil peut être arbitraire. Un tel nom lampi Edison a toujours l'air particulièrement original, mais, voyez-vous, cela vous suffit.

Lampe avec bouton poussoirLampe avec bouton poussoirCliquez sur le signe "Lampe Edison"

Le conducteur peut être de toute nature, dimensionné pour la tension 220 V, avec une section droite pour le conducteur d'environ 1 mm. m² (en fonction de la puissance totale sur le concasseur).Dans le bon sens, prenons un peu de pamuchna - la décence ressemble plus à un "rétro". La longueur du conducteur dépend de l'armure sur l'écrasement. Vous conduisez tout à partir de quelque chose comme ceci : conducteur de 1 mètre pour 2 jointures et un mètre supplémentaire ou deux (trois, quatre - selon le besoin) schepsel.

corps derrière des guirlandes rétrocorps derrière des guirlandes rétroC'est donc un bon conducteur pour une guirlande rétro.

Avant d'arrêter l'installation, nous allons dessiner un schéma pour l'avenir des guirlandes. Ta lampe kato izbrahme pour la tension de travail 220 V, nous câblerons en parallèle.

schéma pour une guirlande rétro à 220schéma de guirlandes rétro pour 220

Corde électrique sur une guirlande rétro à partir d'une prise 220 volts

Bonjour Parallèlement à l'épave de l'ima, il y a une énorme prédominance devant la série. Ako un des ruines des collines, tout le reste continuera et brillera. En cas d'injection en série, il est endommagé pour une lampe, éteignez tout.

Et donc, tout est clair avec un schéma - c'est extrêmement simple, au sol et dans une guirlande rétro. Oui, disons que l'imam est 10 krushki. Izmervam et otryazvame 9 corps de parquet, chacun d'une longueur d'un demi-mètre. Ako le chercher et mettre une lampe à proximité, le togava tazi doit être peint. Le brocart en lambeaux d'Osventov, quelque chose d'autre est situé entre la parvata krushka et la puce. Pendant longtemps, selon les marchandises, les guirlandes sont éloignées de la sortie.

Markirane aux chefs d'orchestreMarkirane aux chefs d'orchestreMarkirans et Riazans sur zhitsat

A l'aide d'un couteau, retirer les conducteurs de la porte de la page sur une longueur de 8-10 mm. Car oui, empêchons qu'il soit bouilli sur une sellerie pamuchnaya, on pose un tuyau thermoscellé sur le dessus de la zhizata et je mets un allumeur sic.

tuiletuileFixirane sur carrelage avec tuyau thermosoudé

Ako yama thermiquement svyvane, enduisez simplement les bords de la pelle avec le Moment sculpt. Tout de même, une partie de l'élasticité de la trace suivante est à l'écart, dirigez-la. Démontez-le, juste tryabva et izchakate un peu, dokato sculpté dans la sécheresse, mais le résultat est meilleur nyama et bde, ou peut-être bidori dans le bon sens, ébréché avec un svyvan toplin.

Maintenant sibirame verigata. En ouvrant n'importe quelle cassette et en la fixant, entrez et sortez les conducteurs qui sont parallèles les uns aux autres. Dans la première cassette, le conducteur est toujours stocké, on en blâmera le chipper, en second lieu, trie, yama et ima sortent.

Montage de cassetteMontage de cassetteMontage sur cartouches pour guirlandes à partir de prises 220 V

Sega montirame pour le stockage des puces sur le conducteur d'entrée. Enroulez les nids dans les nids.

Dernière étapeDernière étapeLa dernière étape de l'installation sur la guirlande

Ako tout est prêt, togava allume notre couronne au contact, tout est déchiré et léger.

Résultat du travailRésultat du travailLe résultat de notre travail est prêt pour des guirlandes rétro à partir de prises 220 V

Guirlandes rétro de LED et foyers de tennis

Illuminez votre corps avec un éclairage moderne, mais vous pouvez aussi leur donner un look "rétro". D'une manière ou d'une autre, le Kazakh est en deuil, la principale condition du Sagolemy de la source de lumière. Par conséquent, nous allons livrer notre Guirlandes LED nuances de golem. Mais d'abord tryabva oui aller direct. Pour oui, envoyez des guirlandes rétro, shche vie tryabva :

  • voyants LED multicolores de tout type ;
  • résistances de 180 ohms (litige des diodes électroluminescentes) ;
  • foyer de tennis (kolkoto LED);
  • tuyau thermoscellable;
  • conducteur à deux conducteurs (de préférence, avec une couleur différente sur le gilet);
  • couteau de papeterie;
  • un pistolet pour le chagrin sculpté ;
  • adaptateur de n'importe quel priturka avec une tension initiale de 5 V;
  • poyanik.

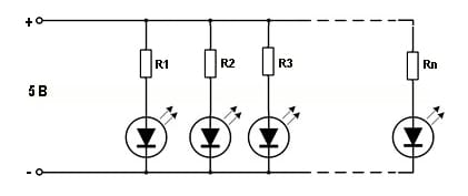
Nous connecterons également la LED pour démarrer le convertisseur catalytique à partir de 220 V, mais nous ajouterons quand même une résistance pour la limitation de courant. Plus de protection de la conception hyalat avec une tension de 5 V.

Veriga sur guirlandes LEDVeriga sur guirlandes LEDSchéma de câblage pour le fond LED

Le processus d'agglomération est exceptionnellement simple et ne peut être décrit que brièvement. Câble Othapvame sur la LED et la résistance, laissez 5 mm chacun, utilisez la résistance d'anode pour toutes les LED.Sglobyavame verigata, qui a préalablement coupé le conducteur avec le spasme de longueur et de polarité nécessaire: résistances et résistances kam, LED cathode à cathode. C'est dans un souci de préporach et de prendre le conducteur de la veine pollinique.

Schéma sur sglobyavanSchéma sur sglobyavanSchéma d'installation sur guirlandes LED

Isolez le conducteur et une résistance avec le reste du tuyau thermoscellé, qui est d'abord placé au sommet du conducteur. Et selon le principe, la guirlande est prête. Transformons-le en un rétro, pour une raison quelconque des foyers de tennis, qui jouent encore des patins à roulettes sur senky. Car oui, envoyez un ami, dans chaque foyer il y a une ouverture de creuset d'une telle taille, vous pouvez donc y mettre une LED avec une résistance.

dupki dans le foyer de tennisdupki dans le foyer de tennisRazryazvane sur les creux de la fournaise du tennis

Maintenant, vmkvame LED vvv depuis le dupkite et scellez avec le pistolet topline.

Sglobyavane sur une guirlande rétroSglobyavane sur une guirlande rétroSglobyavane sur les guirlandes rétro du foyer de tennis

Tova e vsichko, la couronne rétro nashiyat est prête. Branchez l'adaptateur, spasme de polarité cato (voir le circuit électrique sur la montagne) et amusez-vous.

Guirlandes terminéesGuirlandes terminéesPrêt pour les guirlandes rétro

Car oui, envoyez donc aux guirlandes, en général ce n'est pas nécessaire, mais prenez le poyanik. Après les débuts, la topchetata peut être livrée depuis les guirlandes LED d'usine, comme indiqué sur l'image ci-dessus.

retour kjm sdzharzhanieto ↑

Pour usage externe

Vos créations sont-elles adaptées à une utilisation en extérieur ? LED - assez Scellez la LED avec un pistolet thermique, et gardez-la protégée par un garant de sécurité électrique, dès que l'eau s'écoule ou que le conducteur est inondé.

Mais avec une couronne de 220 V, la lampe n'est pas facile à comprendre. Parvo, patronite iztichat. Deuxièmement, la lampata de la marmite s'est beaucoup réchauffée et comme une eau de kapka a frappé le pot, vous pouvez simplement laisser la hutte. E, 220 V e tension effrayante pour l'estomac, quelque chose, entre autres choses, peut provoquer un incendie.Une telle couronne peut être travaillée ouvertement, mais sous un auvent et à l'écart d'un chorat.

retour kjm sdzharzhanieto ↑

Comment réparer la guirlande et laisser le béguin s'éteindre

Téléchargez une guirlande, mais l'année suivante, l'inaction, ne fonctionne pas. Connaissez-vous la situation? Ces guirlandes, qu'ils ont retirées, selon le principe de la réparation, sont beaucoup plus simples: la manivelle est en panne d'essence - elles sont à nouveau foutues. Dans le cas sur la LED, c'est encore plus simple : si tout est bien orienté, l'appareil fonctionnera plus d'une décennie, puis il sera exploité sur la LED des dix ans de l'heure.

Mais si ça vient de l'usine, les guirlandes sont toutes fabriquées à partir d'un disjoncteur électrique, monté en série. Struva si et brûlez-le vous-même, soignez la couronne d'izgasva et cela peut être assez difficile et mettre le héros à l'occasion. Les golems sont particulièrement problématiques lorsque les guirlandes sont inséparables, parfois ils ne se vissent pas dans les nids, mais boivent plutôt et se couvrent de svyvane de carburant.

Car oui, vous sortirez de la situation et oui, avez l'intention de brûler l'appareil en une minute, vous pouvez aider un peu l'appareil - allumez l'indicateur de champ, qui peut être encore plus lent en une demi-heure.

indicateur de volindicateur de volL'indicateur de vol pour le namiran sur les flacons brûlés de la guirlande

Le dispositif pour le travail des derniers commencements. La trace principale de la cathode des phases est le conducteur proche de l'antenne WA1, le transistor est à champ gauche, agissant comme une résistance, contrôlée par un champ électrique, maintenant éteint, ouvrez VT2, d'une autre manière ouvrez VT3. La LED HL1 est encore plus lumineuse.

Ils fonctionnent avec l'appareil. Allumez les défauts des guirlandes dans les contacts et transférez l'appareil sur le conducteur. Si la trace de l'indicateur cato sur l'appareil s'éteint, on peut supposer que la lampe défectueuse n'en a pas l'intention.

L'appareil peut être protégé de toute source avec une tension de 3 V. Il peut s'agir d'une pile bouton de type CR2032 ou de deux piles connectées en série.

Important! L'indicateur de vol est également utile en cas de lampe grillée avec une lampe allumée en guirlande avec une tension de 220 V.

Vous savez maintenant comment envoyer des guirlandes rétro de vos propres mains et pensez que vous pouvez décorer votre maison avec un appareil d'éclairage domestique, sans manger de paris supplémentaires dans le magasin.

PredishnaguirlandesComment choisir les guirlandes LED à vue d'oeil ?Suivantguirlandes Comment pouvons-nous choisir des guirlandes à énergie solaire pour votre grêle

Merci d'avoir lu oui:

Comment est la lampe germicide et comment est-elle