Qu'est-ce que l'ioniseur-polyle sur Chizhevsky
Chaque habitant de la ville a un rêve, et l'air est pur. Mais en réalité, c'est possible tout seul en bord de mer ou à la montagne. Les professeurs travaillent dur depuis longtemps sur le problème de créer une atmosphère appropriée dans la salle. Un du premier essai pour les efforts techniques du Polite Chizhevsky.
Confinement : 1. Quelle est la lampe (poliley) Chizhevsky 2. Histoire de la création et du développement 3. Dispositif et principe d'action 4. Ramper et nuire à l'utilisation
Aleksander Leonidovich Chizhevsky est né en 1897 sur un territoire qui appartient en quelque sorte à la Pologne. La spécialisation principale est dans le domaine de l'électrophysiologie et de la biophysique. En attendant, étudier l'effet sur le processus, s'écoulant dans l'espace, au sommet de la personne.
Quelle est la lampe (poliley) Chizhevsky

Version Art Nouveau sur Polilei Chizhevsky
Ioniseur d'air poli Chizhevsky, qui, comme vous le savez, se compose de nombreux composants. Osven oxygène, dioxyde de carbone, azote et divers micro-organismes contenant du yoni.
Selon la tension sur l'électronique, ils peuvent être négatifs ou positifs. L'ionisation de cette transformation neutralise les particules dans la matière particulaire. Tova se sluchva en raison du fait que l'atome est neutre en ajoutant ou en détruisant des électrons.
Histoire de la création et du développement
Étudié sur l'ionisation du sol dans l'air dans le zorata pour le 20e siècle. Enquêtez sur quelque chose et essayez de le dissuader de la question de l'influence sur les charges positives et négatives sur l'électronique au sommet de l'état des organismes vivants. Le biophysicien Aleksander Chizhevsky a mené une série d'expériences, dont les résultats ont sans doute envoyé une conclusion sur le danger de neuonisation de l'air pour horata.
On dit que les enseignements éclaircissent les yoni aeroioni et inventent un appareil électrique capable d'augmenter la concentration d'air en eux. Telle est l'apparition d'un polyleite sur Chizhevsky.

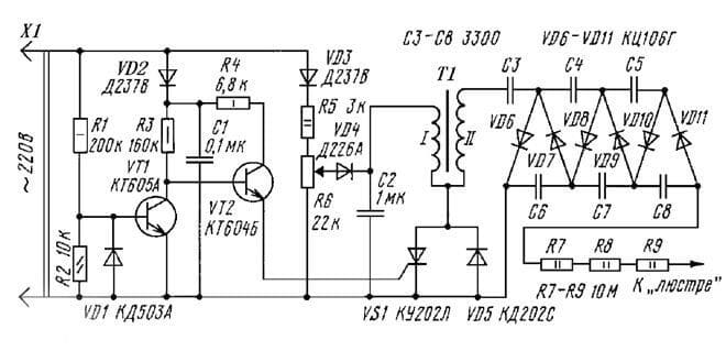
Conception d'ioniseur, proposée par Chizhevsky
Presten de messing ou stoman trebwashed et bjde pompé de tavan. Le diamètre du mu ne tremble pas, mais c'est un seul mètre. Espace Vtreshnoto sur le mur trebva oui se stegne avec un tanka zhitsa, une telle chose maille d'une cage de commande à un petdeset d'un millimètre... Au point d'arrêt sur le conducteur, spoïka 372 épingles... Pôle négatif à la source de haute tension alimentant la structure.
Les enseignements ne sont toujours pas à temps, mais installez la production sur votre enfant. Poli sur Chizhevsky dans une nouvelle interprétation de la création sans l'auteur sur l'idée, mais en mémoire de lui, ceux-ci le jurent.
Dispositif et principe d'action
L'appareil, contrairement à ce dont il dispose, n'est pas forcément brillant. Le seul but du yonizir de l'air. Chaque fois que vous appliquez l'électrode en mode accéléré, elle génère de l'électronique. Le dernier de votre propre pays polluera les particules dans l'air. Distinguer les modèles et avoir leurs propres caractéristiques de conception, mais le concept est le même pour tout :
vue Vnshnyat n'est pas un serment de principe de travailler. Si vous ne le prenez pas en prévision de la complexité, que nous réglerons pour les experts eux-mêmes, le travail sur l'appareil peut être décrit dans les derniers débuts :
- L'électrode est soumise à une haute tension (20 ÷ 30 kV).
- L'électronite rayonne du haut vers l'électrode en forme d'aiguille.
- En conséquence, l'effet des électrons et des molécules d'oxygène est de former un aéro-ion O2, qui donnera un électron libre supplémentaire.
- La trace du cathovec gi vdish, le charge prehvarlya dans la chernite, les globules rouges de la cellule, pour une raison quelconque, l'effet du processus métabolite supérieur est positif.
Il était une fois, le Chizhevski fonctionne, deux flux opposés apparaissent, formant une charge électrique, qui est silencieuse.
Ramper et blesser en rampant
Ils ont donné le polyleite sur Chizhevsky sa utile ou nocif pour la santé, c'est un sujet de disputes constantes entre adhérents et opposants.
Arguments sur la préférence
Spored tyah toy e est un sauveur universel, capable de presque guérir le cancer au dernier stade. Kato nai -argument significatif ceux citant beaucoup de critiques de la chorale, koito sa a vu l'effet favorable de la méthode. Malade en milieu de journée :
- bronchite, laryngite, otite de l'oreille moyenne;
- tuberculose dans les premiers stades;
- toux mahareshka;
- névrose;
- asthme.
Osventov tova peut et a l'intention de révoquer pour l'impact favorable sur la technologie et le traitement des maladies infectieuses, des plaies et des brûlures. Les consommateurs disent que lorsqu'ils utilisent le polyley, ils augmentent leur efficacité, ils y gagnent une immunité, ils améliorent leur humeur et ils respirent dans la forêt.
Il a été indéniablement et scientifiquement prouvé l'utilisation de l'appareil et sa capacité à désinfecter l'air. Vdishvaneto sur un air pur, nasarchava gentiment assimilé à l'oxygène, ramassant le travail et peignant le risque de crise cardiaque et d'accident vasculaire cérébral. Et ainsi, personne ne peut contester l'effet thérapeutique sur l'ionisation de l'air, quelqu'un peut se calmer, illusion szdvayki, ce qui est proche d'une cascade, d'une rivière ou d'un lac.


Argumentation sur l'adversaire
Ces citations de la déclaration sur onesi, qui est la prochaine déclaration sur le lampat lui-même, suivent les pages de l'effet :
- problèmes d'imache avec tir blanc, convivialité due à la toux et à la respiration sifflante ;
- apparaissant ce mal de tête;
- ima troubles du rythme cardiaque ;
Les principales chèvres, un groupe de consommateurs tazi contesté, ne sont pas répertoriées sur la maladie, publiée par le ministère de la Santé publique, pour laquelle ce n'est catégoriquement pas tout préjudice et tout est dû aux polyleys. Ressemblant à ceci :
- un formulaire pour la rhinite chronique du lac ;
- athérosclérose;
- insuffisance de l'espèce vschiki sardechna;
- condition élémentaire doris pour l'asthme bronchique;
- malnutrition, causée par une longue maladie, une période de rééducation, un régime alimentaire très strict.
Sur la base de la présentation du matériel, la conclusion suppose qu'aucun ioniseur ne peut prétendre être une panacée. D'un pays, golemy broy négativité du yoni de la pureté de l'air et de la bactérie tueuse. D'un autre pays, la quantité d'une telle particule est nocive pour l'organisme sur la vie d'un être. Comprendre pour un équilibre optimal est une entreprise laborieuse.
PrécédentPolileyKoy poury pour le piétinement oui choisirSuivantPolyleysPregled dans les polyleys allemands et les corps d'éclairage De Markt City
