Polyleyat avec télécommande n'est pas tout compris - quelle est la raison et comment pouvez-vous y remédier
D'autant plus domakinski uredi à des fins diverses sa équipement avec télécommande sans vie. Les dispositifs d'éclairage ne sont pas la seule exception - polyleys, applications, dispositifs d'éclairage décoratifs. Dans le bassin, il y a plus d'exemples de réparations sur des polyleys éloignés, qui sont conçus et fonctionnent à partir de différentes sources à la lumière.
confinement : 1. Comment polylay avec télécommande 2. Instructions pour réparer mortier par mortier
Comment polylay avec télécommande
Polyley avec télécommande (RC) se compose des composants principaux suivants :
- cadre;
- Source de lumière;
- module radio ;
- bloc de sauvegarde (option).
"Pulnene" sur polyley chinois avec télécommande
Sur la photo, les chiffres indiquent :
- — boîtier sur polyley ;
- - stockage (pilote) ;
- — module de télécommande ;
- - de la source à la lumière.
Kadar. Tova e samiyat polyley - base, abat-jour, diffuseurs, réflecteurs, "tentures" décoratives, etc.

Tialoto e tova, quelque chose que nous voyons sous tavana.
Sources lumineuses. Selon la conception du sol, choisissez une ou plusieurs lampes de l'un ou l'autre type (halogène, LED, etc.). De plus, la lampe peut être divisée électriquement en groupes (généralement jusqu'à 4) avec un contrôle indépendant.

In tosi poliley avec trois ramen lampite sa divisés en 3 groupes
Module de radiocommande... Un des composants principaux à tous les polys avec télécommande.La tâche du module est de recevoir un signal radio d'une télécommande télécommandée et d'y réagir en réponse - oui, allumer ou éteindre l'un ou l'autre groupe de lampes, activer une minuterie, etc.

Module de radiocommande tricanal avec télécommande
Protégé. Chesto se narycha chauffeur. Tozi est entré dans cette installation, ce qui est un avertissement et il voit le courant sur la lampe au moment du stockage, ce qui est différent de la protection provisoire. Habituellement, ils cassent sur un conducteur et cela équivaut à une coupure sur un groupe de lampes (une pour chaque groupe).

Driver pour la protection des sources LED pour l'éclairage
Le transformateur électronique Tozi ne convient pas au stockage de lampes halogènes, mais ne convient pas au stockage de LED.
Schémas pour polyleys avec télécommande
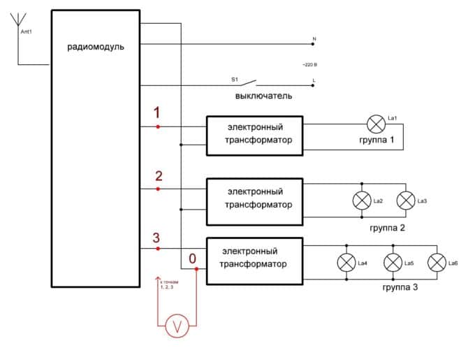
Conception Razbrahme, sautons quelques chaînes électriques. Pensez à l'option non-désolé, si vous utilisez des lampes 220 V, divisez-les en trois groupes. Ce dispositif de télécommande est basé sur le module radio Feron à trois canaux, l'image sur certains est présentée ci-dessous.

Schéma pour polylay avec trois groupes de lampes 220 V et télécommande
Verigata, montré dans le chagrin, est un cas particulier. Tya varira en fonction de la vue du module, de la négativité du modèle et de l'armure sur le canal.
Ako lampata du creuset, conçu pour différentes tensions, puis installez-y trois réponses de stockage. Dans ce cas, le dessin est réalisé sur la polyligne.

Schéma pour polylay avec lampe halogène 12 V
Et enfin, le schéma sur le polylay LED. D'une certaine manière razbrahme, ce type de source lumineuse nécessite une protection spéciale, produisant en quelque sorte un courant stabilisé.

Schéma des polyols LED avec trois groupes de sources pour l'éclairage et la télécommande retour kjm sdzharzhanieto ↑
Instructions pour réparer mortier par mortier
Et donc, ils sortent du panneau de contrôle pas tous. Quelle est la raison? Je suis loin de tyah. Enterrons-en quelques-uns avec pardon et non-probablement.
à distance
Peut-être que la batterie est même épuisée. Veuillez faire attention à la télécommande pour les polyleys chinois utilisant une batterie 23A 12 volts. Ako ima nouveau, changer et vérifier. Ako ima testeur, mesurez la tension pour l'installation. Tryabva même si ce n'est pas 10 V. Sinon, nous pouvons certainement le changer. À ce moment, vous vérifiez l'état du contact au niveau du compartiment à piles. Oxydé - propre.

Nyama et travailler avec un tel contact (sur la photo, Ima a une télécommande avec deux éléments AA)
Économisez sur la tige d'éclairage
Une autre raison est croisée, pour le bien de certains, ils ne verseront pas tout de la télécommande, mais cela protégera la tension. Vérification de l'état de stennia prevklyuchatel (ako ima taqv). Si nécessaire, décoction, vérifiez votre état de contact et clivez pour connexion.

Le commutateur n'a évidemment aucun problème
Stigame jusqu'à la sortie sur la polyligne et vérifier l'avertissement sur la borne derrière la connexion à la lampe de la borne et sur la borne d'entrée sur le module radio (voir le schéma dans la montagne).

Clémence pour le raccordement au polyley tryabva oui sa en parfait état et oui sous pression
Dans quelques temps, je mesurerai le stoïcisme face au stress tov. Quelque peu sous-estimée ou surestimée, l'électronique togawa peut entrer dans la défense et une sorte de rayonnement allumera polyley dori instantanément ou spontanément le régime.
Ils peuvent ne pas être plus brillants et pour un meilleur contact dans le boîtier de distribution, desservant le corps d'éclairage. C'est pour ça, allez-y et balancez-vous dans la lampata, j'ai compris et ouvrez le kutia dilué et vérifiez l'état d'une entrée câblée.

Peut-être que le bi polyleyat e est exclu pour la raison tazi.
Diagnostic et changement sur relais radio
Étape suivante Oui, vérifiez le module radio. Pensez au module Feron, avec quelques veche vous pourrez le reconnaître. En allumant le multimètre en mode sur la tension mesurée, la plage n'est pas inférieure à 300 V. Installé une sonde en haut du conducteur, blanchie sur le schéma en bas du cato "0". A partir du deuxième son, svyarzvame successivement aux points "1", "2" et "3".

Schéma de contrôle d'un relais radio dans un polylay avec une lampe halogène
La trace de toute attaque à l'assaut se trouve sur la télécommande, qui contrôle le canal. En poussant contre la réponse, le bourgeon tremblait par intermittence et tout apparaissait et disparaissait dans le point (inclusion/exclusion sur le groupe). Si l'avertissement n'apparaît pas à tous les points ou souvent du canal, le module est endommagé.
Comment pouvons-nous changer un module qui a échoué, d'une exception à un type existant ? Nous élisons tosi, qui me dissuade des critères suivants :
- Enregistrer la tension... C'est un tryabva et une réponse à la protection de la tension sur l'ancien (dans notre cas 220 V).
- Canaux Broy… Notre relais radio dispose de trois canaux, mais si nécessaire, vous pouvez utiliser l'appareil pour des canaux plus petits ou plus grands. Dans le premier cas, il vaut mieux essayer de combiner deux groupes de lampes en un seul, dans le second, ne pas utiliser de canal supplémentaire.
- Puissance par canal... Le coût de l'énergie pour chaque canal est d'au moins 20% supérieur à la consommation d'énergie d'un groupe de lampes, d'en protéger ou d'un pilote pour un groupe tazi. Sinon, comment pouvez-vous combiner le canal, togawa généraliser les droits techniques.
Vous pouvez trier ces caractéristiques du marquage sur le boîtier au module radio ou à partir d'une documentation conviviale. Par exemple, un module radio, une partie de l'image est montrée en bas, c'est à trois canaux. Protégé de 200-240 V AC et puissance 1 kW par canal.

Module radio pour Electrostandart
Vérifier et modifier pour sécuriser
Continuons à réparer les polyleys depuis le panneau de contrôle et économisons le stockage. Passons aux transformateurs électroniques. Vous assurant qu'il a économisé la tension sur les bornes d'entrée, ce qui aurait activé le canal de réponse sur le module radio. Mesurez maintenant la tension (réduisez-la !) à la sortie du transformateur. Vous tryabva et réponses à la posochenata sur le corps de l'instrument. Par exemple, à la sortie du transformateur électronique, il y a une image ci-dessous, la tension tremble et même dans le cadre à 11,5-12,2 V.

Transformateur électronique avec tension d'entrée 12 V
S'il n'y a pas de tension, le transformateur est soit endommagé, soit tombé dans la protection en raison d'un glissement de la marchandise. En vérifiant l'exactitude de la lampe du groupe de réponse et en la collant, une partie est protégée. Pour la forêt, oui, envoyez le produit au testeur, éteignez d'abord le corps d'éclairage et éteignez la sortie vers le transformateur électronique du mauvais groupe de lampes. Ako lampite et kabelevaneto sa nared, alors le transformateur électronique est défectueux. Pas de changement, pour choisir un litige adapté, suivez les caractéristiques :
- Enregistrer la tension... Quelque peu défectueux.
- Tension initiale... Quelque peu défectueux.
- Puissance d'entrée (courant). Po-golyama ou égal au pouvoir infructueux.
Examinons maintenant le pilote de LED. D'une manière ou d'une autre, dans le cas d'un transformateur, vous pouvez être sûr que les bornes d'entrée stockeront la tension. Vérifiez l'appareil pour une mesure de tension constante et vérifiez la résistance de tension à la borne de sortie. Ce trebva est même à la frontière, poussant sur les coques de l'appareil.

Sortez les bornes du pilote tosi et maintenez la tension constante de 30 à 90 V
Si la tension d'origine est faible ou non, le pilote peut être considéré comme défectueux.Élection nouveaux critères suivants :
- Enregistrer la tension... Quelque peu défectueux.
- Tension initiale... La sous-courbe est fermée ou la distance est proche de cato défectueux.
- Sortie de courant. Syshchiyat kato tosi en cas d'échec.
S'il y a un avertissement et qu'il se rapproche de la valeur maximale de la plage, en fonction du poids de l'appareil, alors, très probablement, une ou plusieurs LED du groupe, certaines en livraison, sont défectueuses. Comment comptez-vous remplacer la LED défectueuse dans le poly, vous pouvez enseigner à partir de l'état "Comment réparer tous les polyls LED».
Razbrahme comme eux-mêmes et répare le polyley pour la télécommande. Maintenant, sans aucune aide, nous pouvons déterminer si les collisions dans le corps éclairant ne brillent pas et nous permettent de surmonter les dysfonctionnements.
