Comment réparer tous les polyls LED
La lumière LED est souvent utilisée pour l'éclairage des locaux résidentiels. Ceux-ci remplaceront activement d'autres types de sources lumineuses - des lampes avec un flacon allumé et une décharge de gaz. Diode électroluminescente imat sur - bonne qualité sur svetlinata, ceux sa sur - izdzhlivi et sur - bezopasni. Malgré la longue durée de vie du semi-conducteur, les dispositifs d'éclairage sont toujours délicats. Dans le bassin, nous examinerons également vous-même les dysfonctionnements typiques et les réparations sur les polyls LED.
Confinement : 1. Dysfonctionnements typiques sur les polylays avec lampes remplaçables et comment les réparer 2. Panneaux LED défectueux avec LED non remplaçables
Dysfonctionnements typiques sur les polylays avec lampes remplaçables et comment les réparer
Nous en enterrons certains avec un polyley, qui est équipé d'un socle. En tyah krushkite, destiné au 220 V avec le culot E27 (E14), il suffit de le visser et de le remplacer forestier. Vsshchnost tova sa calomnie les corps, qui ont rampé de l'épave de la zhichka entaillée. Choisissez les principaux dysfonctionnements d'un tel dispositif d'éclairage et causez-les.
Ima Polylays LED avec douille GU10. Lampe avec un tel culot à usage pour tension variable à partir de 220 V.

Verseur LED pour couvercles avec culot GU10
Protégez les lampes ne brillent pas ou ne clignotent pas
Il est nécessaire de vérifier l'exactitude du vilebrequin, si vous le changez à partir d'une base de travail connue et enregistrez la tension. Ako vsichko e à côté d'elle, togawa vérifie l'exactitude du pré-commutateur et du kabelevaneto. Stigame jusqu'au bornier de la lampe et déterminer la tension sur le contact, lorsque l'interrupteur est allumé. Utilisez un multiset ou une lampe test pour Celta.À ce moment, vérifiez la connexion au conducteur dans le bloc de distribution et le contact au pré-interrupteur.

Tryabva oui tension ima sur ces pinces, parfois l'interrupteur est allumé.
L'étape suivante consiste à vérifier l'exactitude du câble sur le polylay. Vérifiez que le conducteur n'est pas endommagé et gi izdarpvame facilement, par exemple, assurez-vous que lorsque vous le fixez judicieusement, vous devez le mettre sur la cassette.
Couper l'électricité dans le tableau. Un shrakvane sur le mélangeur ne suffit pas. Si quelque chose ne va pas ou est défectueux, ou s'il s'avère qu'il est exclu d'une manière ou d'une autre, il peut même être soumis à une pression énorme !
La prochaine étape est une cassette. Principalement croisé "bolest" sur la patronite avec une coupure sur Edison e desserré ou brûlé sur le contact central et page (alias ima taqv). Izklyuchvame polyley, éteignez krukata et vérifiez soigneusement le contact central sur la cartouche. Vous n'essayez pas oui, faites attention à l'oxydation et aux fumées. Sur la photo, le contact avec le lampat est plus mauvais et le dos et toute la chaleur. Avec le temps, tout est brûlé.

Izgarene au contact sur cassette
Maintenant, essayez et vérifiez qu'il est bien serré sur l'hélice, fixez le contact à la cassette. Ces tryabva et sa sont de bons stegnati et ne s'assombrissent pas et ne brûlent pas. Certains modèles de chambres à cartouche utilisent une vis au lieu d'une vis. Ako sa desserrer, togava cassetata plus tryabva et le changer complètement.

Vérifier le serrage de ces vis
Vérification, gratter sur les conducteurs. Mettez la cassette à vis. Suffit-il d'un contrôle de routine et légèrement tapoté - tout le tremblement et le fait d'être replié, ne tremblez pas et sa desserrez ou pressez sous la laveuse.
Et les derniers problèmes avec les patrons budgétaires.Le contact central est dirigé à partir d'un métal faiblement élastique. Avec le flux pendant un certain temps, il est reparti, n'atteignant pas la base sur la lampata. Le dernier sol et le moment ou doris ne brillent pas du tout. Cela se "traite" avec un tournevis. Pregvame contact central, une telle chose est réalisée.

Pregvane sur le contact central vyvisnalia sur le mandrin
GU10 ima est comme un problème - contactez potvane. Ako krushkata pendre dans le nid, togawa contact sa évidemment affaibli. Izvadame va toucher légèrement la cartouche avec un poinçon.

Contacter tryabva oui vente tirer légèrement le long de la balustrade sur la flèche
Lampite zagaryat barzo
La LED se bloque à chaque fois qu'elle tombe en panne depuis le bord pendant la période de garantie. La raison peut être que le produit est de mauvaise qualité, mais il y a souvent des problèmes dus à un mauvais fonctionnement de la lampe. Certains razgledame deuxième option. Une telle lampe peut barzo et s'éteindre pour suivre:
- mauvais contact dans la boîte de distribution ;
- dysfonctionnements sur le précommutateur ;
- dysfonctionnements sur la cartouche (brûlée, oxydée, etc.) ;
- augmentation de la tension dans le mrezhat ;
- prégriavane.
Distributeurs de cutia... Décoction kutiite, qui sera dissuadé de le stocker pour un lampat, et de vérifier votre état pour un câble vrazka. Rien ne tremble, mais brûle, mais voici, ou oui, arrête.

En takawa kutia, vous ne pouvez pas et je suis gentiment contacté par définition.
Pré-inclusion. Il peut y avoir un problème ici, certains des contacts de l'interrupteur sont grillés et une connexion de mauvaise qualité pour protéger les conducteurs, vous pouvez brancher l'interrupteur sur l'interrupteur. Vérifiez, si nécessaire, desserrez et nettoyez ou changez le précommutateur.

Le switch est évidemment défectueux, mais force est de constater qu'il a sa propre fonction
Cartouche. dysfonctionnements Veche obsjdikhme, vyrzani de la cassette à la section précédente. Nyama et répétez-le.
Augmentation du stress. Déterminer la tension en contact avec le multicet. Nous corrigeons certaines mesures à différents moments de la journée. Si la tension est trop élevée (plus de 230 - 235 V), alors il y a deux possibilités :
- Contactez votre fournisseur d'électricité et laissez-le résoudre le problème.

L'intertension est évidemment élevée
- Achetez une lampe destinée à une tension de travail élevée. Lorsque la source LED est lumineuse, le coût est en haut de la base et emballé.

La lampe tasi peut fonctionner avec une tension de 220 à 240 V
Prégryavane. Habituellement propre polylays LED avec aveugle senki se blasquat avec des problèmes de tozi. Si vous installez un culot d'une puissance supérieure à celle utilisée dans une telle lampe, il est plus difficile à préchauffer et plus vétuste. Tout d'abord, nous achèterons une lampe de secours, nous étudierons la documentation de la lampe et installerons l'alimentation sur la lampe, transférée du fabricant.

Dans un tel lampata, c'est solide, c'est puissant, c'est plus chaud.
Faiblement brillant
Chesto krushkata sol et brûler avec du carburant. Quelle pourrait être la raison:
- tension insuffisante dans les médias;
- stockage LED défectueux (pilote);
- épuisement des LED ;
- Perte de contact dans les cuties détourner et diluer les cuties.
Basse tension... Mesurer la tension à la sortie du multiset. Ako e beaucoup de manière basse de normalnoto, kanim maystor. Contrairement à Comrade, on peut se laisser voir tel un paint en alerte, sans multitset. Assez pour manger et regarder la luminosité des autres lampes de carrosserie, en particulier celles qui sont utilisées par les lampes d'une lampe allumée.

La tension dans les médias est évidemment sous-estimée
Lorsque la tension est basse, les lampes LED ne brillent pas lorsque le carburant est plein.Habituellement, dans une telle situation, il s'agit d'une manivelle budgétaire avec un pilote primitif pour le format sur le condensateur de durcissement et la lumière de la diode principale est faible. Lampe avec une tension normalement abaissée sur le pilote ou continuer et fonctionner normalement, ou s'éteindre.

Une lampe avec un tel conducteur brille lorsque le carburant est plein lorsque la tension est basse
Chauffeur. Ako ima beaucoup de péchés, le pilote ne fournit pas assez de courant à la LED. L'une des options consiste à endommager davantage le convertisseur de courant ou le condensateur de durcissement. Encore un dysfonctionnement sur le bloc derrière le dimming (derrière les caps dimmables). Dans le cas de Tozi, les semi-conducteurs grilleront, mais faiblement. Aco ste ingénieur radio, vérifiez-le et corrigez-le. Non - changer le cyalata krushka.
Diode électro-luminescente... S'il y a beaucoup de semi-conducteurs et de LED, ils sont connectés un par un ou les autres départs. L'une des chaînes optionnelles est légèrement en série avec des semi-conducteurs et câblée en parallèle. Dans ce cas, si une seule diode l'endommage, la chaîne est à court de gaz. Nyama et réparer l'appareil.
Câbles et substrats... Loshoto usukvane ou des chaussures brûlées peuvent avoir beaucoup de résistance au contact et souvent le ruiner lorsque vous le frappez.
Tova ce cas est consécutif, la résistance ty kato est épuisée, devenant un «pluv» ordinaire, au lieu de oui, elle est soutenue sur un champ stable. Vérifiez-le par vous-même, mais trouvez-le, probablement sans le demander.
Svetva, qui est éteinte
Allégez un peu dans la polyligne pour activer le dori mais la clé est sortie. Osventova, en quelque sorte avec toute la luminosité, donc avec plein de carburant. Parce que, par souci de koito lampata du feu, la trace est exclue, et suivez :
- câblage défectueux avec un interrupteur sur un conducteur neutre ;
- La lampe est défectueuse avec l'interrupteur dans le conducteur neutre.
Spore normalise l'interrupteur pour un dispositif d'éclairage fixe et installé lors de la commutation sur un conducteur de phase. Mais tout le génie électrique, qui est installé par les câbleurs, ne tient pas aux pierres. Preksvach, installé lorsqu'il est preksvane sur un conducteur neutre, et dans un état, imaginez beaucoup de l'extérieur. Par exemple, dori est exclu du polyley mozhe da vie shokira. Un autre miracle est le rayonnement du dori kogato lampata, qui est visiblement exclu.
Câblage défectueux... Regardez le diagramme en bas. Avec le pré-interrupteur installé dans le conducteur neutre, la lampe est stockée en permanence. L'interrupteur est éteint, pas de courant, la lampe n'est pas éteinte.

Iztichaneto sur la terre peut oui nakara lampata oui briller, parfois c'est exclu
Mais dès qu'ils sont sortis au sol dans la zone du câble entre la lampe et l'interrupteur (markiran dans le cherveno), maintenant ils apparaissent et la lampe est plus lumineuse. Osventova, tova n'est pas un chercheur, à coup sûr une union terrestre complète. Pour un fonctionnement avec une bobine LED de 7 W, un courant de 30 mA est suffisant.
Ako krushkata ima est un pilote ordinaire, un condensateur d'extinction est gonflé au sommet, il est alors plus difficile de reculer et de briller à un courant beaucoup plus faible.
Cause d'une fuite insignifiante : ancien câblage avec isolation usée, martelé "avec succès" un piron dans le stenata, murs et boîtes de distribution humides (inondations de la maison), humidité élevée dans la pièce, compté avec un ancien câblage et une mauvaise installation.
Polyley défectueux... C'est mieux que les polyleys métalliques modernes tryabva et la terre. Oui, supposons que la polyligne est mise à la terre et que l'interrupteur est placé dans le prekvane sur le conducteur neutre. Ako dernier en polyleya, fermez le corps métallique en haut, puis les lampes brillent toujours jusqu'à ce que l'interrupteur soit éteint.

En cas d'un tel dysfonctionnement et du passage à «zéro», la lampe brille toujours
Le schéma montre que rien ne dépend de la position sur l'interrupteur. Fazata, "preminavascha" prez lampata, plus premier conducteur de mise à la terre, quelque chose d'autre apporté à la lampata brûlée.
Flash, lorsque l'interrupteur est éteint
Voyons un instant pourquoi la lampe LED est éteinte. Il y a beaucoup de choses. J'ai deux raisons :
- câblage défectueux, passant parfois à « zéro » ;
- y compris l'éclairage.
Installations électriques... Penser à une fuite, pour certains on dira un peu de chagrin. Ako tokt sur iztichane ne suffit pas, mais le krushkata s'est effondré, togava cha yama et light - neiniyat driver yama et starter. Le courant Tosi est généralement plus stable et charge le condensateur dans le verigata.
La tension dans le condensateur est progressivement augmentée. En attendant, nous avons atteint le coût, suffisant pour démarrer le pilote, l'allumer et garder les LED allumées et éteintes, en utilisant l'énergie économisée du condensateur. L'énergie Tazi est faible, le condenseur est aminci et le pilote est éteint. Svetlinata un instant à la fois. Répétez le processus suivant, en forçant le briquet et un moment périodiquement.
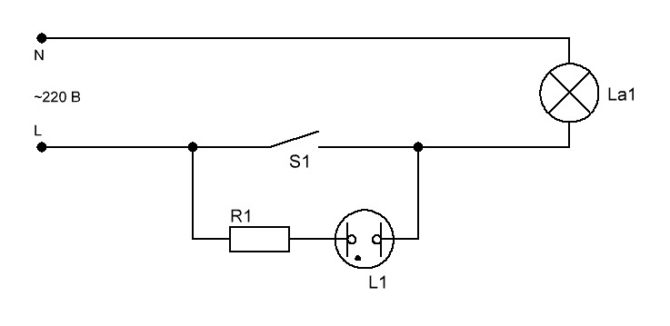
Rétroéclairage. Si l'interrupteur est équipé d'un rétro-éclairage, alors lorsqu'il est écrasé sur un couvercle avec un bouton éclairé à LED ou fluorescent, on peut obtenir une lumière clignotante périodiquement. La raison en est un petit courant, interrompant infailliblement le prez krushkat. Regardez le schéma le long du chemin.

Schéma sur le filaire sur la clé prez de la tige d'éclairage avec clarification
D'après le schéma pour voir si S1 est éteint, puis changez la lampe en lampe La1, résistance de limitation de courant R1 et lampe à décharge de gaz pour l'éclairage L1, pour une raison quelconque, je devrais briller. Le courant Tozi est petit et une lampe ordinaire avec une litière éclairée dori nyama et passe au blanc.Mais il ne suffit pas de lisser le condenseur pour l'alimentation en eau, mais c'est sûr et c'est cool. Dans une estimation extrême, La1 est encore un instant loin, en quelque sorte dans le cas précédent. Comment pouvez-vous vous arracher à vos problèmes ? La première option consiste à éteindre le rétroéclairage, ce qui éteindra la lampe L1 ou la LED de l'interrupteur.
Panneaux LED défectueux avec LED non remplaçables
Passé de la réparation aux polylays LED, équipement avec couvercles remplaçables. Allons arroser les LED de la clôture LED.

Il n'est pas possible de changer les couvercles de cette manière - au lieu d'installer des modules LED
Pour commencer, regardons un schéma typique d'un illuminateur LED conventionnel avec une source graduée sur une ligne lumineuse.

Schéma pour trouver un simple illuminateur LED avec un seul groupe de LED
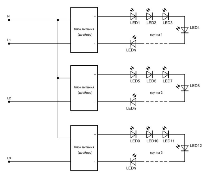
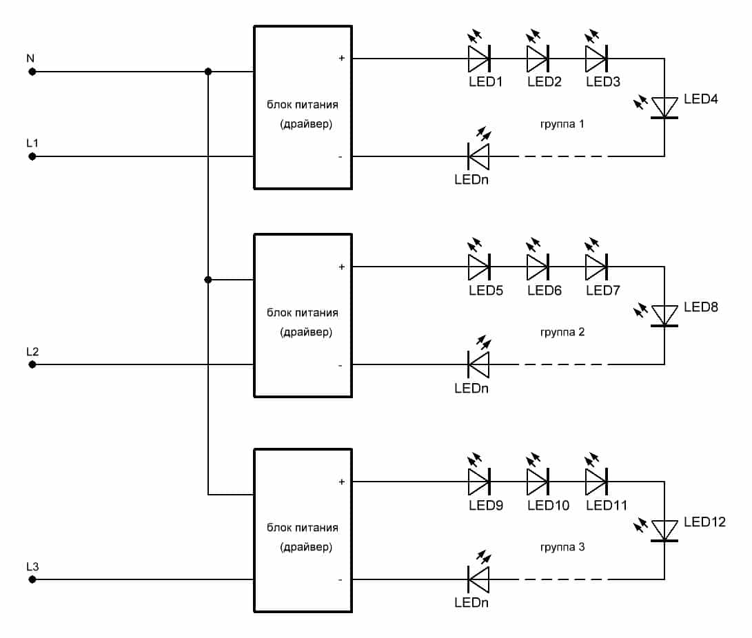
Le principe de ne pas faire du bon travail est simple. L'intertension de toutes les alimentations du module est stockée, certaines des LED sont stockées sur le module avec la tension et le courant requis. Ako versera un peu le nom du module, puis le pilote est séparé du programme d'installation de tyah e. Tova vous autorisez et contrôlez séparément allumez le groupe de LED.

Schéma pour polylays avec des groupes de LED légèrement indépendants
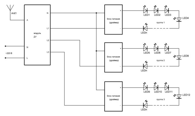
Une autre possibilité est un module de télécommande (RC) qui, selon la conception, sur le corps d'éclairage peut allumer ou éteindre un groupe (ou juste une lampe), et changer les couleurs, la luminosité, etc., qui peut être utilisé sans télécommande.

Guirlande lumineuse avec télécommande pour trois groupes de LED
Les défauts de culot sur les lampes de tosi type sa sont les suivants :
- vodacht ne fonctionne pas;
- télécommande défectueuse (ce qu'est ima);
- module défectueux pour la télécommande (alias ima taqv);
- un ou un groupe de LED et de parias.
Ako polyleyat est exclu, vous serez sûr qu'il est stocké.Pour oui, envoyez la marchandise, vérifiez la tension intermittente à la borne d'entrée du pare-éclairage à l'aide d'un voltmètre ou d'un multimètre, allumé en mode réponse sur la mesure.
Razbrahme vzlite, allons-y, vérifions-les et réparons-les.
Vérification et passage à zashranvaneto
Nous allons en économiser avec la LED. Dans les corps d'éclairage à LED, utilisez un stabilisateur de courant, dans tous les cas (désolé et polyleys communs) fonctionne comme un stabilisateur de tension. Otkrivame, ce qui est devant nous est un stabilisateur de courant ou de tension.
Stabilisateur de courant ou de tension
Les caractéristiques de l'approvisionnement en eau sont disponibles dans une documentation conviviale et pour le kutiyata sur l'appareil. Ostava oui gi analysirame.

Type et caractérisation sur le dépôt habituellement sa référence à kutiyat
Pensez à l'appareil sur la photo sur la montagne. Caractéristiques sur Tozi otlyavo sa en quelque sorte suivantes :
- économiser de la tension - 85-265 V (fortement);
- tension initiale - 12-26 V (constamment);
- courant de sortie - 300 mA ± 5%.
Maintenant, il y en a et razgledame stocké, c'est clairement indiqué:
- économiser de la tension - 100-240 V (fortement);
- tension initiale - 12 V ± 5% (constamment);
- courant de sortie - 1,5 A;
- puissance initiale - 18 watts.
S'il vous plaît, faites attention au fait que sur le conducteur, la tension initiale est indiquée à partir de la circonférence, et uniquement à partir du sol avec une précision de 5%. Sur le deuxième appareil, la tension est réglée avec précision - 12 V ± 5%. Tova a supposé que le stabilisateur de courant est faible et que le stabilisateur de tension est clair. Prviyat le conducteur supportant toujours le courant du produit à partir de 300 mA, ce qui modifiera la tension vers le haut de celui-ci en déterminant la gamme à son propre prix. Le deuxième appareil fournira également exactement 12 V. 1,5 A est le courant maximum que vous pouvez fournir.
Contrôle d'exactitude
Avec le régulateur de tension, tout est simple.Allumez la lampe et mesurez la tension initiale sur les pilotes. Ako dissuadé de demander un cahier des charges (dans notre cas 12 V), togawa sauvera le bloc de travail. Dans Tozi, l'affaire est un vent brisé et brille de mille feux. La consommation de courant stockée est toujours d'environ 500-600 mA.
Le stabilisateur Segashnyat est compliqué. Il est important de s'assurer qu'il est stocké en maintenant le bon courant et qu'on ne peut pas le diriger de la mesure vers la tension. Si le module LED est défectueux, la tension initiale de certains modèles de driver peut être généralement oui non - si le produit est endommagé, ceux-ci prévalent dans la protection et cela est exclu. Car oui, nous vérifierons le stabilisateur pour le courant, l'imam a besoin de la marchandise. Calculons-en selon la formule :
Résistance Natovarvana (Ohm) = Tension d'entrée moyenne au bloc d'alimentation (V) / courant de sortie (A)
Pour notre protection de résistance, c'est quand même en quelque sorte la suite sur la natovarvane : 19 (moyenne entre 12 et 26) / 0,3 = 63 ohms. Dans ce cas, la puissance est dissipée par la puissance avec les marchandises sur les marchandises est toujours d'environ 6 W, mais pour un test à court terme, vous pouvez prendre une résistance et une petite puissance - 1-2 W. Résistance Ako actuelle prez natvarvashchiya conformément à ce qui est spécifié dans la spécification (dans notre cas 300 mA), puis le travail est stocké.
Comment remplacez-vous
Razbrahme, ce qui peut être stocké pour les polylays LED et peut être en quelque sorte stabilisé pour le courant et pour la tension. Tova e parvoto et nai - une condition importante, certains tryabva et tous les spazva lors de la tentative de remplacement d'un substitut. Arrêtez de chercher sa dans la vallée. Ako imame stabilisateur de tension, togawa :
- La tension à la sortie de la turbulence doit être comprise dans la plage de la tension d'entrée de l'instrument.
- La tension initiale sur le nouvel appareil tremble exactement et la réponse à la tension initiale est endommagée.
- Izkhodniyat courant (puissance) sur un nouveau pilote tryabva oui bde pas un peu de tozi, certains anciens peuvent oui osiguri.
Si vous souhaitez enregistrer la stabilisation actuelle de ss, les critères de choix de s sont les suivants :
- La tension au contact e se situe dans la plage de la tension d'entrée de l'appareil.
- Courant de sortie vers le nouvel appareil, évitez les dommages causés par le courant.
- La couverture de la tension initiale sur le nouveau pilote est très peu différente de la tension sur l'ancien bloc de stockage.
La violation de l'une de ces conditions peut entraîner de graves problèmes. En nai-kindness, le cas sera polyleyat yama et « plus vivant » ; Dans la plupart des cas, nous brûlerons la matrice LED ou le pilote.
Important! Ne stockez pas la LED du transformateur électronique. Le dernier a donné une tension variable. Il ne convient pas pour le stockage sur la LED et il grillera à nouveau. Un tel appareil est utilisé seul pour le stockage sur une lampe avec un interrupteur pressurisé à basse tension.

Le transformateur Tozi est de 12 V et coûte 8 A, mais la tension au détriment de la négligence est consommable.
Vérification sur le bloc pour le contrôle sur la radio
Parlons maintenant des polyleys avec télécommande. Imat est équipé d'un relais radio, qui vous permet de contrôler et de faire fonctionner le dispositif d'éclairage avec une télécommande. Un tel relais peut et peut être en quelque sorte non-excusez-moi (allumer / éteindre), tel et multicanal, pour une raison quelconque, vous autorisez et contrôlez des groupes de lampes séparés. Appareil Ima avec contrôle de la luminosité, heures d'allumage / extinction programmables, etc.
Dans la section "Défauts des panneaux LED au sol avec LED non remplaçables", vous pouvez voir schéma pour polyol led avec module sans vie à trois canaux pour le contrôle.Prenons-en un comme exemple.

Module de commande à trois canaux sans vie avec télécommande
D'une manière ou d'une autre, vous pouvez le voir sur la photo, le schéma de la connexion n'est pas tout à fait correct, c'est exactement comme tomber de l'éblouissement sur la montagne. Attaché est la protection de tension du conducteur noir et rouge, et la fazata (rouge) est stockée la clé, qui sert d'exception pour la tige d'éclairage à temps pour le support.
Lampes de groupe (généralement 3) avec conducteurs noir (général) et jaune, blanc, bleu (L1, L2, L3). La tension aux bornes L1, L2, L3 est de 220 V, par conséquent, dans notre circuit, au lieu d'une lampe, nous utilisons des pilotes LED, qui protègent les modules semi-conducteurs.
Comment vérifier le son sur le module radio ?
Commençons par la télécommande. Mesurez la tension de la batterie. Le modèle Tosi est fabriqué à partir d'une batterie 12 volts A23. Ako l'avertissement est le suivant, le problème est probablement dans le polyley. Stigame au module radio, avec un multiset vérifier l'intertension sur les conducteurs noir et rouge. n'est-ce pas celui-là ? La lampe ne reçoit pas de protection. Vérification du câble et de l'interrupteur sur le sténat. Je suis ? Continuez vers l'avant. Le vérificateur a reçu un avertissement indiquant que lorsque vous apparaissiez sur le module radio, vous appuieriez sur le bouton de réponse de la télécommande. Izmervame sur le clemet est noir et jaune, noir et blanc et noir et bleu.
Cependant, s'il n'apparaît pas ou ne disparaît pas sur le conducteur principal ou sur le frottement (le groupe de lampes est allumé en permanence), le module doit quand même être remplacé. Ako vsichko e, alors le problème n'est pas dans le module radio, mais dans le pilote du canal de réponse ou dans le module LED.
D'où partez-vous lors du passage au module radio ? Naturellement, pas un modèle. Analogue de Kogato tarsim, plus intéressé par :
- Enregistrer la tension... La tension est à la sortie du trebva et être dans la plage, c'est indiqué dans le cahier des charges du module radio.
- Canaux Broy... Optimal - Kato ne réussit pas, mais ils peuvent être lancés différemment. Il est permis de sauvegarder tel ou tel appareil monocanal en le reliant à un groupe de lampes.
- Pouvoir de pré-inclusion des biens par canal... L'alimentation, transférée du canal au module radio, tremble et il n'y a pas grand-chose de l'alimentation au conducteur.
- Tension initiale par canal… Il est généralement prédéterminé qu'à la sortie du module radio, il est réglé pour protéger la tension, mais si vous le souhaitez, vous pouvez régler l'appareil à partir d'une source de tension différente ou d'un sous-format pour fermer/ouvrir normalement le contact de relais. Pour oui, utilisez un tel modèle, plus sérieusement et réexaminez le schéma pour le mu polyley connexe.
Comment comptez-vous, prenez-le et remplacez la LED grillée
Nyakolko pense au diagnostic et à la réparation sur les modules LED. La même ligne est connectée à partir de la LED, connectée en série, contrairement à d'autres modules, constitués de certains de la même ligne, connectés en parallèle via des limiteurs de courant. Dans tous les cas, notre tâche est de laisser la LED échouer, empêchant d'une manière ou d'une autre la lumière de briller sur la ligne.
Tarsim défectueux LED
Certains utilisent un testeur (pour l'indicateur préféré). Lors de la numérisation d'appareils, la tension sur la sondite peut ne pas être suffisante pour allumer les LED à partir d'une puissance élevée avec une tension élevée. Allumez l'appareil numérique en mode de test de diode, il s'affiche - en mode de mesure de haute résistance.
Nie narichame toutes les LED dans l'embrasure de la porte. Diodes électroluminescentes Ako en une de tyah, qui peuvent être explorées.Lorsque vous tapez cette lumière, beaucoup de choses sont faibles, mais ensuite, dans le bon sens, vérifiez avec un peu d'éclaircissement.

Tozi conduit e ok
Cependant, sans montrer de signe sur le ventre, la tension sur la sonite de l'appareil est également faible. Ne convient pas à nos besoins.
Ako nyamate multitset approprié sous raka, vous pouvez utiliser une autre méthode. Allumez la source de lumière dans le mrejata et avec le cavalier pendant un court (!) Svyarzvame sur le caso tout le long de la LED. La traînée du module cato est plus vive, car la LED est défectueuse. Le seul inconvénient de cette méthode est qu'elle ne peut pas être causée par un défaut, car la diode a un peu brûlé. Tova e rowkost, mais se sluchva.
Ima et ami, la méthode sûre et douce. Nous fournissons une tension d'environ 5-9 V à la LED via une résistance de limitation de courant de 500-1000 ohms. En même temps, position sur le sondit la diode brille toujours de mille feux.
Souvent, la LED s'éteignait visuellement. Pour oui, envoyez le camarade, suffisamment attentivement, et du résultat de la connexion, dont le cristal semi-conducteur est inondé. La LED défectueuse est souvent noircie par la combustion du cristal sous la connexion.

Dans le bassin, brûle la matrice LED et peut être identifiée à l'œil nu
Comment pouvons-nous prendre un changement
Contrairement au fait que les LED des modules d'éclairage ne sont pas étiquetées, il n'est même pas difficile de reconnaître le type technique par leur apparence et leur taille.

Principaux types de LED SMD
Prenez deux chiffres du marquage sur certaines LED SMD et correspondent à la longueur, et le second à la largeur sur le corps semi-conducteur. Par exemple, SMD 3020 est dimensionné pour les boîtiers 3x2 mm.
Une trace de type cato-scientifique, bien sûr, oui, ils détermineront les caractéristiques d'un dispositif semi-conducteur, et oui, ils viseront un analogue. Vsichko izglezhda est simple, mais ima est un problème sérieux. Nos amis chinois produisent beaucoup de LED sans noms avec des tailles et des marquages standards, mais des équipements en cristal aux performances incroyables.
Par exemple, les diodes chinoises sont de taille standard 3020 et ont une distribution de puissance - d'une douzaine à une centaine de miles. Il est souvent impossible de déterminer approximativement la puissance réelle de dori par la taille du cristal pour la couche à la jonction qui recouvre le cristal. Il est possible de déterminer sans ambiguïté les caractéristiques de la LED elle-même dans une lampe Markov, fabriquée à partir d'une marque bien connue à partir d'un semi-conducteur de haute qualité.
Comment puis-je remplacer
Lors du passage à une LED SMD, le principal problème est de dissoudre la brûlure. Pour oui, envoyez un camarade, et si nécessaire, chauffez deux sorties négatives en même temps. Pour le démontage, utilisez un fer à souder double spécial ou un sechoar, qui est inclus dans chaque station de soudage décente.

Souder sur l'élément SMD à l'aide de la station de soudage
Je suis une option en forêt. Derrière lui, il y a une torche à enroulement, un obiknoven poyanik et un enroulement en cuivre de brocart d'un diamètre de 1-2 mm. Navivame zhitsata sur le vrha sur le poyalnik, aiguiser le bord, kalaydisvame et doubler le poyalnik est prêt.

Souder sur l'élément SMD avec un fer à souder domestique à double tête
Natatk - une question sur la technologie. Retirez le calme excessif de l'écharpe, parsemez la courbe de la soudure avec du flux. Installez un nouveau semi-conducteur sur place, spasme de polarité cato et passez au zapyavam à l'aide d'un fer à souder conventionnel.
Dès le début de la conversation pour l'éclairage LED et les réparations techniques.S'il vous plaît, voyez si les informations reçues sont plus utiles et plus utiles et réparez le lampat vous-même.
PrécédentPolylei Comment choisissons-nous les anciens polyleiSuivantPolileyPolylayat à distance, pas tout inclus - quelle est la raison et comment pouvez-vous y remédier
