Le dispositif et le principe de l'action sur le ballast pour lampes fluorescentes
Contrairement aux développements récents de la technologie des semi-conducteurs, les lampes fluorescentes continuent d'être largement utilisées. Dans le bassin, nous analyserons une partie du ballast sur la lampata. Examinons l'élément de sécurité de chaque lampe fluorescente. Osvent coma, analysons la réparation simple sur tosi ballast.
confinement : 1. Quel est le ballast et quel est 2. Sortova 3. Options pour le diagramme sur le lien 4. Réparation de ballast électronique pour lampes fluorescentes
Quel est le ballast et quel est
Pour oui, vous comprendrez pour une sorte de ballast, tryabva et comprendrez le principe de travail sur une lampe fluorescente (LL). Pensez au dispositif neuronal. Structurellement, chaque lampe fluorescente a un capuchon en verre sous le format du tube, dans les bords duquel les bobines réfractaires sont scellées avec un liquide chaud, qui est l'électrode. Kolbat e polna avec un gaz inerte avec peu d'ajout au métal zhivak. De l'extérieur, il est recouvert de phosphore - une substance capable d'émettre de la lumière visible lorsqu'elle est exposée à la lumière ultraviolette.

Construction et principe d'action sur LL
Chaque fois que vous placez une électrode dessus, vous verrez une décharge scintillante dans le bol. Le flux de l'électronique active les atomes et ils ne sont capables de rayonner que dans la gamme ultraviolette. Exposition à la lumière ultraviolette au phosphore, qui brille fortement dans le spectre visible.
Samiyat ultraviolet se absorbeur de phosphore et stakloto sur krushkat. Ne sortez pas de la frontière sur la lampata. Tova eliminir a un effet nocif sur le rayonnement ultraviolet du haut du horat.
Sur la théorie vsichko e est simple.Chez l'étudiant, la lampe est éteinte, une fois la tension appliquée à l'électrode, la décharge est élevée et la tension est élevée, et la résistance est condensée au gaz inerte entre l'électrode et le solide élevé. Avec un démarrage, le sol est complètement vaporeux, la résistance est gazeuse entre l'électrode de la forte chute et la décharge dans l'ampoule brille, se transformant en une décharge d'arc incontrôlable. Pour un travail normal sur la lampata, essayez et remplissez deux conditions :
- Startiran.
- Soutien au travail actuel prez kolbat.
Tova est gouverné par des ballasts, ou des ballasts, ou des ballasts. Sans ceux-ci, une seule lampe fluorescente ne peut pas fonctionner.
Sortova
Ballast principalement cato pour une lampe fluorescente utilisant un étranglement électromagnétique (ballast) avec un démarreur. Tozi kit bêche nommé ballast électromagnétique - EMPRA. En termes de transistors et de microcircuits, des analogies électroniques apparaissent sur des ballasts électroniques, remplissant une fonction. Ils l'appellent ballast électronique (ballast électronique) ou simplement "ballast électronique". Pensez à la conception et au principe de travail sur ces ballasts.
Souvent, EMPRA signifie accélérateur auto-électromagnétique, ce qui n'est pas tout à fait vrai. Accélérateur et démarreur EMPRA e - deux blocs séparés.
électromagnétique
EMPRA – tova e enroulement d'arrêt classique, enroulé sur un fil magnétique et une lampe à décharge de gaz de petite taille à partir de la barrière de contact bimétallique (fonctionnement par électrode).

Accélérateur + démarreur = EMPRA
Pensez-y, filtrez à travers la lampe avec ballast électronique. Lorsque vous l'allumez, dans le flacon de démarrage, vous démarrez la décharge, certaines des électrodes bimétalliques sont sales. En conséquence, sur l'électrode tovar, elle sera soudée et connectée à la cellule de garde de la preddrosela sur la spirale sur le LL de l'électrode.Dans ce cas, la décharge est éclairée dans le creuset de la lampe d'amorçage à partir du gaz.
Les spirales sur une lampe fluorescente chauffent et leur capacité à émettre de l'électronique augmente plusieurs fois. Contactez le cato trace sur le démarreur, ils le refroidiront, ils le feront bouillir. En conséquence, une impulsion avec une tension élevée (jusqu'à 1 kV) est apparue sur la ligne de l'électrode LL, qui a été supprimée de l'auto-induction sur les selfs.

Schéma typique d'une lampe fluorescente avec EMPRA
Sur le schéma, les lettres indiquent :
- A est une lampe fluorescente.
- B - Réseau AC.
- C - démarreur.
- D - électrodes bimétalliques.
- E - condensateur d'étincelles.
- F - niches de la cathode.
- G - papillon électromagnétique (ballast).
Tension de claquage élevée Le sol est clairsemé dans le flacon LL. Dans le cas de zhivakt, le changement est à l'état vaporeux, la résistance est sur l'intervalle gazeux d'une forte baisse. Afin d'éviter que la décharge ne se transforme en un arc incontrôlé, elle est limitée par la self avec une résistance clairement inductive. Zatova se narich ballast.
Électronique
Extérieurement, le ballast électronique d'une lampe fluorescente est similaire à l'électromagnétique. Cet ima présente de sérieuses différences de conception et un principe de fonctionnement différent.

Ballast électronique (grillé) et "flnene" non prêt
D'une manière ou d'une autre, vous pouvez voir sur l'image qu'il y a beaucoup d'éléments radio dans le ballast électronique. Jetons un coup d'œil à un schéma fonctionnel typique d'un ballast électronique et voyons comment cela fonctionne.

Un schéma fonctionnel typique sur un ballast électronique
La tension intermédiaire actuelle est interrompue par le filtre EMI, la corrigeant, l'effaçant et la fournissant à l'onduleur. Tâche de l'onduleur et tension osiguri pour le travail sur LL. La tension générée par l'onduleur alimente la lampe au convertisseur pour la limitation de courant (ballast). Schéma pour le tirer hors de lui-même pour le lancer sur LL.Une trace de la fonction de si, celle de la non-participation au travail natatshna.
Placez l'onduleur, le ballast et le démarreur dans une séparation conditionnelle dans un schéma fonctionnel. Fonctionnent principalement sur le ballast de l'onduleur, qui sert en outre de stabilisateur de courant. Dans certaines des chaînes de ce jeu, le rôle du démarreur a été joué, quelle que soit la décision brutale d'attaquer la spirale sur le lampat et de la stocker dès le début de l'impulsion avec une haute tension.
Excusez-moi, démarrez les chaînes comme un condensateur conventionnel, qui forme une chaîne oscillante avec une spirale et hors de l'accélérateur. Dernière mise à la fréquence de l'onduleur. Résonance, montant à l'épuisement de la lampe, suspendant la tension sur l'électrode de la lampe à un ou dix kilovolts et enflammant la décharge dans le ballon sans accrocher d'abord la spirale (début de l'étudiant).

Dans le bassin, la lampata du démarreur est sur le studeni de la spirale du condensateur, qui forme une chaîne résonnante
Quel genre de régime est-ce? En premier lieu, trepteneto. Inductance électromagnétique conventionnelle pour le stockage des lampes avec courant changeant de 50 Hz. Le phosphore a une faible inertie et dans l'intervalle entre les demi-lumières, gâche légèrement la luminosité pour l'éclat. En conséquence, cette lampe fluorescente est blanche. Tova e losho pour la vision.
Il tremble surtout lorsque la lampe s'use, du phosphore détruit ses propriétés inertielles.
Onduleur, économisez LL, travaillez sur la fréquence à partir du deset et dory statistique kHz. Dans ce cas, l'inertie sur le phosphore e est suffisante, pour oui, "dès le début", pause entre les impulsions sur le stockage sans trou dans la luminosité. Toest, merci pour le ballast électronique, la lampe fluorescente et le faible coefficient de pulsation.
Le circuit électronique Osventov d'Osiguryav est stocké de manière stable sur la lampe, mais la tension est différente de la tension nominale. Par exemple, le ballast électronique POSVET (voir la photo du haut) permet de LL et de travailler à une tension intermédiaire de 195 à 242 V. Si la lampe est connectée via le ballast électronique, à une telle tension ou même moins d'exploitation, ou il n'est pas encore moulu.
Options pour le diagramme sur le lien
Razgledahme verigata pour connecté à une lampe fluorescente et un ballast électromagnétique. Toy e est standard et sans variation. Équipé d'une berline avec un condenseur, fixé sur la tige d'éclairage. Qui servent à la peinture sur puissance réactive, consommatrice de tous les biens réactifs, y compris la drosela.

Schéma pour une lampe fluorescente avec un ballast électronique et un condensateur de compensation
Deux lampes fluorescentes peuvent être connectées l'une à l'autre par un seul étranglement. Dans ce cas, essayez et essayez de suivre les conditions :
- LL
- La puissance du ballast est égale à la somme des puissances sur le LL.
- LL sa conception pour une tension de travail de 110 V (parfois elle est protégée du 220 V).
- Le démarreur est conçu pour une tension de fonctionnement de 110 V.
Le schéma pour connecter deux lampes à un seul starter est le suivant (la puissance du starter est de 36 W et la lampe est de 2 × 18 W conditionnellement):

Guirlande lumineuse avec deux lampes fluorescentes par EMPRA
Important! Pour une compensation efficace de la puissance réactive, il est nécessaire de sélectionner un condensateur avec une capacité appropriée. Dépend de la puissance de la tige d'éclairage. Par exemple, une lampe de 18 W et un condensateur de 4,5 µF. Dans une lampe de 60 W, la lampe a une capacité de 7 μF. Condensateur le condenseur et sa non polaire et conçu pour fonctionner sous une tension minimale de 400 V. Il est généralement utilisé par les chartes de condenseur MBGO et MGP.
Ton ballast électronique kato, en règle générale, tient un dispositif de démarrage, f-forest et svrzhet LL pour lui. Pour oui, poussez le corps éclairant, et secouez le conducteur lui-même. Non-pardonnez l'exemple d'une seule lampe, d'un seul ballast électronique.

Circuit standard connecté derrière LL via un ballast électronique
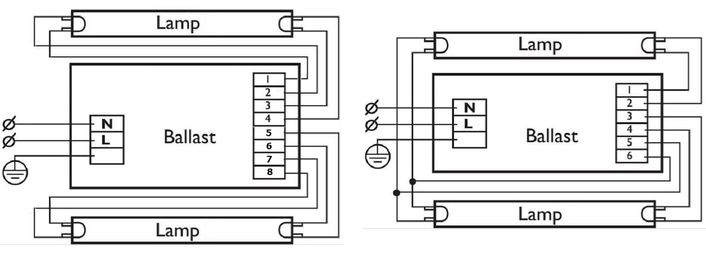
Ima balasty, qui travaille avec beaucoup de lampes. Par exemple, dans la vallée du sa, schéma sur le raccordement pour ballast électronique pour 2 LL.

Possibilités de joindre l'ECG pour deux lampes
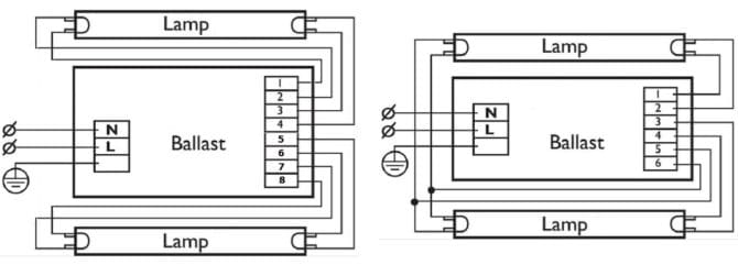
Schéma pour svyarzvane sur le ballast, conçu pour fonctionner avec quatre LL, parmi les suivants :

Schéma de connexion au ballast pour 4 broches luminescentes
Les appareils universels, selon le circuit de commutation, peuvent et fonctionnent avec n'importe quel commutateur LL avec une puissance différente.

Le ballast universel et ses circuits sont prêts à être allumés
Schéma de connexion au ballast électronique se namira sur les coques mu retour kjm sdzharzhanieto ↑
Réparation de ballast électronique pour lampes fluorescentes
Avant de réparer le ballast, assurez-vous que le problème ne vient pas de la lampe samata. Ce n'est pas difficile, mais vérifiez l'exactitude sur LL. Pendant tout ce temps, de la lampe et sonnez la cathode des spirales avec tout le testeur au mode sur la mesure pour une faible résistance. Ako imame taka nommant CFL en riyet si, puis nous le décomposerons encore plus, puis nous prendrons une spirale. Lors de la vérification des deux côtés de la spirale, l'appareil tremble et montre une résistance de quelques unités à quelques dixièmes d'ohm (selon la puissance de la lampe).

Vérifier l'intégrité de la spirale sur la cathode LL avec multicet
Ako manque à la spirale, ne "sonnez pas", la lampata est défectueuse. Dans l'image dans une montagne, mou, travail en spirale, d'une manière claire - dans un rocher. LL ne fonctionne pas et il est impossible de le réparer.
Les dysfonctionnements sur le LL peuvent même être dus à une décroissance sur la couche active, attachée au sommet de l'hélice, malgré le fait qu'ils sonnent toujours. À un certain moment, la tension au démarreur fonctionnant sur la lampe et la tension de travail augmentent fortement. Les ballasts électroniques ne peuvent pas et ne veulent pas oser. Mais de tels dysfonctionnements ne semblent pas anodins. La lampe a commencé à briller fortement, a redémarré spontanément et, par conséquent, elle s'est complètement éteinte.
Schémas généraux
Avant d'oublier la réparation, réfléchissez un peu aux croisements de chaînes de ballasts électroniques pour lampes fluorescentes. Nous allons en enterrer quelques-uns avec nai-désolé. Utilisé dans tous les illuminateurs de faible puissance, y compris les lampes fluorescentes compactes (CFL).
Schéma d'un ballast ordinaire pour une lampe fluorescente
L'intertension est corrigée à partir du pont de diodes D3-D6 et est supprimée du condensateur haute tension C4. Les interrupteurs de préfiltre L2, C7, qui protègent le générateur de blocage, sont connectés aux transistors Q1, Q2 et au transformateur T1. La fréquence de travail du générateur est généralement de 10 à 20 kHz. Tension pulsée, prélevée sur l'enroulement T1, en appliquant la pres- t de l'inductance L1 pour cathoder les conducteurs sur le tube fluorescent LMP1. Répétez l'échappement sur la cathode avec la connexion à travers le condensateur C5.
La trace a été donnée pour protéger la chaîne de l'alterno-démarreur. Km cathode sur la lampeat tout en appliquant une tension avec honnêteté sur la conversion. Dokato dans la décharge de kolbat yama, puis prémine le prez spiralite et C5. La capacité C5 est choisie pour être reliée à l'enroulement LMP1, à la self L1 et à l'enroulement T1 et former une chaîne d'oscillateurs, accordés sur la fréquence du générateur. En raison de la résonance, la tension sur la cathode est augmentée à 1 kV. Vznikva razrushvane sur une distance remplie de gaz dans un kolbat - un démarreur lampata.
Par souci de faible résistance à la raréfaction dans l'ampoule, le condensateur C5 du manipulateur, la résonance de cette décroissance et la tension de fonctionnement, il est nécessaire que LL lui fournisse l'électrode. Le prez actuel de la manivelle LMP1 est limité à partir de la manette des gaz L1.
Ce travail s'effectue sur un starter de tempe, de taille modeste par rapport à un ballast électromagnétique fonctionnant à 50 Hz.
L'étudiant oshiguryava du programme Tazi commence le lampata. C'est-à-dire qu'il se fusible sans polluer au préalable sur la cathode et quasi instantanément. Ce n'est pas le mode optimal, mais il réduit considérablement l'abdomen de LL. Maintenant, il y a un schéma à voir.

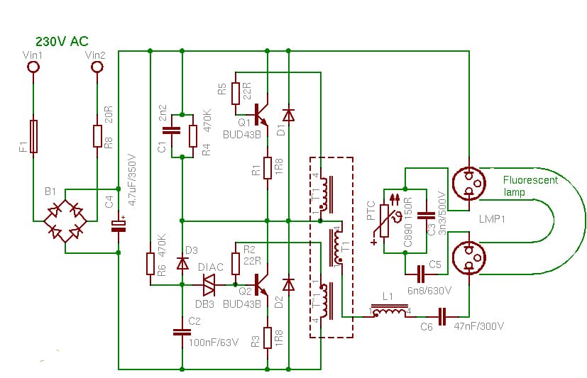
Cercle de ballast simple avec serpentin chauffé
Kato tsyalo verigata e syshchata est similaire au principe d'action. Tension intermédiaire du corrigier, tonte et alimentation d'un groupe électrogène, qui est de son propre pays, LL. Mais attention à la thermistance, le condensateur C3 est connecté en parallèle avec le point de départ. La thermistance est positive TCR (tel est le dispositif du senaire est aussi un posistor). Dokato e studen, faible stabilité. Lorsque vous allumez le stockage de la lampe, le positort du shunt C3 et ne résonne pas, il chauffera la tension de fonctionnement, ce qui ne suffit pas, mais forme une décharge dans la bobine LMP1.
La trace est connue au moment de posistorat se chauffage du courant, contrairement à elle. Opposez-vous à mon peuple. Le condensateur C3 de la spirale est maniable, ce qui entraîne une résonance. La tension sur l'électrode est portée à 1 kV. Ventilation de Nastupva en gaz propep à kolbat - lampata tout compris.
À l'avenir, lors de travaux sur la lampe, souvent à partir du courant, le presistor est interrompu, le maintenant dans un état chauffé, alors n'arrêtez pas de travailler sur LL.Tova tire son efficacité de la construction (l'énergie est dépensée deux fois pour chauffer le posistor), mais les différences sont négligeables - la résistance au chauffage de la thermistance est golyamo et le courant est négligeable. De plus, ce sont des justifications pour augmenter à plusieurs reprises l'estomac opératoire sur une lampe fluorescente vers le début du démarrage "correct".
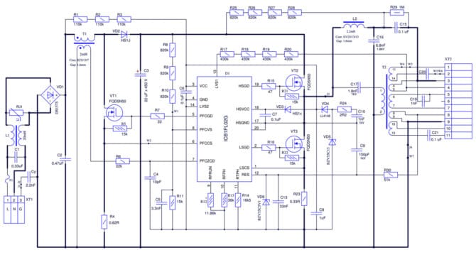
En conclusion, regardons de plus près la chaîne de ballast électronique compliquée et "intelligente", un microcircuit spécialisé est slobena au sommet. Approximativement, le ballast est plus discuté dans la section "Options pour le schéma sur le lien". Là, de plus, le positionnement du kato est universel et vous pouvez travailler avec un bray arbitraire LL avec différentes puissances (de 1 à 4).

Schéma de ballast électronique universel
Pour oui, analysons le principe sur le travail n'est pas bon, nous avons besoin des schémas sur l'option pour la connexion à la lampe et au ballast tosi.

Schémas de connexion au ballast électronique universel
Le travail sur le ballast avec LL e est divisé en trois étapes :
- Pré-coloré sur la cathode.
- Repos.
- Mode pour le travail.
La piste est connectée à un générateur stocké, est connectée à un microcircuit D1, un démarreur avec une fréquence d'environ 65 kHz. Le signal au générateur via le pré-interrupteur sur la protection est connecté à la chaîne en demi-pont sur les transistors VT2, VT3, alimentant le transformateur T2 et suivant la bobine sur la cathode LL, préchauffant les cathodes.
La piste est déterminée par le temps (ajusté par la résistance R13) de l'horloge sur le générateur pour le sol et la peinture. À l'étape suivante, la cathode tombe à la fréquence de résonance, qui est réglée sur la verigata L2C16, puis augmente la tension dans la cathode de la lampe à 800 V. Dans l'ampoule, la décharge est plus– Démarreur LL. Dans ce cas, il y a encore une tension sur le décalage 13 D1, une partie du troisième étage du démarreur fonctionne.
Dès que l'interrupteur 13 sur la puce n'est pas apparu et que sur la broche 1 il est tombé sous 0,8 V, le processus a été répété à l'allumage. En cas de panne, l'expérience d'allumage de l'électronique lestera la spirale et fonctionnera et éliminera la lampe défectueuse. Quelque chose d'autre s'est passé, parfois vous expérimentez et démarrez le ballast électronique sans lampe.
Si le démarrage de l'horloge sur le générateur est réussi, il sera peint jusqu'à ce que l'horloge fonctionne (réglée à partir de la résistance R12). Tokt prez lampata se stabilisateur et support sur nivodori donné avec des fluctuations importantes de la protection de tension (pour tazi veriga – 110 à 250 V). Sur les éléments T1 et VT1, il y a un correcteur global de puissance active, qui puise une composante réactive.
Dysfonctionnements typiques et tyahnoto supprimés
Maintenant, vous réparez le ballast d'une lampe fluorescente avec le vôtre en ce moment. N'oublions pas le dysfonctionnement compliqué - c'est un travail de définition de savoir et de dispositif, mais on peut tout faire avec le problème. Oui, nous voyons une sorte de nai-chesto, c'est un départ du camarade, quelque chose que nous pouvons, entendons-le et corrigeons-le :
- installé avec une bonne qualité;
- prépositionnel ;
- condensateur pour haute tension;
- convertisseur de courant ;
- transistor de puissance;
- accélérateur / transformateur.
Donc, razglobyavame ballast et contrôle visuel correct. Tous les éléments, regarder et boire le tryabva et sa en bon état – sans aucune trace de déformation, d'assombrissement, de destruction et de vieillissement. L'image est parfaitement visible sur toute la longueur de l'image (clairement au-dessus et au sommet de la colline):

Défauts sur le ballast grâce à un contrôle visuel
- soudure de mauvaise qualité;
- souffler sur le condenseur de lissage ;
- drosel brûlé;
- le transistor est cassé (souvent de kutiyata e iztrgnata).
Ouvrons takiva elementi, nie gi promename. Namirama n'est pas calme - kalaidiswame et ivresse.
Nous pouvons maintenant voir comment graver les éléments sur l'écharpe du conducteur. Ils peuvent être situés à différents endroits selon le modèle du service, mais la différence est généralement insignifiante. Namiraneto sur les souhaits de votre part, l'article n'est pas difficile.

Emplacement approximatif des éléments principaux et du tableau de ballast électronique
Sur la photo, les chiffres indiquent :
- 1 – prépositionnel ;
- 2 – pont de diodes ;
- 3 – lisser le condenseur ;
- 4 – transistors de puissance;
- 5 – transformateur d'impulsions ;
- 6 – drosel.
Maintenant, nous allons prendre le testeur dans le testeur et vérifier le prépositionneur (ako ima taqv), sans même dessouder le verigat. L'instrument s'est déclenché et s'est signalé en mode faible résistance ou diode. Au contraire, le cas prépositionnel est défectueux.
Redresseur de courant Vous pouvez tout faire ensemble ou sur une diode séparée, ou un ensemble de quatre diodes dans un seul boîtier. Sur la photo, le long du montage, la flèche est marquée.

Ballast électronique Tosi équipé d'un convertisseur de courant
Dans tous les cas, appelons toutes les diodes de la porte avec le testeur, allumées en mode semi-conducteur et test. En premier lieu, l'appareil tremble et montre une baisse de tension, puis de l'ordre à un millivolt nakolkostotin, dans un autre – Sans bornes. Il n'est pas nécessaire de dessouder la diode avant le test.
Condensateur. Élément Tosi des katomals au pont vers le redresseur de courant. Bonté doris et laide (pas nabbnale ni exploitée), vérifiez-la. Car oui, envoyons-le, nous allons envoyer le condensateur du verigat et le laisser passer en mode sur l'alimentation de la diode, après cela nous avons brièvement mélangé le conducteur, pour lequel nous le dissoudrons.
Au premier instant, l'appareil montrera même un peu de résistance aux chutes de tension. Ton condensateur de kato est une charge, ils vont l'augmenter.Si le témoignage d'un traîneau ne va pas être changé, le condenseur est médiocre. Ako multitsetat montrant l'infini, le condenseur togawa est ouvert. Et dans deux cas, le changement de l'élément.
transistors. Ceux encore tryabva et s'essoufflent pour vérifier. Transformons le multicet en mode alimenté par diode et connectons-nous au transistor entre les bornes du collecteur de base et l'émetteur de base dans la porte de l'interrupteur. Dans le même temps, l'appareil affichera même une chute de tension, de l'ordre de quelques millivolts, à un autre – Sans bornes. Échappez le collecteur-émetteur du général pas trebva et anneau - dans les hauts-fonds dvete de l'illimité.
Tova e vsichko, nous pouvons envoyer quelque chose, car oui, nous vous aiderons sur le ballast électronique. Pour oui, identifier et surmonter des défauts plus complexes, plus l'aide d'un spécialiste est nécessaire.
Razbrahme pour savoir comment servir le ballast sur une lampe fluorescente. Nous apprendrons comment faire ces ballasts, comment ils fonctionnent, nous apprendrons comment pallier les défauts sur le bloc électronique.
PrécédentFluorescentRèglement pour le stockage des lampes fluorescentes dans l'entrepriseSuivantLuminescent Comment fonctionne un démarreur de lampe fluorescente ?
