Comment diriger l'infracherveno fenerche ? Préglé sur le modèle

Petite histoire. Evolution sur le développement du sol de fener dans l'Antiquité. Initialement, des torches ont été battues en rampant pour éclairer un troupeau sombre. La trace est connue à l'époque du dos et de l'utilisation de bougies, d'une lampe à pétrole, d'une lampe à lumière, d'une lampe issue d'une litière allumée. Depuis l'avènement des piles sèches, byaha a développé une poignée de fenerchet avec différents modèles. Illuminateurs Vsichki tezi izlchvakha lumière visible.

confinement : 1. Utilisation sur ligne lumineuse infracherveni pour la vidéosurveillance 2. Principales caractéristiques 3. Autres domaines par application 4. Comment pouvez-vous vous diriger 5. Pregled sur les modèles populaires

Une technologie constamment améliorée dans la technologie électronique amenée au point de pouvoir être éclairée sur l'objet (objet) à partir de la lumière infrarouge, invisible derrière l'œil humain, mais visible depuis le capteur de l'appareil la nuit. Tova vi permet et cache aux autres l'observation des désirs de l'objet dans l'obscurité ou avec une faible lumière naturelle. En figue. 1 montrant la circonférence sur le spectre sur la croûte, découpée dans l'ardoise.

Spectre ensoleilléSpectre ensoleilléOriz. 1. Le spectre solaire est isolé

Pour oui, captez la visibilité sur l'objet, capteur NVG à l'aide d'une fenerche infrarouge ou d'un projecteur. La vue de l'infrachervenoto fenerche ne se distingue pas beaucoup de l'ordinaire. Il y a plus à voir dans la source, sur la lumière, sur l'illuminateur. Ainsi, dans une LED typique, ils utilisent, qui émet de la lumière visible, et la largeur de la lumière (λ) est comprise entre 0,4 et 0,7 micromètre, et dans l'IR de l'illuminateur λ \u003d 0,7–1 µm.

Utilisation sur ligne lumineuse infracherveni pour la vidéosurveillance

Essayez et voyez ce qu'ils améliorent sur l'image (amplifiez sur l'image) sur l'appareil photo, c'est beaucoup plus simple de notre vue. Cette réaction elle-même au silat à la réflexion de la lumière de l'objet. Ako nyama svetlina, signifiant nyama et image… Pour obtenir une image, il est nécessaire de déterminer le champ d'éclairement pour observer un objet. Chronométrez la lampe pour la force sur l'image, elle n'est visible et visible qu'à un éclairement de 0,0005 lux. En figue. 2 images montrées avec et sans éclairage infrarouge (à titre de comparaison).

Tirez dans le noirTirez dans le noirOriz. 2. Images sans éclaircissement et avec éclaircissement IR

Prez day iztochnikt on svetlin e slantseto, chiyato svetlina sdarzha celiya spectre connu de la chasteté. Dans l'obscurité, la vidéosurveillance relève de l'art de l'éclairage par la lumière visible ou invisible. D'après l'éclairage visible, il n'est pas clair, par souci de dissimulation, la ligne de lumière infrarouge est utilisée. L'éclairage IR est principalement dû à l'entrée de l'appareil la nuit. Ceux-ci incluent :

  • monoculaire,
  • ochila pour la nuit vizhdane (NV),
  • jumelles HB,
  • charme HB,
  • monoculaire à deux canaux,
  • appareils combinés et spéciaux.

En figue. La figure 3 montre une coupe du monoculaire pour vision nocturne avec indication des parties repliées.

Incision monoculaireIncision monoculaireOriz. 3. Incision monoculaire pour la vision nocturne retour kjm sdzharzhanieto ↑

Principales caractéristiques

Considérez les spécifications techniques pour l'éclaircissement IR :

  • longueur par longueur (λ),
  • type d'émetteur,
  • réflecteur (réflecteur),
  • puissance sortante,
  • laid sur le bord,
  • circonférence de travail,
  • modes,
  • stockage,
  • regarder les travailleurs,
  • température de fonctionnement,
  • zakopchavane,
  • taille,
  • matériel,
  • floraison,
  • tegloto.

En figue. 4 ca indications des parties principales de la caméra de vidéosurveillance avec éclairage infrarouge.

Caméra vidéo infrarougeCaméra vidéo infrarougeOriz. 4. Caméra de surveillance avec éclairage IR 

Pour le travail plein d'espoir de cette tâche, la gamme initiale pour le spectre infra-cerise, c'est-à-dire la trace des vers pour les cicatrices, fleurit. Bordure claire Nyama. Sélectionnez 4 bandes :

  • 730-750 nm,
  • 830-850nm
  • 870-880 nm,
  • 930-950 nm.

Cette source est basée sur des LED infrarouges et des diodes infrarouges laser. La lumière LED émet un spectre de chasteté, c'est-à-dire qu'elle donne un rayonnement méco et que la lumière laser donne un rayonnement dur. Nous proposons tous les émetteurs laser avec un système optique tiers. Les émetteurs Takiva forment un faisceau restreint.

Réflecteur e concevant et formant un faisceau lumineux. La taille géométrique e est un triangle isocèle avec un sommet à la source de la lumière. Ъglt sur décoction e est déterminé par 0,5 par le reste. Le gl moyen en décoction est de 40 à 80 degrés (gl). Il est important de comprendre qu'avec une augmentation de la distance sur le pétrissage, la distance pour la clarification de l'arrière-plan de la peinture et la puissance du projecteur sont principalement déterminées non par la circonférence, mais par la zone d'éclairage. En figue. 5 montrant différents types de lignes lumineuses.

Comment diriger l'infracherveno fenerche ? Préglé sur le modèleComment diriger l'infracherveno fenerche ? Préglé sur le modèleOriz. 5. Ligne lumineuse IR pour la vidéosurveillance

Lorsque vous copiez les modèles, ils sont ajustés aux zones claires. Le réflecteur peut être en métal ou en plastique et répondre à la résistance thermique requise. Les diodes infrarouges chauffent à temps pour le travail. Kolkoto dans une puissance golyama e tyahnata, sensible plus de chauffage. La surface du réflecteur est texturée ou lisse. Pré-réflecteur et dorade, certains pré-réflecteur et diode infrarouge du milieu environnant. Fabriqué en verre ou en plastique.

La puissance au niveau du transducteur variait de milivat à une douzaine de watts.

Possibilité d'options pour le fonctionnement de la case à cocher dans l'élément "mode". Par exemple, lors de la clarification du type "caméléon", vous pouvez suivre les options :

  • stroboscope ;
  • phare;
  • SOS ;
  • contrôle sur l'émission : élevée, moyenne, faible, minimale ;
  • à distance.

Utilisez tous les différents types d'appareils pour la fixation sur les appareils IR Fenercam pour la vision nocturne. Vous pouvez facilement passer du sam relsite au Weaver et Picatinny, des adaptateurs ¼ pour la prise pour le support, le casque ou les cordes pour la tête, le montage pour les armes légères est universel. Il y a plus de différences entre les planches dans la largeur des fentes. Ruban sur Weaver ima = 0,180″ et relsata Picatinny = 0,206″, et entre le centre est de 0,394″ et la longueur est de 0,118″.

Km tyaloto se imposera un contrôle strict. Vous tryabva oui bjde leka, résistant aux chocs, étanche. Dépenses pour un retour en arrière sur un pistolet. Fabriqué principalement en alliage d'aluminium anodisé de haute qualité, qui fonctionne dans des conditions météorologiques.

Avantages et inconvénients

Les offres comprennent :

  • Le traitement IR n'est pas sans danger pour l'environnement froid et proche.
  • Osiguryava est incroyablement illuminé pour protéger l'objet.
  • Utilisé pour l'éclaircissement externe, en ajustant la qualité de l'image. Peut-être le mettre dans n'importe quel endroit pratique. Résoudre les problèmes d'éclairage gradué. Oui, vous pouvez choisir le bon ygl sur l'éclairage, mais vous pouvez choisir un appareil divisé par puissance, circonférence et couverture.

Activez insuffisamment l'image de ceci ou cela lors de la réception en noir et blanc sur une caméra couleur... Les objets lisses (zéro ou rivières de surface, éblouissement de vision, épaule ou caresse de combat, tir, luminosité sur le fond) réfléchissent les faisceaux infra-noirs et créent une boucle de l'air dans l'image. La poussière, la pluie, le brouillard, les insectes volants et les piqûres gênent l'image vidéo.

retour kjm sdzharzhanieto ↑

Autres domaines par application

En plus du fenercetate et du projectorite, la lumière infrachervenata derrière les caméras vidéo lorsque l'éclairage est insuffisant dans les locaux; kasa, bureau, banque, entrepôt, keeler. Certains éclairages de secours pour la vidéosurveillance, parfois inutiles et attirent l'attention sur l'objet. Kogato svetlinata ne pas tryabva et se tourner vers horata en kinata, théâtre, passer la nuit au club, parking et pishishata (ne pas aveuglément shofyorite).

Infrachervenata Svetlina a beaucoup rampé dans les domaines suivants :

  • médecine (ajustement du métabolisme, premahwa, excès de maznini, ajout d'énergie propulsive, etc.);
  • bétail;
  • imageur thermique ;
  • équipement militaire (emplacement du système, emplacement);
  • industrie électronique (télécommande, communication optique);
  • réchauffement de l'espace;
  • industrie du stockage (séchage sur verdure, fruits);
  • astronomie;
  • météorologie (mesurée pour la température sur les objets);
  • Recherche scientifique.

retour kjm sdzharzhanieto ↑

Comment pouvez-vous vous diriger

Si vous le souhaitez, vous pouvez envoyer votre propre éclairage IR avec votre propre système de vidéosurveillance. Car oui, envoyez un camarade, tryabva, vous savez, basé sur l'électrotechnique, le principe de fonctionnement sur des équipements électroniques et la capacité de travailler dans la pratique. Nay-lesniyat commence et traite les préparations. Fenêtre LEDpasser à la lumière visible et changer l'émetteur de la LED infrarouge ou de la diode laser. En attendant, ne le prenez pas mieux si vous utilisez la diode laser pour les lieux ouverts (au besoin, pour éclairer à grande distance) et la LED ordinaire est dans la fermeture de l'espace. En figue. 6 montrant un ensemble de vidéosurveillance pour une villa ou un bureau.

équipement de vidéosurveillanceéquipement de vidéosurveillanceOriz. 6. Ensemble d'équipements pour la vidéosurveillance

Protégez le système de vidéosurveillance, déterminez dans quelle zone se trouve la turbulence et où elle est observée, où et placez des caméras vidéo et, si nécessaire, un éclairage IR externe (envoyer un plan approximatif). Par exemple : caméras vidéo - broy, vue. Enregistreur vidéo - 1 pc. Protéger, contre-jour - quantité, modèle. Procurez-vous le kit dont vous avez besoin dans le magasin. Ensuite, montez le kit au sol.

Tout n'est pas faux avec l'IR, la lumière dans l'œil - peut-être brûler la cornée dans l'œil. Ako yama assez de précisions, vous pouvez ajouter une petite diode infrarouge.

Car oui, ils nagryavaneto l'émetteur et la consommation d'énergie, tout cela à cause de la tension d'impulsion avec un cycle de travail réglable, c'est-à-dire que la diode clignote. Le rapport est temporairement activé et désactivé sur la LED dans tous les cas à partir d'un niveau élevé et est invisible à l'œil. En figue. 7 Affichez la tension de sortie des LED pulsées.

diagrammesdiagrammesOriz. 7. Schémas de régulation de tension de 10% à 90% 

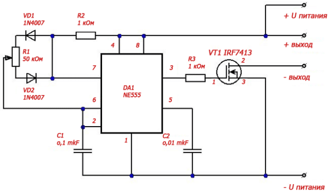
De cette façon, le bloc est protégé, ce qui est l'une des options, le tout utilisant un circuit basé sur une minuterie ne555 intégrée avec un transistor puissant.

En figue. La figure 8e montre un diagramme schématique d'un verrou pulsé avec une tension de rétroéclairage.

Protéger la chaîneProtéger la chaîneOriz. 8. Schéma de stockage régulé sur LED avec rétroéclairage

Verigata peut être slobé sur une maquette d'écharpe. Peut être acheté en même temps avec les pièces radio nécessaires dans tous les magasins derrière la radio.

Le circuit intégré NE555 est commandé par un générateur d'impulsions. Avant qu'il ne soit prêt à fonctionner, il est nécessaire de régler le mode pour qu'il fonctionne à l'aide de la partie externe. Montré est une chaîne de conception et de travail à partir d'une source de +12 volts. Les éléments C1, R1, R2 définiront le mode de rétroéclairage.A partir de la sortie 3, c'est en empêchant le limiteur R3 de mémoriser la clé T1 (transistor à effet de champ). Ce premahwa natovarvaneto du commutateur 3. L'alimentation pour le rétro-éclairage est sélectionnée en choisissant le type VT1. La puissance de la résistance est de 0,125 watts. Changer R1 échange la fréquence pour la tension d'impulsion initiale. Lorsqu'elle est stockée de manière impulsive, la diode donne plus de puissance lumineuse, qui est interrompue lorsqu'elle est stockée avec une tension constante. La lumière sur la diode peut être vérifiée avec une caméra sur un téléphone portable ou un appareil photo. Il y a encore de la lumière sur l'écran.

Important. Lors du choix d'un tryabva et cela, il est prévu que le dispositif d'éclairage infrarouge et de vizhdanye tryabva nocturne fonctionne dans une plage honnête.

retour kjm sdzharzhanieto ↑

Pregled sur les modèles populaires

Dans la production de lampes et de lampes infrarouges, les marques commerciales suivantes sont occupées :

  • COMME SI,
  • tendances technologiques,
  • kkmoon,
  • EFOSE,
  • Gadinan,
  • feu unique,
  • intelligent.

Ils produisent des reflets différents pour chaque couleur et chaque goût.

Modèle AZISHN CCTV LEDS, sélectionnez quelques spécifications :

  • À = 850 nm ;
  • Diode IR 48IR - 4 brins ;
  • étendu;
  • imperméable;
  • pour la caméra de vidéosurveillance.

LED pour la vidéosurveillance AZISHNLED pour la vidéosurveillance AZISHNOriz. 9. Éclaircissement infrarouge AZISHN CCTV

 

Projecteur KKMOON DC 12V, 12W, caractéristiques négociables :

  • LED (96 br.) - 850 nm ;
  • circonférence - de 10 à 60 m;
  • exécution - IP65 (ouvert, étanche).

Illuminateur IR KKMOONIlluminateur IR KKMOONOriz. 10. Illuminateur IR KKMOON avec diode IR 96

BEWARD - LIR6

  • exécution - externe;
  • LED IR de 3ème génération ;
  • ygl sur éclairage jusqu'à 75° ;
  • circonférence jusqu'à 120 m, λ = 850 nm;
  • activé / désactivé - automatiquement.

Éclairage IR BEWARDÉclairage IR BEWARDFigue. 11. éclaircissement IR BEWARD LIR6

Cet appareil convient au contrôle d'accès et à l'interphonie.Panneau d'extension IP Hikvision DS-KV8102-IM avec éclairage infrarouge, caméra et microphone :

  • caméra couleur, résolution - 1 mégapixel;
  • pour un abonné ;
  • circonférence pour clarification - 1 m;
  • angle de visibilité - horizontalement 120 °, verticalement 120 °.

DS-KV8102-IMDS-KV8102-IMOriz. 12. Panneau pour Powiquane DS-KV8102-IM

Puissant illuminateur IR de la célèbre marque BOSCH EX26LED avec 60 LED haute efficacité :

  • longueur sur le mur - 840 ou 940 nm;
  • boîtier résistant aux influences atmosphériques;
  • réguler l'intensité du rayonnement et la sensibilité de la cellule photoélectrique ;
  • circonférence jusqu'à 18 m;
  • ygl sur le coude 30°.

 BOSCH EX26LED BOSCH EX26LEDOriz. 13. Illuminateur IR intégré BOSCH EX26LED

Fenerche tactique Nitecore CI7 4X LED, Fenerche caméléon Nitecore CI6 avec mode IR :

  • marque - Nitecore;
  • DEL - Cree XP-G2 R5;
  • flux lumineux - 440 lm;
  • circonférence - 190 m;
  • piles - CR123A, 18650 ;
  • modes de travail - 13;
  • longueur - 143 mm, diamètre - 25,4 mm, diamètre sur la tête - 40 mm;
  • téglo - 138 g;
  • résistance à l'eau - IPX-8;
  • matériau du corps - aluminium;
  • type - emploi.

Nitecore CI7Nitecore CI7Oriz. 4x NItecore CI7 (CI6) Illuminateur Tactique Fenerce IR

Illuminateur laser infrarouge Bars IR L pour le montage sur numérique et pour la vision nocturne, adapté à la fois pour une utilisation séparée et pour le montage sur le dessus de l'arme. Les caractéristiques ca sont les suivantes :

  • type d'émetteur - diode laser ;
  • température de fonctionnement - -40 ... + 50 degrés;
  • longueur sur l'évent sur l'évasement - 808 nm;
  • zakhranvane - 2 ch. (CR123A);
  • puissance à l'izluchvana - 200 (100, 50) mW;
  • ygl pour divergence - 2 ... 20 degrés;
  • taille - 150x30x40 mm,
  • teglo - 170 gr.

Barove IR L laser.Barove IR L laser.Oriz. 15. Visualisation de l'illuminateur IR Bars IR L Laser

La marque Pulsar est la marque de la Yukon Advanced Optics Corporation, dont certaines produisent une gamme d'équipements allant des lignes de lumière infrarouge et des monocles aux jauges numériques et aux appareils d'imagerie thermique pour smartphones. En figue. 8 montrant une vue externe de l'illuminateur Pulsar IR.

PulsarPulsarOriz. 16. Affichage de l'illuminateur Pulsar IR

Par exemple illuminateurs pulsar al 915t. Rayonnement dans le domaine invisible. Spores de la norme IEC 60825-2007 pour répondre à la première classe. Type de diode - Laser 915 nm. Travaillez avec des appareils numériques pendant la nuit. Montira est sur la bande Weaver. Effet noma sur le moiré. Concentré - légèrement flou de très concentré à dispersé. Régulirane pour la puissance et l'éblouissement pour la déviation par faisceau. Petnoto e sous le format sur une ellipse. Utilisez un illuminateur IR pour vous permettre de voir de manière invisible.

Predishnainfrachervena Qu'est-ce qu'une lampe infrachervenite et pour quoi faire ?SuivantBactéricideKakvo e ioniseur-polyley sur Chizhevsky

Merci d'avoir lu oui:

Comment est la lampe germicide et comment est-elle