Comment pouvez-vous choisir et manier un gradateur pour une lampe d'un bac à litière
Titre: Espèces et types de lampes 
Lumière d'un bac à litière, malgré le tyahnat d'inefficacité et de frivolité, ils sont toujours présents dans l'assortiment de magasins vendant des éclairages corporels. Ceux-ci sont attirés par un prix bas, et l'équipement moderne est équipé d'un câble, d'une aide, et tous l'utilisent économiquement. Pour cela, j'ai utilisé un dimère pour une lampe avec un bac à litière.
Confinement : 1. Fonctions et appareil 2. Sortova 3. Schémas sur le fil 4. Dirigez votre contrôle vers la luminosité 5. Prendre pour l'utilisation 6. sortie
Fonctions et appareil
La tâche du dimère ou du dimère est oui osiguri la possibilité de l'utiliser pour s'alléger avec confort, c'est-à-dire chanter de l'énergie en temps opportun.
Important! Dimmer (gradateur) est une traduction littérale de l'anglais e "shock absorber", "dimmer".
Les fonctions:
- Formiran pour des conditions douillettes et confortables pour diverses activités dans l'espace d'habitation. Si nécessaire, l'intensité pour Svetlinat augmente. Par exemple, pour un soir, dokato se détendre ou regarder un film, le pouvoir est sémantique.
- Ainsi, l'élément du système est plus qu'un ajout élégant à l'intérieur. De plus tova, contrôlable sur l'intensité de la lumière aide et soutient le style attrayant.
- Peint pour la consommation, puis pour l'électricité. L'intensité de la légèreté à un moment ou à un autre est régulée par son propre prix.
- Multifonctionnalité. Contrôleur Osven che de l'intensité de la lumière, jouet jouer et rouler sur le pré-interrupteur.
Comment fonctionne Dimert ?
Ruskiyat équivaut à l'anglais "dimmer" e dimerat. Le rhéostat avant jouait un rôle similaire.Mais là, ce n'est pas votre question pour les dépenses en électricité, c'est juste une clarification, ce n'est pas brillamment sensé car c'est souvent de l'énergie, c'est livré sur une lampe, c'est transformé en carburant.

Vue externe du gradateur, installé jusqu'au précommutateur
Avec la technologie de semi-conducteur predvaneto dimerite se promenija. Basez les "héros" dans le régulateur satriakt et dinistort. régulateur 2 voies ampoule.
Démontez-le, placez-le sur le régulateur vv verigata yama et dirigez l'articulation de l'icône sur laquelle vous appuyez. Peint sur l'intensité de la lumière avec 50% plus 15% d'économies d'énergie.
Avantages et inconvénients du gradateur
Izpolzvaneto on razglzhdanoto kabelevana ima est une ressource prédominante, parmi les koito :
- Pratique et facile à contrôler l'intensité de la lumière sur un appareil particulier.
- Ajusté sur le paramètre d'efficacité énergétique.
- Augmenté d'une période d'utilisation pour chaque lampe séparée avec une litière allumée. Thanksgiving s'allume et s'éteint en douceur, sans saut brusque.
- Pour allumer la lampe à partir du bouton allumé avec une intensité minimale, la lumière peut être laissée allumée le temps de votre absence. Camarade sjzdade évincé pour la présence du propriétaire sur kashchat. Tova signifie que le risque d'être léché sur les contrevenants dans la kashta est encore faible.
- Possibilités de gestion d'un dimère de diverses manières. Alors, comparez les modèles et ayez la possibilité de contrôler à distance grâce à la transmission d'un signal sonore ou à une télécommande.
- L'installer sur le régulateur vous évitera de l'installer sur une source lumineuse supplémentaire avec une baisse de puissance.
- Multifonctionnalité - cela dépend de la thèse de l'appareil pour exécuter la fonction sur le commutateur.
- Le réglage de l'intensité sur la luminosité est temporaire, ce qui signifie que vous pouvez ajouter ou diffuser des paramètres tosi à tout moment.
Ima et inconvénients :
- Trepteneto n'est pas probable, mais les intentions sont assez solides.
- Ceux qui sont sensibles aux changements de température, en particulier la prégryavane, sont indésirables. Si le régulateur l'endommage pour la cause, le dysfonctionnement peut être supprimé indépendamment.

Dimer lorsque vous travaillez avec une lampe avec un bouton pressable retour kjm sdzharzhanieto ↑
Sortova
Il y a beaucoup de possibilités pour les régulateurs à la ferme, ceux qui imitent le principe d'action, mais les méthodes pour le contrôler sont différentes :
- Convertit. Design mu e nay - pardonnez-moi, pour une raison quelconque à un prix abordable. Distribution de ceci sur la rotation de cette organisation pour la gestion des environnements e nai-golyamoto sous une autre forme. Le mécanisme principal est de changer la résistance, ce qui la changera, l'intensité pour alléger le changement. Nai-chest ceux-ci se combinent et prevklyuchatel - si vous définissez le coût minimum par dimère, alors, camarade, excluez le svetlinat du troupeau.
- Attaque rotative. La fonction est au travail, mais pour oui, allumez / éteignez le svetlinat dans le troupeau, essayez de cliquer dessus. Déplacé du genou pour donner le contrôle de la luminosité en haut.
- Clé. Dosta développement frais, donc che toujours pas ajouté de popularité. En apparence, il ressemble beaucoup à un interrupteur standard. Reguliraneto sur l'intensité de la lumière est perverti à l'aide de la clé. En effet, ils sont régulés par différentes forces d'assaut.
- Sensoriel. Le développement est innovant, de nombreux clients du hareswah sont presque aveugles. Ima est un design attrayant et moderne - yama butoni, kolella et autres mécanismes de contrôle, imaginez dans une montagne. La commande est tout à fait inventive à l'aide d'un capteur, par analogie avec la navigation sur smartphone ou tablette.
- Câble. L'appareil est presque catatonique pour la rotation. Samiyat ayant changé la résistance se namira au câble.

Dimery vrtyaschie et dope
La conception du dimère dépend du schéma utilisé par le fabricant. Il y a une telle différence dans la qualité du samata et du montage. Dans certains variateurs et composants mécaniques, qui sont excusés pour un travail stable sur l'appareil, la douceur de la régulation est améliorée et la capacité de travailler à faible puissance.
Modèles Ima, en koito ima butoni (sensorni ou obiknoveni), avec l'aide des consommateurs, ils peuvent être régulés. Caractéristiques:
- Connecté à la télécommande pour le contrôle du variateur dans différentes parties du troupeau.
- Télécommande pour la luminosité.
- Organisé pour plus de clarté, un programme est prédéfini.
- Lorsqu'il est connecté au gradateur, le capteur est éclairé, pour une raison quelconque, la luminosité de la lampe est automatiquement ajustée.
Nuances au choix
Il est commode et pratique d'utiliser le dimère, mais le produit est possible par lui-même avec le bon choix. Je ferai attention à :
- Combinons avec une lampe. En quelque sorte veche spomenachme, les vitchki du régulateur conviennent aux lampes avec le bac à litière.
- Vue visuelle. Aussi difficile soit-il de choisir un appareil adapté à l'apparence extérieure, il est toujours possible de choisir, y compris des options au design atypique. Il est important que le style et le respect du design soient kato cyalo.
- Échelle des prix. Chaque fois que vous choisissez un modèle pour une lampe avec une prise chaude, il est coquin de comprendre et d'acheter un régulateur sensoriel skyp.
- Éléments pour sighurnost. Pour oui, envoyez tov, l'appareil est tryabva et ima preksvach ou predpazitel.
- Pouvoir Beaucoup de puissance est disponible, petit à petit, otkolkoto dans le passeport du produit.
- Fabricant Il est nécessaire d'acheter des autorégulateurs d'aliments et de boissons auprès des fabricants, ce qu'ils ont fait leurs preuves.À Tozi, l'affaire ne s'essaye pas et se compte pour un prix, pour l'espionner, il y aura beaucoup d'argent. Les marques populaires sont Legrand, Derne Group, Simon, ABB.
Chaque fois que vous choisissez, essayez de faire attention à la fois au type et à la puissance du lampat, alors vous prendrez la prévision du natovarvane général. Conseils d'experts et ajouter une réserve de puissance de 10 à 20% de la capacité totale selon le résultat et augmenter le dimère.
Important! Lors du choix, il est nécessaire de vérifier la fonctionnalité dans le magasin, sinon ce serait problématique et de retourner l'appareil.
Schémas sur le fil
Contrairement aux différentes options pour les régulateurs, le schéma sur le lien entre le jour et le manger. Basez votre idée sur le fond.
D'un seul point



Le schéma convient aux dimères. Il est principalement utilisé pour le régulateur avec l'assaut et le dokosvane.La rotation de l'encodeur de semences peut être liée, mais cela peut même être difficile et même fonctionner.
De deux points


Il est pratique d'installer l'appareil de la même manière que les débuts dans la chambre, dans le couloir, sur le pilier. Unite element e montirana sur le portail près de l'entrée, répéter près du dernier point du parcours. Svetlinata tout inclus avec le premier variateur, qui à partir du second peut être réglé à l'intensité souhaitée ou complètement exclu.
Contrôle à un point et contrôle à deux points



De l'existence du régime Tasi, c'est pratique. Peut être utilisé dans diverses conditions. A l'entrée du troupeau e montiran, un pré-commutateur est généralement utilisé, à la localité, il y a un régulateur. A la chambre, c'était couché, pour le troupeau des enfants à celui des enfants, pour la cuisine, le travail était fait. Dans ce cas, le démarreur de lampe est allumé et à l'aide du régulateur de l'intensité du régulateur.
Contrôle à un point et à trois points


Tazi est une option pour lier cette pratique, comme essayer et contrôler l'éclair à partir de deux points. Il est pratique lors de l'installation pour l'éclairage dans les couloirs, les piliers, toutes sortes de longs troupeaux. En plus du régulateur, il utilise 2 passages de précommutation supplémentaires. L'encart réel est standard, c'est un schéma simple.
Changer pour commuter avec dimère
L'algorithme pour remplacer une clé conventionnelle par un dimère est assez simple, essayez de pervertir les étapes de la dernière édition :
- Déconnectez le câble du tableau de distribution à la cible.
- Démontage sur le préinterrupteur.
- Prouchvane sur le marquage et coller sur le régulateur - les flèches compriment la phase.
- Entendez le fazat pour l'ancien prekvasch. Lors de la vérification avec des néons, l'indicateur de contact est plus clair.
- Svrzhete kam réponse shiftove.
- Installation pour un dimère.
- Kutiyata sur l'appareil et montirana sur le stenat sur le troupeau.
Non - honorez les péchés, qui seront autorisés à temps pour le processus d'installation:
- Installation dans des conditions de température inadaptées, entraînant une panne de l'appareil. Indicateurs critiques +27 et plus.
- Il est important que vous choisissiez le bon schéma pour la connexion, par exemple, concentrez le haut de la cible sur le crawl et la destination sur le troupeau.
- Pour différents types de lampes, un seul dimère a été utilisé.
Dirigez votre contrôle vers la luminosité
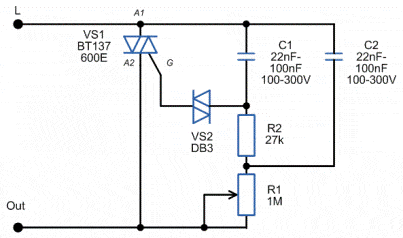
Kupuvaneto sur le régulateur ne prend pas beaucoup de budget familial, mais à coup sûr essayez et envoyez vous-même un tel équipement. La raison principale de ce problème est le problème avec le modèle, qui n'est pas adapté au corps d'éclairage. L'option présentée est destinée à atténuer l'éclat d'une lampe avec un bouton pressable, fonctionnant à 220 V.
Quelle est la demande de tova?
Pour oui, envoyez un modèle Nai-désolé, essayez :
- Dinistor DB3.
- Triac 700 watts VT134, oui vous pouvez choisir d'autres options, par exemple VT138, MAC212-8.
- Résistance 10 kOhm, puissance admissible 0,25-2 watts.
- Il est compact ayant changé la résistance, la résistance est de 470 à 500 kOhm.
- Poyalnik et Consumativi.
- ajustements.
- Câble de brocart avec une section parfaitement transversale de 1 m². millimètre
- Ruban isolant ou TUK de diamètre adapté.
Élément tryabva oui bdat svyarzani selon le schéma dans la vallée.




Prendre pour l'utilisation
L'option Tazi pour le contrôle de la foudre est pratique, mais c'est un jeu d'enfant et vous vous en sortirez ; selon le temps de travail, tryabva et prévoyance, suivez les arguments:
- Si vous achetez un appareil à des fins d'accouplement osiguri, vous devez définir les indicateurs minimums pour le régulateur. Lui-même dans le cas d'un lampat avec un liquide chaud, il deviendra plus économique avec 15%. Dans d'autres cas, la svetlinata est tout simplement irrationnelle.
- Ne l'utilisez pas, lorsque la température du séjour a augmenté de + 27⁰. Tova e a été exécuté avec pregryavane et dommages.
- Si le régulateur endommage le triac, le dernier peut être remplacé. Osvent tova est assez bon pour choisir un triac avec un temple de prags pour le pouvoir. La raison de tels dommages est la connexion dans la connexion ou l'excédent sur le produit acceptable sur l'appareil.
sortie
L'utilisation d'un dimère pour une lampe avec un liquide sous pression est encore plus économique, mais l'éclaircissement lui-même est réduit au minimum.
PredishnaTypes et types de lampes avec une bonne économie d'énergie ou LEDSuivantQui avez-vous inventé et quelle est l'histoire de l'invention ?