Dirigez-vous vers le téléphérique jusqu'au balcon
Titre: Électricien 
Ecrasement et contact sur balcons et loggias non prévus dans le cahier des charges. Tova e démonté - câblé électriquement à l'objet, kadeto vyatar, dzhd, retiré vvarvi, c'est dangereux. Mais c'est dommage pour nous d'osklyavat balcons, transformant gi en troupeaux précieux supplémentaires. Mais dans tyah clarification et contact nyama oui stop. Dans le bassin, nous réparerons indépendamment l'installation électrique sur les balcons, nous ferons également les instructions étape par étape pour les actions nécessaires.
Confinement : 1. Préparation au travail 2. Schéma de câblage 3. Sélection de câble 4. Accessoires et consommables supplémentaires 5. Sélection sur RCD et machine automatique
Préparation au travail
Ce n'est pas difficile, mais mettez-le sur le balcon avec votre propre monsieur - tous ceux qui savent comment, oui, garder les outils en rzete si et qui ont les connaissances de base d'un ingénieur électricien, vous pouvez le faire avec lui. Enterrons certains de la sélection au matériau et de la conception à la verigata.
Schéma de câblage
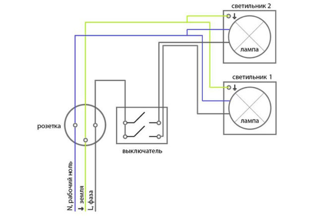
Nous faisons un schéma de l'entrée basé sur le broy sur les lampes et contacts nécessaires. Ton kato balconite la plupart du temps, un béguin et un fasun sa suffisent. Si le balcon est spacieux, ajoutez un autre seau. Laissons un seul contact. Dans le cas extrême, l'installation est double ou triple. Je fais un schéma sur un cabel pour la charte.
Schéma sur le câble électrique pour le balcon
D'une manière ou d'une autre, vous pouvez voir sur le diagramme que le kutiyata du nid joue des rouleaux sur le kutiya de diversion. Les marchandises sont autorisées, ty kato ima sont peu de consommateurs et ceux qui ont une faible capacité. Ako ima de meilleurs contacts, togava, dans le bon sens, a mis un kutia de distribution.
Struva si et mettre le câble séparé pour le contact et séparé pour l'allégement. Le camarade oshiguri a raison en matière de protection contre la pré-production et en relation avec celle-ci.

Nids et éclairage sur différentes lignes retour kjm sdzharzhanieto ↑
Sélection de câble
Ako imame d'ajouter un capot (avec une prise sous pression, LED - pas de sens) et un noma et d'installer un spot kilowatt, puis pour l'éclairage, choisir un conducteur d'une section de 1,5 mm²... Le produit est suffisant. Pour les contacts et l'entrée, vous prendrez un câble debel - 2,5 mm² ... Le même peut être boisé et dépensé pour des biens de 2-3 kW. Si la puissance totale de l'appareil électrique est de manière golyama, augmentez la section totale à 4 mm². Utilisez des prises et des fiches pour une seule et même ligne, en supposant qu'il n'y a pas de câble à partir de 2,5 mm².
Miel ou aluminium ? Différence nyama golyama, il est important que l'ensemble soit câblé même à partir du matériel. Mais si nous décidons d'utiliser de l'aluminium, alors dans le bon sens nous prendrons la protection du conducteur (entrée et contacts) avec une section complètement de 4 mm² ... 2,5 mm sa suffisante pour éclairer l'aluminium. À un certain moment, le câble avec des conducteurs en aluminium peut même être utilisé seul à partir des alliages 8176 et 8030 (SP 256.1325800.2016, p. 15.3).
Qu'est-ce que cela fait référence au câble markat, VVGng-ls ou à l'analogue européen negoviyat de NYM e est idéal pour le câblage ouvert. Ako imate mise à la terre (conducteur PE), togawa dans zemame est à trois fils, mais pas, togawa à deux fils est suffisant.

Câble VVG - idéal pour le câblage sur les balcons retour kjm sdzharzhanieto ↑
Accessoires et consommables supplémentaires
Choisissez maintenant la clé, les contacts, les lampes et la distribution kutia (ako ima takava). Pour plus de commodité, le balcon peut et se montirat obiknoveni domakinski uredi. Ako peut être mouillé, mouillé et golem sur la température, togava si strava et prendre des dispositifs étanches spéciaux.Tova c'est en quelque sorte pour la distribution de la kutia, et donc pour l'illumination du corps.

La tige d'éclairage est classée IP54 pour la protection ambiante et est idéale pour les balcons
Ako jdzhd et accroc "marcher" sur le balcon, togava au-dessus de lui pour installer les lampadaires auto-obturants, et contact et clé (démonter, étanche) pour une protection fiable contre les directives.
Osven allumé, fasungs et lampes, selon votre choix de méthode d'installation, vous avez besoin de matériaux supplémentaires - canaux de câbles, douilles ondulées, base électrique, chevilles, vis.

Dans la vente de chaînes câblées ima de presque toutes les couleurs et formes
Dès que nous installons un kutia de connexion, nous avons besoin d'un bloc de connexion. Lorsque nous choisissons, nous examinons attentivement à quoi sert le courant. Pour la ligne en sortie, nous avons besoin du connecteur, qui peut et dépensera un courant d'à peine 20 A. Pour plus de précisions, le paramètre n'est pas critique - le courant est faible.

Connexion du bloc Wago
Nyakolko pense pour le carton ondulé. Ako le balcon chauffe, alors dirigez plus le siv, mais pas ou pas vitré du tout, alors il vaut mieux utiliser l'ondulé noir. Conçu pour une installation externe. Ako signifie permettre, alors idéalement, oui, acheter du métal markuch.

Nay - option coupe-feu et marquage métallique retour kjm sdzharzhanieto ↑
Sélection sur RCD et machine automatique
Si nous connectons le balcon avec des câbles, il est nécessaire d'installer une prise ou un boîtier de distribution, puis il est également nécessaire de sélectionner un nito prekvach (AB), cet appareil pour le courant résiduel (RCD) - tout doit être installé dans le panneau électrique dans l'appartement. Comment livrer un produit puissant et combien à partir d'un affichage électrique, essayez et installez une machine automatique.Nous choisissons un courant approprié sur le natovarvan, rakovoden de parcelle en vallée.
Tableau sur la dépendance du courant nominal à l'alimentation de la puissance sur les marchandises
Courant nominal par machine, A Puissance totale au consommateur, kW 10,220,430,761,3102,2163,5204,4255,5327,0408,850116313,9
Par exemple, si vous souhaitez vous connecter électriquement avec une puissance totale supérieure à 2 kW, une machine automatique de 10 ampères convient également. S'il vous plaît, faites attention, pourquoi contacter vos projecteurs en réponse à un courant de 16A, vous ne pouvez pas utiliser une machine automatique avec un faible calibre. En ce qui concerne la caractéristique pour le courant, choisissez alors le type C (le marquage ci-dessus est littéralement précédé, indiquant le courant nominal).

Tazi AB travaille plus dur, mais tokt nadvishava 16 A.
Maintenant, derrière le RCD ou, comme on dit à juste titre, le pré-interrupteur, est contrôlé à partir du courant résiduel (RCCB). Pour oui, tout le monde est censé résister aux courants de choc, utilisez RCCB, qui sera utilisé à partir d'un courant de fuite ne dépassant pas 30 mA. Dispositifs légèrement sensibles aux fins de la protection contre l'incendie elle-même. Camarade est un choix sain. Sinon, tuons le courant, réglons le VDT sur 30 mA. N'essayez pas et choisissez un appareil à faible coût - sur le balcon, encore plus en utilisant le nai-malkoto kihane.

Interruption automatique avec courant résiduel 30 mA
RCBO - prekvasvach et RCD dans un cas
Comment pouvez-vous transporter le guide sur le balcon
Predi et pervers kabelevaneto sur le balcon, secouant et imageant la tension dans le bassin. Telta est un fléau à trois origines :
- prez stenata;
- prez porte;
- bloc aperçu prez.
Option Prviyat e de préférence, mais perforateur sche vy trebva et perceuse d'un demi-mètre.


Option vtoriyat et tretiyat sa, pardonnez-moi, mais ils n'ont pas de sens esthétiquement et ils n'ont pas de sens en toute sécurité, le mur est pourri.

Sortez le zhizata prez pervaza sur les portes
Alimenter une ligne séparée du tableau de distribution ou raccorder un contact proche
Vsichko dépend du tov, comment les marchandises sont planifiées et roulées sur les balcons et comment sortir du troupeau. Cherchez et utilisez au maximum les contacts du balcon, togava, dans le bon sens, et vous trouverez un panneau d'affichage ou un tableau de distribution. Dans le cas contraire, allumez en plus quelques marchandises à la sortie, à partir desquelles la sortie du balcon est dirigée, plus préparez un câble, quelque chose à protéger.

Svurzvane sur le balcon du téléphérique de la sortie aux troupeaux
Important! Ako puissance totale de l'appareil, connexion du balcon ou plus à partir de 3 kW, togawa si struva et tous connectés avec une ligne séparée à l'appartement via un dispositif de protection séparé.
Skrito kabelavane
Skritoto kabelevane e-esthétiquement, mais il est perverti par lui-même au stade sur la base de la réparation. Au contraire, le cas est censé être le même que la réparation principale. Le processus de mettre un câble sur le balcon au balcon ne se distingue pas de le mettre dans un troupeau. Place Markirama pour l'installation sur les aiguillages et les distributeurs cutia. Placez Izryazvame sous tyah avec une perceuse à racine. Emplacement Markirame sur le stroboscope.

Préparation sur site pour l'installation sur les inverseurs et les boîtes de distribution
Izryazvame zhlebovete avec un gloshlayf avec un diamantino kolelo avec un persécuteur stenen.

Travailler avec un chasseur de mur
Montirame installez des cuties, mettez le câble dans le zhlebovet, dans le karvame gi dans le tezi kutiya et fixiram, le début est toujours pratique, pour qu'il ne tombe pas du zhleb. Laissez et enduisez le stroboscope, et installez la clé, les contacts, les lampes et même faites glisser le diagramme, qui peut être imaginé dans une montagne.
Certains des câbles sont également situés sous de faux murs, par exemple sous des cloisons sèches, mais la méthode sur l'installation n'est pas la même que sur le câble ouvert. Dans ce cas, c'est bon et procarez le cable prez metalnia markuch.
Kabelavane ouvert
Place Markirama pour l'installation sur l'appareillage, les contacts, la clé, comme dans le cas sur le câblage caché. Installez le gi sur la localité de markranoto. Ako utilisant du gofrirane, togawa utilisant en plus des agrafes spéciales. Ako nous allons mettre le câble dans le canal de câble, togawa fixer le canal tosi avec une vis et des chevilles.

Montirana et chaîne câblée
Prétailler le câble dans une boîte en carton ondulé (le mettre dans le chemin de câbles) puis mettre en contact, un interrupteur, un interrupteur et une lampe. Quittez et enregistrez la verigata. Borniers spéciaux Izpolzvame pour la connexion au conducteur.

Cutia distributive Sglobena (version avec tube ondulé)
Comment garantir la sécurité
Car oui, ça peut être calomnié, dirigé vers le balcon, posséder le sien, mais c'est sûr et oui, servir pendant de nombreuses années, secouer et tous les spasmes :
- Ne gênez pas les câbles et les contacts. Certains kabelevaneto e un peu debelo et contact par skypi. Mais c'est sûr et sécurisé.
- Veuillez ne pas installer le RCD et l'appareil automatiquement. Le RCD est toujours à l'abri des courants de choc, mais il peut être mouillé sur le balcon. De préférence en cas d'incendie et plus susceptible d'être câblé en cas de raccordement ou de pré-production.
- Ne pas svjrzvame kjm sortir de la marchandise, selon le temple du calcul.
- Une fois le balcon ouvert, n'enlevez pas et n'installez pas d'appareils étanches et, espérons-le, évitez qu'il ne s'échappe.
- Ne négligez pas la mise à la terre.D'une manière ou d'une autre, il est plus blanchi, il peut même être humide sur les balcons, mais électriquement uredi peut et shokirat et c'est très douloureux.
- Ne pas installer de contacts et d'appareillages inférieurs préchauffés, par exemple, assembler à partir de la fissure. Pour la raison, la raison n'est pas gi mis sur samiya ygl, mais c'est vnshen.
Razbrahme comme nous-mêmes exterminons la lumière du balcon. Rien n'est difficile, comptez simplement sur le câble, enregistrez la mesure de sécurité lorsque vous travaillez avec des outils électriques et électriques. Dans un cas dégoûtant, vous n'aurez peut-être pas besoin d'une cabale.
PrécédentÉlectricienComment travailler sous vide prekvaschSuivantÉlectricien

