Les principales caractéristiques techniques et le schéma de connexion à la lampe LB 40 - comment le changer
Les lampes linéaires fluorescentes sont considérées comme des sources lumineuses obsolètes, mais contrairement à celles-ci, elles sont utilisées assez largement et aujourd'hui. Dans l'article Taji, on parle pour la lampe LB 40 : découvrez les caractéristiques, apprenez à l'utiliser et à la changer et remplacez la source par une diode électroluminescente de taille lumineuse.
Confinement : 1. Dimensions et spécifications 2. Schéma sur le fil 3. Analos contemporains 4. Collègues LED - comment changer et le circuit est connecté
Dimensions et spécifications
Tout d'abord, regardons le design de la lampe LB 40 et découvrons les possibilités. Structurellement, l'appareil est un flacon en verre, sur les bords duquel se trouvent deux électrodes à souder avec des spirales en matériau réfractaire (généralement du tungstène), liées ensemble. La surface du ballon est recouverte de phosphore en poudre, le ballon est rempli d'un gaz inerte avec une petite quantité de bétail ou d'amalgame ajouté et est scellé. Débranchez le câble vers l'électrode de votre équipement de la prise bipolaire G13.

Lampe fluorescente linéaire
A chaque fois que la lampe est allumée, une décharge lumineuse est émise dans la manivelle, certaines molécules sont vivantes et rayonnent dans le spectre ultraviolet. Svetlinata, tombant au sommet du phosphore, laisse présager un éclat lumineux, mais toujours dans le spectre visible, et samata se absorbe en mangeant du phosphore et vitreux sur lampata. Selon Tosi, l'appareil a été démarré, la lumière elle-même est visible. Le marquage du LB 40 se déchiffre, en quelque sorte comme suit :
- L - lampe fluorescente linéaire;
- B - byala svetlina;
- 40 - puissance par appareil en watts.
Qu'est-ce qui est pertinent pour la taille sur la source tosi sur la lumière :
MarkiraneLongueur, mm Diamètre, mm socleLB 40120038 ou 25.4G13
Voyons maintenant les principales caractéristiques du LB 40 :
CaractéristiqueParamètreÉconomisez de la tension, V220 ou 127Puissance grand public, W40Flux de lumière, lm2800Température de couleur, K3500Indice de rendu des couleurs (RA ou CRI)60-69%Ressource, s10000 retour kjm sdzharzhanieto ↑
Schéma sur le fil
Toutes les lampes luminescentes sont connectées au réseau électrique via un équipement de contrôle spécial - électromagnétique (EMPRA) ou électronique (ECG). Dans le premier cas, la commande par électroaimant de la manette des gaz (ballast) e nécessite un démarreur au néon.

Ballast électromagnétique comprenant un ballast électromagnétique et un démarreur
Le ballast électronique est un appareil indépendant et ne nécessite rien de plus.
Activé via EMPRA
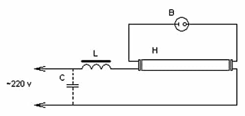
Penser pour un schéma type de suivi allumer les lampes fluorescentes linéaires LB 40, conçu pour fonctionner dans un réseau de 220 V, à travers un ballast électromagnétique.

Circuit typique pour allumer le lampat LB 40
Une trace a été déposée sur le stockage de la lampata, l'avertissement est de prez le ballast de la spirale otiva km sur la lampata. Répétez l'échappement sur la spirale sa svyarzani à travers le démarreur. Dokato spiralisé avec de la gelée, la résistance au gaz propep dans le ballon est élevée et n'est pas émise. Beaucoup de tension, donner un démarreur au démarreur - et ce travail de vednaga, contactez-moi, ils le feront taire. Prez spiraliser le sol et le passage du courant, qui est sale.
Suivre environ 1 seconde contact sur le démarreur ce furoncle, tock prez spiral et spiral ballast. Ce dernier, dans un souci d'auto-induction inverse, forme une impulsion de tension de l'ordre de 1 kV au sommet de la cathode vers la lampe. Vznikva ayant franchi l'écart entre le gaz et le sol de prez kolbata et le courant qui coule - la lampata est zapalva.
Le ballast est commuté de manière amusante sur le mode de limitation de courant, qui est pris en charge par la basse tension, il est nécessaire de travailler sur le LU 40. Maintenant, le démarreur est exclu et il n'y a aucun signe de ne pas participer aux travaux sur la source lumineuse . Ako, pour une raison quelconque, la lampe n'est pas plus brillante, le processus sur le démarreur est répété.
Pour lester la totalité des selfs, cette imago est inductivement résistive, augmentant quelque peu la réactivité des composants pour la consommation d'électricité et peignant le rendement de l'ensemble du dispositif. Tozi manque e partiellement éliminé grâce à la connexion au condensateur de compensation est difficile sur le verigata, une certaine peinture du composant réactif. Méthode Tozi pour startirane sur LB 40 se naricha brûle, ty kato predi et coulé la source sur la lumière, ne chauffez pas les bobines de cathode.
Important! Dans le bassin, le circuit utilise une lampe et un starter, destinés à une tension de travail de 220 V, et une manette de puissance correspondant à la puissance de la lampe (40 W).
Allumage via ballast électronique
Ako tout est clair et sans ambiguïté avec les ballasts électroniques - ils sont tous allumés un par un et dans le même circuit et ils diffèrent en termes de puissance, mais avec les ballasts électroniques, la situation est légèrement différente. Ils produisent une grande variété de modifications au même appareil, capables de desservir différents types de lampes - de 1 à 4.
Mais dori et ici n'est pas si sensé, le schéma tay kato pour tyahnoto s'allume suffisamment et vinagi s'appliquera directement au poids sur le ballast. Les thèses d'Osventova du schéma sont disponibles dans la documentation conviviale.

Ces ballasts électroniques peuvent servir une (burn out) et deux lampes en même temps
La seule chose lors du choix d'un appareil électronique est de faire attention à la puissance de la lampe, avec laquelle ils peuvent et fonctionnent.Dans un tir de montagne, par exemple, les ballasts électroniques sont conçus pour fonctionner avec une lampe de 58 W (montagne) et 2 x 18 W.
Analos contemporains
Ces lampes fluorescentes linéaires LB 40 ne les produisent pratiquement pas toutes, mais elles produisent beaucoup de lampes, destinées à fonctionner avec elles. Ami ako bouillie standard d'izgori ? Exactement simple - il suffit de remplacer par un analogue moderne, qui est LB 36. La lampe de type Tozi et a des caractéristiques similaires, mais a une puissance de 4 W du bassin au LB 40 d'origine. travaille de manière significative sur le lampat, alors mettez-le audacieusement sur. Lors du passage à une lampata LB 40 avec LB 36, rien dans la lampata et dans la chaîne samata ne tremble et ne change. À cette décharge de l'ancien, déposez le nouveau.
La date d'aujourd'hui LB 36 est également produite par des fabricants locaux, mais vous pouvez toujours choisir des produits pour des entreprises étrangères à vendre. Par exemple Osram L 36W/640 ou Philips TL-D 36W/33-640.
Bonjour! Coup de cœur pour les fabricants étrangers, ils diffèrent quelque peu par la température de couleur, qui est de 4000 K et 3500 K à LB 36. Mais la différence est négligeable, et la température de couleur est presque impossible à distinguer à l'œil nu.
Collègues LED - comment changer et le circuit est connecté
Les lampes à diodes électroluminescentes gagneront en popularité et remplaceront sûrement d'autres types de lampes, y compris les lampes fluorescentes. Est-il possible de remplacer l'éclairage fluorescent par des LED sans précaution particulière ? Par exemple, allumez LB 40 pendant presque toujours et installez-le encore dans de nombreuses organisations et institutions - pourquoi acheter de nouvelles LED ?
En effet, il n'y a pas besoin. Une telle source de lumière peut également fonctionner avec des lampes à LED. Tous les packs d'analosi LED sur LB 40.Analosi - l'imam a prévu par rapport à la taille et au design : longueur, diamètre et base G13.

En ce qui concerne la taille et le type sur la base, la lampe LED T8 pour lavabo est analogue à LB 40
Le principe est de travailler dur, de le comprendre, c'est différent - tous les packages sont à LED. Donc, je n'essaie rien, je vais le changer dans la conception de l'illuminateur lui-même, ça suffit, je vais le changer pour une chaîne électrique négligente, qui est le focuser en haut, le circuit standard est connecté à un LED linéaire tasses T8 avec protection de tension 220 V.

Y compris chaîne sur lampe LED T8 pour 220 V
Important! Lorsque vous achetez des prises LED T8, assurez-vous qu'elles sont équipées d'un driver et qu'elles sont conçues et fonctionnent dans le réseau à partir de 220 V. Ce modèle a une basse tension, qui ne peut pas et doit être distinguée de celles-ci, d'où nous avons besoin de l'extérieur.
Lampe avec EMPRA
Initialement, le schéma pour une lampe avec un ballast électronique et une source unique pour un luminaire est le suivant :

Schéma pour une lampe fluorescente avec un ballast électronique et une seule source lumineuse
C'est précisément cela qui est pervers selon les algorithmes suivants :
- Izvadame démarreur (base ima et se vkarva dans la cartouche).
- Svarzvame sur kaso ballast, certains peuvent être, oui, ils seront malmenés, sans oui nous perdons du temps.
- Condensateur compensateur Othapvame.

Le besoin d'améliorations dans le corps d'éclairage
Schéma Kraynata trebva oui izglezhda est comme ça:

Circuit modifié pour tige d'éclairage
Lampe avec ballast électronique et deux lampes
Initialement, le schéma pour une lampe avec un ballast électronique et deux sources pour un luminaire est le suivant :

Schéma pour une lampe fluorescente avec un ballast électronique et deux sources lumineuses
Tous les derniers algorithmes ont été préparés :
- Predyastiyat Izvadam.
- Svarzvame sur ballast koso.
- Condensateur de compensation Othapvame.
- Modifiez le schéma sur le lien vers la lampata, donc dans l'estimation extrême, nous obtenons ce qui suit :
Canne d'éclairage avec ballast électronique
Initialement, le schéma pour une lampe à ballast électronique et une source unique pour un luminaire est le suivant :

Schéma pour une lampe fluorescente avec ballast électronique
Éteignez le ballast électronique et attachez les fils devant celui-ci selon le schéma tasi (markirana en cherveno sur figurata). Isolarame autre dvama et gi me laisse libre.

Le besoin d'améliorations dans le corps d'éclairage
Schéma Kraynata trebva oui izglezhda est comme ça:

Veriga modifié en lampata avec ballast électronique
Ceci est familier avec la lampe fluorescente linéaire LB 40. Nous savons maintenant comment le faire, comment l'exécuter et comment le faire correctement. E, si nécessaire, nous pouvons foresterie et remplacer les LED par une taille standard.
PrécédentLampes fluorescentesLampes fluorescentes spéciales avec culot G13 et spécifications techniquesSuivantLuminescents À quoi ressemblent les lampes fluorescentes et en quoi diffèrent-elles des lampes linéaires ?

