Comment utiliser correctement une lampe fluorescente
Titre: Luminescent 
La lampe luminescente a été inventée dans les années 30 pour les minalia du siècle, comme source de lumière et gagne en popularité et se répand du bord dans les années 50 pour les minalia du siècle.
Les présupposés de Musa sont indéniables :
- Irritable.
- Soutien
- Rentabilité.
- Topl, blask froid et coloré.
Dalgiyat eksploatatsionen ventre se osiguryava à partir d'un appareil correctement conçu pour le démarrage et le regulirane pour le travail.
Confinement : 1. En bref pour les caractéristiques de la lampata 2. Connexion par ballast électromagnétique ou ballast électronique 3. Veriga pour connecter successivement deux lampes 4. Injection sans démarreur 5. Vidéo - Schéma sur une lampe fluorescente filaire 
Illuminateur industriel
Une LDS (lampe fluorescente) est beaucoup plus économique qu'une lampe fluorescente conventionnelle, mais un appareil à LED a une puissance de sortie similaire à une lampe fluorescente en tant qu'indicateur.
Pendant un moment, la spirale éclairante et starter, pendant un instant, "bang", sans réfléchir, sans interrompre le mode normal. Namiraneto et travailler pour une portée fermée est dangereux pour la vue de quelqu'un.
Car oui, ils corrigeront la situation, ils activeront le LDS qui travaille consciemment.
Ako obiknovenata a changé sans donner de résultats positifs, l'homme, quelqu'un qui ne sait pas comment fonctionne une lampe fluorescente, a atteint le fond de la rue: "Comment pouvons-nous le faire correctement?" Jetons un coup d'œil à certaines des pièces et achetons-les en statiata.
En bref pour les caractéristiques de la lampata
LDS est tout au sujet des sources lumineuses à décharge de gaz avec une claque à faible battage.
Principe d'action à suivre: Joug en verre scellé sur l'appareil, qui est fabriqué avec du gaz inerte et de la gomme de pari sous basse pression.Traiter les murs du kolbat sa couverture avec du phosphore. Sous l'influence de celle-ci sur une décharge électrique, qui s'est élevée entre les électrodes, elles vivent du gaz et brillent, générant un rayonnement ultraviolet, invisible au-delà de l'œil. Actions dans le phosphore supérieur, luminescence predvikva dans le visible. À travers le promyana sur l'activité, après avoir succombé au phosphore, avoir froid ou avoir du carburant et coloré la lumière.

Principe pour travailler sur LDS retour kjm sdzharzhanieto ↑
Connexion par ballast électromagnétique ou ballast électronique
Les caractéristiques structurelles ne permettent pas une connexion directe au circuit LDS 220 V - le fonctionnement en tension n'est pas possible. Le démarreur n'a pas besoin d'une tension de 600V.
Avec l'aide du circuit électronique, il est nécessaire et tous les modes de fonctionnement nécessaires se succèdent, tous à partir desquels la tension est déterminée.
Modes de travail :
- zapalvane ;
- briller.
Tous les composants de l'application sont impliqués dans l'impulsion avec une haute tension (jusqu'à 1 kV) à l'électrode, en conséquence, une décharge est générée à un moment donné entre les liens.
Une sorte de ballast, avant et démarrage, enroulement sale de l'électrode. Ça devient léger, ça s'éclaircit, ça commence à se balancer, c'est dokato nishkata, ça se précipite un peu et ça continue longtemps.
Ensuite, l'éclairage est allumé, il est stocké avec une tension intermittente et il active le mode d'économie d'énergie.

Connectez-vous à l'aide d'un ballast électronique
schéma de câblage
Dans l'appareil, fabriqué à partir de l'industrie, deux types de ballast sont utilisés:
- dispositif de commande électromagnétique EMPRA ;
- ballast électronique - ballast électronique.
Schéma prévoyant une vrazzka différente, ty e est présenté sur la longueur.
Schéma avec EMPRA
Chaîne électrique pour paratonnerre à commande électromagnétique (EMPRA) comprenant les éléments suivants :
- Manette de Gaz;
- entrée;
- condensateur de compensation ;
- Lampe fluorescente.

chaîne de commutation
En ce moment sur la protection du prez verigata: le papillon des gaz est l'électrode LDS, la tension apparaît sur le contact sur le démarreur.
Les contacts bimétalliques sur le démarreur, qui sont dans un environnement gazeux, seront scellés lorsqu'ils sont chauffés. Rayonner au verigata sur la lampe en même temps que le circuit est fermé : contact 220 V - papillon - électrode de démarrage - électrode sur la lampe - contact 220 V.
Niches d'électronite lorsqu'elles sont chauffées, elles émettent de l'électronique, ce qui crée une décharge lumineuse. Souvent à partir du courant, le sol et le débit sont prezverigata: 220V - manette des gaz - 1 électrode - 2 électrodes - 220 V. Courant dans le démarreur de la récession, les contacts bimétalliques seront bouillis. Sporés sur le physique pour le moment et sur l'EPC pour l'auto-induction au contact de la manette des gaz, certains conduisent à l'apparition d'une impulsion à haute tension au sommet de l'électrode. Il y a eu un claquage en milieu gazeux, un arc électrique est apparu entre les électrodes opposées. Sol et brillance LDS avec une lumière uniforme.
Par la suite, drosel, svyazan kjm lineata, osiguryava à faible courant, passant à travers l'électrode.
L'accélérateur, connecté au verigata AC, agissant comme une résistance inductive, peint l'efficacité de l'illuminateur jusqu'à 30%.
Attention! Pour le bien de tout, ils le ruineront pour l'énergie, dans le verigata un condensateur de compensation est inclus, sans cela il est difficile de travailler, mais augmente la consommation d'énergie.
Schéma avec ballast électronique
Attention! En t'rgoviyata, sur les ballasts mal électroniques, ils se croisent souvent sous le nom de ballast électronique. Il a été utilisé sur le conducteur de la vente pour appeler le stockage des bandes LED.

Vue visualisée et dispositif sur le ballast électronique
L'apparence et la disposition du ballast électronique seront améliorées, en concevant et en incluant deux lampes, chacune d'une puissance de 36 watts.
Dans les circuits avec ballast électronique, les processus physiques sont laissés seuls. Certains modèles sont destinés à un pré-salissure sur l'électrode à placer sur le ventre sur la lampe.

Type ECG
Les chiffres montrant apparaissent sur le ballast électronique pour les appareils de puissance différente.
La taille permet de mettre un ballast électronique doris à base de E27.

L'ECG est basé sur une lampe économe en énergie
Compact ESL - l'une des canettes luminescentes les plus visibles et ima base g23.

Lampe à poser avec socle G23

Schéma fonctionnel sur le ballast électronique
La figure montre un schéma fonctionnel simple pour un ballast électronique.
Schéma pour connexion en série à deux lampes
Ima illuminateur du corps, qui est connecté de manière constructive à deux lampes.
Dans le cas d'un remplacement partiel, l'installation est pervertie selon le schéma, qui est différent pour le ballast électronique et le ballast électronique.
Attention! Schémas de principe du dispositif de contrôle de la conception et du travail avec une certaine puissance sur le produit. L'indicateur de vin Tosi e est disponible dans le passeport sur le produit. Ako sa svyarzani sur les lampes golem, le droselt ou le ballast peut griller.

Schéma d'allumage de deux lampes avec un seul accélérateur
Ako vyarhu tyaloto pour l'appareil du nom de l'inscription 2X18, le ballast est conçu et relié par deux lampes d'une puissance de 18 watts chacune. 1X36 - donc le starter ou le ballast peut inclure un LDS de 36 W.
Dans le cas où il a rampé hors de l'accélérateur, allumez séquentiellement le tremble et le bdat svyarzani.
Deux débutants sont toujours debout et brillent. Lié à ces parties de cette perversion en parallèle avec LDS.
Injection sans démarreur
Chaîne de ballast Elektronnata initialement démarreur nyama dans systava si.
Contrairement à Tov, dans les schémas avec manettes, vous pouvez les envoyer sans lui. L'interrupteur est à ressort, connecté en série - avec une pensée différente, un bourgeon - plus d'aide pour se glisser dans un schéma de travail. Allumez brièvement et relâchez le bourgeon de l'osiguri vrazka, similaire à l'action sur le démarreur.
Important! Une telle option sans démarreur, allumez-la par elle-même à partir du but de la niche.
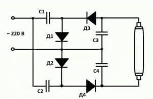
Une version sans gaz, pour une raison quelconque, il existe un démarreur, elle peut être mise en œuvre de différentes manières. Un de tyah e est représenté le long du vallon.
Le diagramme montre les formes d'onde du multiplicateur de tension de diode.
Connexion Electrodite sa kaso, ligne unique kam tyah e svyarzana. La tension est toujours d'environ 600 V, ce qui est suffisant pour permettre à un courant constant de circuler entre les fils dans un milieu gazeux.
Protégé sans démarreur, globe selon le schéma, et dans l'état et sur la voiture, les appareils avec les fils électriques de la bobine ont brûlé et brillent.
Vidéo - Schéma sur une lampe fluorescente
PrécédentLampe luminescente Comment la dirigez-vous, comme une lampe fluorescente se chupiSuivantLampes fluorescentes Caractéristiques et différences des lampes fluorescentes à LED


